14.5. АНАЛИЗ ТРАНЗИСТОРНОГО УСИЛИТЕЛЬНОГО КАСКАДА
Полная схема усилительного каскада на биполярном транзисторе изображена на рис. 14.10.

Рис. 14.10
Она включает источник усиливаемого синусоидального сигнала Ėг, источник постоянной ЭДС ek и резистивные элементы Rк, Rэ, Rб1 и Rб2, обеспечивающие требуемый режим в рабочей точке транзистора (рис. 14.11), конденсаторы C1 и C2, препятствующие протеканию постоянного тока источника ек через элементы генератора Ėг и нагрузки Rн. Расчет каскада при заданных параметрах цепи включает анализ режима по постоянному току (определение рабочей точки) и анализ малосигнального режима в рабочей точке.

Рис. 14.11
При анализе на постоянном токе генератор и нагрузка не влияют на распределение токов, так как ветви с емкостями C1 и C2 принимаются разомкнутыми. Поэтому анализ проводят для цепи рис. 14.12, для которой система уравнений Кирхгофа имеет вид:

Она включает семь неизвестных и позволяет определить все искомые величины, используя пять записанных уравнений и два семейства входных и выходных характеристик транзистора.

Рис. 14.12
Поскольку при расчете режима постоянного тока необходимо учитывать нелинейность характеристик, то расчет произведем методом последовательных приближений. Так как значения тока базы iб существенно меньше значений токов в коллекторной цепи iк и iэ, пренебрежем слагаемым iб в первом уравнении системы и перепишем оставшиеся уравнения, принимая iэ = iк, в виде:
| (14.1) |
Исключим далее токи i1 и i2 в линейной части цепи. При подстановке i1 из первого уравнения в третье получим ек = (Rб1 + Rб2i)i2 + Rб1iб, откуда выразим i2:

Подстановка этого выражения в последнее уравнение системы (14.1) позволяет привести его к виду
| (14.2) |
Теперь для определения значений iк, uк. э, iб и uб. э имеем второе уравнение (14.1), (14.2) и два семейства характеристик транзистора.
На семействе выходных характеристик второе уравнение (14.1) изображается прямой линией, проходящей через точки (eк, 0) на оси абсцисс и (0, ек/(Rэ + Rк)) на оси ординат (см. рис. 14.11). Пересечение этой нагрузочной прямой с выходными характеристиками определяет связь тока базы iб с током коллектора iк. Для их нахождения зададимся значением iб, отвечающим отдельной выходной характеристике. Ордината ее пересечения с нагрузочной прямой определяет соответствующее значение iк. Подстановка iб и iк в уравнение (14.2) для выходного напряжения дает значение иб. э. Изобразим точку с координатами (иб. э, iб) на семействе входных характеристик. Эта точка не лежит на входной характеристике, так как исходное значение iб было принято произвольно. Последовательно повторяя описанную процедуру расчета, найдем то значение тока базы iб0, при котором значение иб. э, определяемое из уравнения (14.2), отвечает входной характеристике (точка A на рис. 14.11).
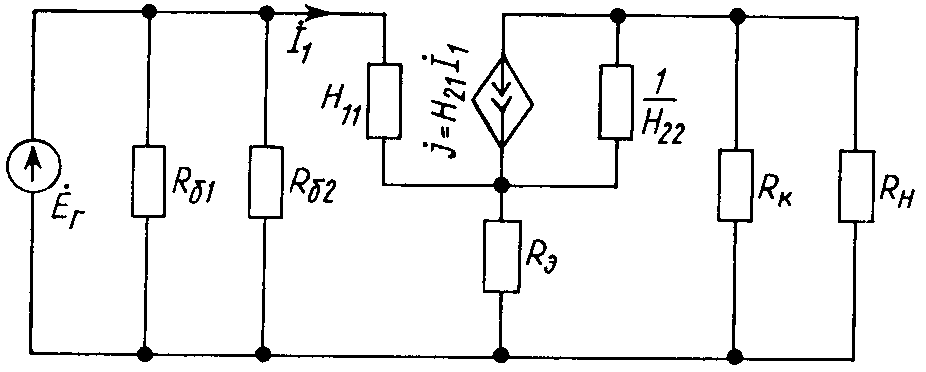
Далее указанным в п. 14.1 способом по характеристикам в рабочей точке определяют малосигнальные параметры транзистора. В малосигнальной схеме замещения каскада закорачивают источник постоянной ЭДС eк и разделительные конденсаторы C1 и C2, емкости которых выбирают таким образом, чтобы их сопротивления 1/wС на рабочей частоте каскада были существенно меньше сопротивлений включенных с ними последовательно резистивных элементов. Транзистор замещается одной из малосигнальных схем с параметрами, отвечающими рабочей точке (см. рис. 14.4, 14.5).
Используя схему замещения транзистора при H12 = 0 (рис. 14.5, а), получим малосигнальную схему усилительного каскада рис. 14.13. Токи и напряжения в ней рассчитывают известными методами анализа с помощью узловых или контурных уравнений.

Рис. 14.13
Пример расчета транзисторного каскада приведен в Задаче 12.1.