14.6. ОСОБЫЕ СВОЙСТВА АКТИВНЫХ ЦЕПЕЙ
Одной из особенностей активных цепей является эффект усиления мощности, генерируемой независимыми источниками. Так, при питании сопротивления нагрузки Rн от источника Ėг через пассивный четырехполюсник (рис. 14.14, а) активная мощность на выходе четырехполюсника P2, потребляемая нагрузкой, не может превосходить мощность на входе четырехполюсника P1, отдаваемую источником: P2 £ P1. Понятно, что знак равенства имеет место лишь для четырехполюсника без потерь, состоящего из LC-элементов. Соотношения между мощностью на входе и выходе активного четырехполюсника, определяемой составляющими на частоте входного сигнала (рис. 14.14, б), могут быть любыми. Это не противоречит закону сохранения энергии, так как режим работы активных элементов, находящихся внутри четырехполюсника A, обеспечивается источником постоянного напряжения U0, от которого и потребляется дополнительная мощность P0. При рассмотрении энергетического баланса цепи в целом активная мощность, отдаваемая как независимыми, так и управляемыми источниками, равна сумме мощностей, потребляемых во всех резистивных элементах цепи. Заметим также, что усилительные устройства, используемые в системах переработки информации для усиления мощности, отличаются весьма низкой эффективностью преобразования энергии. Однако это не имеет большого значения, поскольку речь идет о небольших абсолютных значениях мощностей.

Рис. 14.14
Следующей особенностью активных цепей является возможность возникновения неустойчивых режимов при определенных сочетаниях параметров цепи. Этот важный вопрос будет рассмотрен отдельно в Лекции 23.
Еще одна особенность активных цепей связана с неприменимостью принципа взаимности. Применительно к параметрам четырехполюсников это выражается неравенствами Z12 ¹ Z21; Y12 ¹ Y21, которые определяют в известном смысле различную способность четырехполюсника к передаче сигнала с входа на выход и в обратном направлении. В предельном случае это различие выражается равенством нулю его Z-, Y- или H-параметров, имеющих индексы 12. Подобные вырожденные четырехполюсники называются односторонними. Таким свойством обладают, в частности, идеальные усилители и вообще все виды управляемых источников.
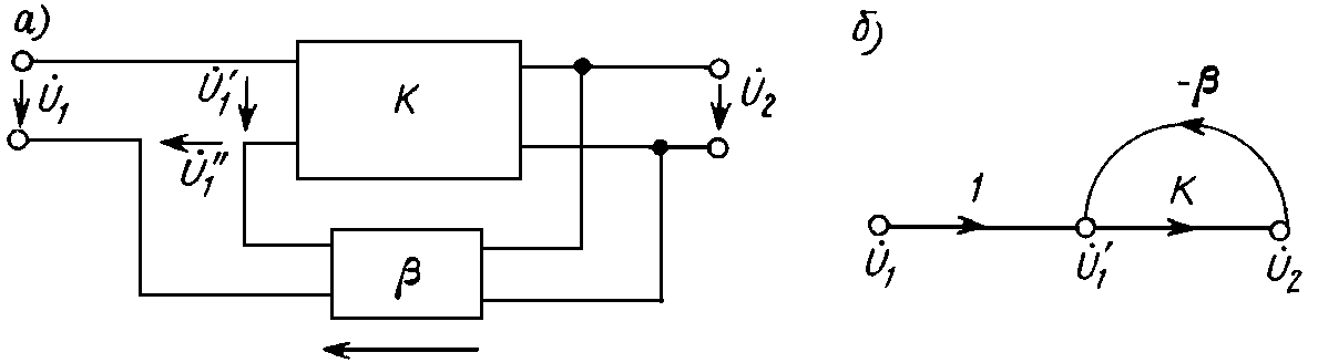
Обратные связи. Свойства систем, включающих подобные односторонние четырехполюсники (в первую очередь речь идет об идеальных усилителях напряжения), существенно изменяются при наличии в системе обратных связей элементов, через которые часть выходного сигнала усилителя передается обратно на вход усилителя, где суммируется со входным сигналом системы. Цепь обратной связи обычно представляет собой пассивный четырехполюсник, осуществляющий преобразование выходного сигнала по определенному закону. Сигнал, подаваемый на вход цепи обратной связи (ОС), может быть пропорционален выходному напряжению или выходному току системы. В связи с этим различают обратные связи по напряжению и по току. Во входной цепи системы может осуществляться суммирование напряжений цепи ОС и входного напряжения системы. Такая обратная связь называется последовательной. При параллельном соединении обеих цепей на входе системы суммируются токи. Эта обратная связь называется параллельной. Суммирование сигналов во входной цепи осуществляется алгебраически. Обратная связь, осуществляющая сложение сигналов во входной цепи, называется положительной; вычитание сигналов характеризует отрицательную обратную связь. В общем случае сам усилительный элемент системы, охваченный обратной связью, может осуществлять более сложное преобразование сигнала, подаваемого не его вход.
На рис. 14.15, а изображена схема, включающая идеальный усилитель напряжения с коэффициентом усиления
и звено обратной связи, характеризуемое передаточной функцией
. Обратите внимание, что в отличие
от привычного изображения сигнал по цепи обратной связи передается в направлении стрелки
справа налево! В рассматриваемой системе имеем, очевидно, последовательную обратную связь по напряжению. Так как напряжение обратной связи вычитается на входе усилителя из входного сигнала
, рассматриваемая на рис. 14.15, а
обратная связь является отрицательной.

Рис. 14.15
Для определения передаточной функции всей цепи в целом используем записанные соотношения. Имеем:
и
, откуда для
получим
![]()
Такой же результат получится и при рассмотрении сигнального графа системы, приведенного на рис. 14.15, б. На графе обратная связь изображается ветвью с передачей, направленной от нагрузки в сторону источника. Заметим, что подобные ветви встречаются и на сигнальных графах пассивных цепей. Это дает повод говорить некоторым авторам об обратных связях также и в пассивных цепях. Такое свойство является естественным для пассивных цепей, так как вытекает из принципа взаимности (см. п. 6.3), присущего всем пассивным цепям. Однако в пассивных цепях подобная обратная передача сигнала не приводит к качественным изменениям свойств цепи, что наблюдается у активных цепей.
Как видно из полученного выражения, отрицательная обратная связь уменьшает результирующее усиление сигнала. На первый взгляд этот эффект может показаться нежелательным. С помощью положительной обратной связи легко получить противоположный результат. Это может быть достигнуто простым перекрещиванием проводов на выходе цепи обратной связи b, чему соответствует изменение знака в знаменателе KU. Однако на практике отрицательную обратную связь в активных цепях и других технических системах используют шире, чем положительную. Это связано с тем, что отрицательные обратные связи обеспечивают стабилизацию характеристик системы. Так, в системе, рассматриваемой на рис. 14.15, а при больших значениях коэффициента усиления усилителя K >> 1 имеем KU = 1/b. Поэтому даже значительные изменения коэффициента K, связанные, например, с нестабильностью характеристик электронных элементов усилителя, мало отражаются на значении передаточной функции KU, которая главным образом определяется параметрами цепи обратной связи. Поскольку последняя состоит из пассивных элементов, то легко обеспечить стабильность ее передаточной функции и системы в целом.
Обратная связь оказывает также существенное влияние на такие характеристики системы, как ее входное и выходное сопротивления.
Особенно широко применяют обратную связь в цепях с операционными усилителями. Обладая весьма большим (104 – 106) коэффициентом усиления, они практически не используются без обратных связей. Поскольку операционный усилитель является дифференциальным усилителем, сложение и вычитание сигналов обратной связи может осуществляться за счет подачи входных сигналов обратной связи на различные входы усилителя.
Наиболее распространенные схемы включения операционного усилителя с обратными связями уже рассматривались ранее (рис. 14.16, а – б).

Рис. 14.16
Во входной цепи усилителя (рис. 14.16, а) суммируются входной ток
İ1 и ток цепи обратной связи İ2, пропорциональный выходному напряжению
. Так как для усилителя с
K = ¥
при конечном
на входе должно быть
= 0, то
, а
. Входной ток идеального усилителя при его бесконечном входном сопротивлении
İ1+ İ2 = 0, отсюда
İ1 = – İ2, или
= -
. Поэтому передаточная функция всей цепи
KU = – Z2/Z1. В частности, при
Z1 = Z2 = R рассматриваемая цепь изменяет знак напряжения на противоположный
KU = – 1.
Для цепи рис. 14.16, б при идеальных свойствах усилителя на его втором входе имеется также входное напряжение всей цепи
. Оно равно падению напряжения на плече
Z2 делителя напряжения в цепи обратной связи. Значения токов
İ в обоих плечах делителя равны, так как вход усилителя не потребляет тока:
. Отсюда передаточная функция цепи равна
.
Обе рассмотренные схемы можно использовать в качестве усилителя с конечным значением KU. Отрицательное значение KU дает схема на рис. 14.16, а, положительное на рис. 14.16, б. При Z1 = 0 эта схема представляет собой повторитель напряжения (рис. 14.16, в).
Применение схем на операционных усилителях с обратными связями позволяет существенно расширить круг задач преобразования сигналов по сравнению с пассивными цепями.