14.7. ИНТЕГРИРУЮЩИЕ И ДИФФЕРЕНЦИРУЮЩИЕ ЦЕПИ. КОНВЕРТОРЫ И ИНВЕРТОРЫ СОПРОТИВЛЕНИЯ
Рассмотрим схему рис. 14.16, а при включении в ветви обратной связи конденсатора Z2 = 1/jwC, а во входной ветви резистора Z1 = R (рис.14.17,а). В этом случае ее передаточная функция равна KU(jw) = – 1/jwRC.

Рис. 14.17
Поскольку оператор 1/jw соответствует во временной области интегрированию, то такая цепь осуществляет интегрирование входного напряжения. Действительно, при идеальном операционном усилителе ток i в цепи обратной связи равен i = C du2/dt, так как напряжение входного узла усилителя u = 0. С другой стороны, этот же ток протекает во входной ветви i = – u1/R. Сопоставление обоих выражений для тока приводит к равенству:
– u1/R = C du2/dt
или

Аналогично для дифференцирования входного напряжения u1 в рассматриваемой цепи элементы R и C следует поменять местами (рис. 14.17, б). Для дифференцирующей цепи аналогично получим: u2 = – RC dи1/dt.
Приближенно операции интегрирования и дифференцирования можно осуществить и в пассивных цепях. Поскольку передаточная функция цепи рис. 14.18, а, KU =
= 1/(1 + jwRC), то ее можно использовать для интегрирования сигналов, существенная часть спектра которых удовлетворяет неравенству
wRC >> 1, для которой в знаменателе
KU можно пренебречь единицей. Это требование ведет к увеличению параметров
R и C схемы, в результате чего снижается выходное напряжение цепи
, требующее его последующего усиления с помощью усилителя на выходе цепи. Поэтому целесообразнее осуществлять интегрирование в цепи с усилителем, охваченным обратной связью (рис. 14.17, а), в которой для точного интегрирования требуется лишь идеальность свойств операционного усилителя, которые в меньшей мере зависят от частоты.
Подобным же образом условием уменьшения погрешности дифференцирования входного напряжения пассивной цепью (рис. 14.18, б) с передаточной функцией
KU =
= jwRC/(1 + jwRC), является требование
wRC << 1 для определяющих частот спектра входного сигнала
. Легко установить, что и в этом случае уменьшение значений R и
C, необходимое для повышения точности дифференцирования, ведет к ослаблению выходного сигнала.

Рис. 14.18
Применение операционных усилителей с обратными связями позволяет также моделировать одни элементы цепей другими или создавать элементы, обладающие свойствами, которых нет у пассивных элементов.
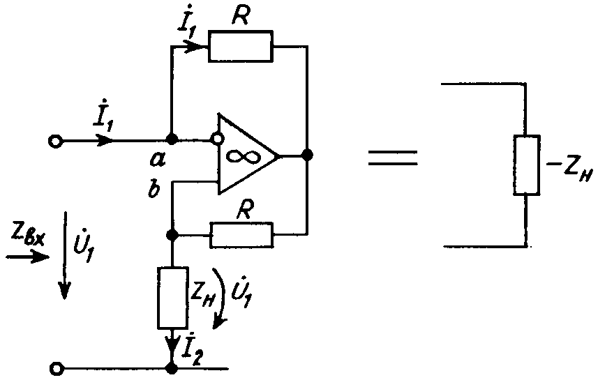
Так, входное сопротивление цепи рис. 14.19 определяется как отношение Zвх =
.

Рис. 14.19
Учтем, что падение напряжения на сопротивлении
Zн равно также
,
так как оба входа усилителя a и b имеют одинаковые потенциалы. Поэтому падения напряжения на обоих резисторах в цепи обратной связи одинаковы, и напряжение между входами
a и b равно нулю
. Отсюда
İ1 = – İ2. Поскольку ток
İ2 протекает и в сопротивлении нагрузки
Zн, то напряжение на нем
, или, учитывая соотношение между токами,
. В связи с этим входное сопротивление всей цепи
Zвх = – Zн, т. е. цепь обладает свойством изменять знак сопротивления нагрузки на противоположный, является конвертором сопротивления. Ее можно использовать, в частности, для компенсации потерь в элементах цепи. На базе конверторов могут создаваться схемы, преобразующие элементы одного типа в элементы другого типа. Так, использование конверторов позволяет реализовать цепи, изображенные на рис. 14.20.

Рис. 14.20
Входное сопротивление первой из них найдем по обычным правилам сложения параллельных и последовательных сопротивлений:

Следовательно, рассматриваемая цепь представляет собой инвертор сопротивления Zн ее входное сопротивление обратно пропорционально значению Zн. Для цепи (рис. 14.20, б) получим аналогично

При использовании в первой схеме инвертора в качестве сопротивления нагрузки конденсатора с Zн = 1/jwC ее входное сопротивление Zвх1 = jwCR2, т. е. его частотная зависимость имеет такой же характер, что и у сопротивления катушки L = CR2. Это позволяет моделировать индуктивность и используется в микроэлектронных схемах, где изготовление катушек по интегральной технологии вызывает затруднения. Таким образом, применение в первой схеме двух конверторов сопротивления, первого во входной ветви схемы с нагрузкой R и второго с нагрузкой на последовательно включенные R и C в выходной ветви и с параллельно включенным резистором R имитирует индуктивность L = CR2. Такого же состава элементов требует и вторая схема, моделирующая индуктивность(рис. 14.20, б): здесь один инвертор имитирует элемент (-R), а второй обеспечивает изменение знака всей цепи в целом.