Тема 2. УЗЛОВЫЕ УРАВНЕНИЯ (задачи без решения)
Перейти к задачам с решением
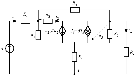
Задача 2.1. На основе решения узловых уравнений (см. п. 3.1), рассчитать распределение напряжений и токов в цепи (рис. П2.1) при следующих значениях параметров:
![]()

Pис. П2.1
Показать соответствующий раздел теоретического материала Лекции 3
Показать решение задачи
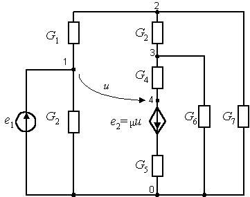
Задача 2.2. Рассчитать распределение напряжений в цепи (рис. П2.2) с идеальным источником ЭДС e1 = 0,5 B (см. п. 3.6). Параметры элементов схемы равны: R1 = 50 кОм, R2 = 20 кОм, R3 = R4 = R5 = R6 = 0,5 кОм, R7 = 1 кОм.

Pис. П2.2
Показать соответствующий раздел теоретического материала Лекции 3
Показать решение задачи