3.3. ФОРМИРОВАНИЕ УЗЛОВЫХ УРАВНЕНИЙ ПАССИВНЫХ ЦЕПЕЙ
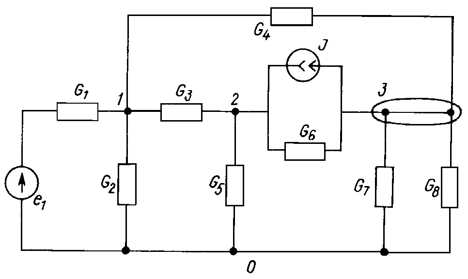
При формировании узловых уравнений следует пронумеровать узлы анализируемой цепи. В качестве опорного узла с индексом "0", относительно которого отсчитываются все остальные напряжения, целесообразно принять узел, к которому присоединяется наибольшее число ветвей или заземленный узел цепи.

Рис. 3.2
Принятая на рис. 3.2 нумерация узлов приводит к следующим выражениям собственных и общих проводимостей узлов:

Узловые токи равны: J1у = e1G1; J2у = J; J3у = – J.
Полученные выражения подставляем в систему уравнений:
