3.4. УЧЕТ УПРАВЛЯЕМЫХ ИСТОЧНИКОВ ПРИ ФОРМИРОВАНИИ УЗЛОВЫХ УРАВНЕНИЙ
Процедура формирования узловых уравнений активных цепей сводится к следующему:
1) по правилам, изложенным в п. 3.3, формируем систему для резистивной части цепи, учитывая управляемые источники как независимые;
2) выражаем управляющие токи и напряжения этих источников, входящие в правые части системы, через узловые напряжения; при этом используем законы Кирхгофа и компонентные уравнения;
3) члены в выражениях узловых токов, содержащие неизвестные узловые напряжения, переносим в левую часть уравнений и группируем с соответствующими элементами матрицы узловых проводимостей.
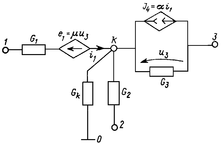
Покажем выполнение перечисленных этапов на примере фрагмента цепи, изображенного на рис. 3.3.

Рис. 3.3
Исходная запись узлового уравнения для k-го узла, учитывающая управляемые источники как независимые, выражается уравнением (3.1)
![]()
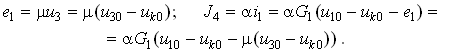
ЭДС и ток управляемых источников представляется через узловые напряжения следующим образом:

Подставляя эти величины в узловое уравнение и группируя члены, приведем последнее к виду

В итоге матрица узловых уравнений активной цепи становится несимметричной — ее внедиагональные элементы с одинаковыми индексами не равны друг другу. Это свойство характерно для узловых уравнений активных цепей.
Пример применения метода узловых напряжений к схемам с управляемыми источниками рассмотрен в Задаче 2.1.