3.6. ФОРМИРОВАНИЕ УЗЛОВЫХ УРАВНЕНИЙ ДЛЯ ЦЕПЕЙ С ИДЕАЛЬНЫМИ ИСТОЧНИКАМИ ЭДС И ИДЕАЛЬНЫМИ УСИЛИТЕЛЯМИ НАПРЯЖЕНИЯ`
Если к узлу присоединены вырожденные ветви с идеальными источниками ЭДС, обладающими нулевым внутренним сопротивлением, узловое уравнение для такого узла теряет смысл, так как при нулевом сопротивлении проводимость ветви равна бесконечности.
Однако, если один из узлов, к которым подключен независимый идеальный источник ЭДС e (рис. 3.4, а) выбрать в качестве опорного (0), то значение узлового напряжения второго узла 1 будет известным, так как оно непосредственно определяется величиной источника: u10 = e.

Рис. 3.4
Таким образом, потеря одного из узловых уравнений, составленных по обычным правилам, не препятствует решению, так как соответственно сокращается и число неизвестных узловых напряжений.
Аналогично поступаем и при действии в цепи нескольких идеальных источников, имеющих общие узлы (рис. 3.4, б). При выборе в качестве общего узла (0) напряжения узлов 1 – 3 определяют величинами ЭДС, подключенных к этим узлам: u10 = – e1; u20 = e2; u30 = e3. Очевидно, что в рассматриваемом случае в качестве опорного узла может быть выбран любой из узлов (1, 2 или 3). При этом напряжения остальных узлов определяют алгебраическим суммированием ЭДС идеальных источников. В результате для расчета цепи методом узловых напряжений получаем систему меньшей размерности.
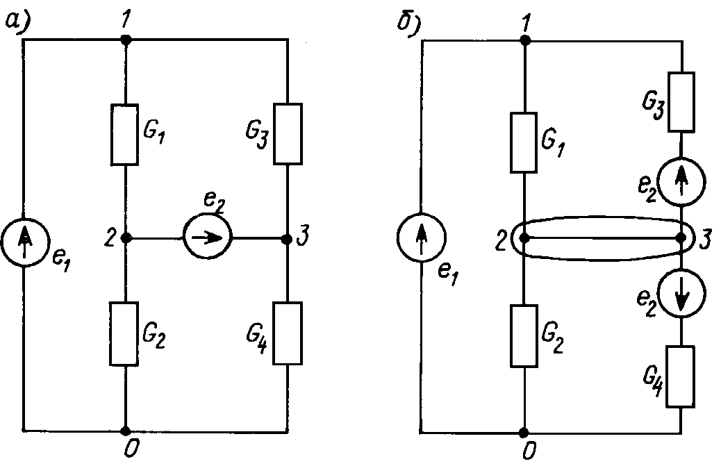
Другой способ, применяемый при отсутствии общего узла у действующих в цепи идеальных источников ЭДС (рис. 3.5, а), состоит в переносе одного из идеальных источников (например, e2) через узел 3 и включение его в резистивные ветви G3 и G4 (рис. 3.5, б).

Рис. 3.5
Действительно, обе цепи, изображенные на рис. рис. 3.5, а,б, эквивалентны друг другу, так как при переносе ЭДС через узел для преобразованной цепи сохраняются все соотношения, вытекающие из второго закона Кирхгофа. После выполненного преобразования для объединенного узла 2 и 3 составляют общее уравнение по обычному правилу формирования узловых уравнений.
Таким образом, наличие идеальных источников ЭДС не только не усложняет применение метода, но и приводит к сокращению числа искомых узловых уравнений.
Пример составления узловых уравнений для схемы с идеальным источником ЭДС приведен в Задаче 2.2.
Такой же подход применяют и к расчету цепей с идеальными усилителями напряжения (рис. 3.6).

Рис. 3.6
При формировании уравнения для входного узла 1 влияние усилителя не учитывается, так как ток в его входной ветви равен нулю. Остальные ветви, подключенные к входному узлу, учитываются по общим правилам. Для выходного узла узловое уравнение не может быть составлено, так как при нулевом выходном сопротивлении идеального усилителя его выходная проводимость равна бесконечности. Однако вместо этого уравнения используют связь входного и выходного напряжений усилителя u20 = ku10.
Если для коэффициента усиления усилителя принято условие k = ¥, конечное значение выходного напряжения u20 приводит к требованию для входного напряжения u10 = 0. В этом случае уравнение для выходного узла не составляют, а в остальных уравнениях входное напряжение усилителя полагают равным нулю.
При анализе цепей с идеальными операционными усилителями с бесконечным коэффициентом усиления требование ua0 – ub0 = 0 реализуют, составляя по общей схеме метода отдельные уравнения для каждого из входных узлов и используя вместо недостающего условие равенства узловых напряжений входных узлов ua00 = ub0.