25.4. МОДЕЛИРОВАНИЕ ЛИНИИ ЦЕПНОЙ СХЕМОЙ
Исследование процессов в цепях с распределенными параметрами часто осуществляется на моделях с сосредоточенными параметрами. Возможность перехода к такой модели при фиксированных параметрах C, L, R, G и длине l определяется тем, что уравнения, связывающие входные и выходные токи и напряжения линии, представляют собой уравнения симметричного четырехполюсника (рис. 25.8, а), и поэтому при моделировании процессов на входе и выходе линии мы можем воспользоваться одной из его схем замещения Т-образной (рис. 25.8, б) или П-образной (рис. 25.8, в), используя соотношения, связывающие параметры этих схем с параметрами пассивного четырехполюсника (п. 12.3).

Рис. 25.8
Так как A-параметры линии равны A11 = A22 = ch gl, A12 = Z sh gl, A21 = 1/Z sh gl, то для параметров Т-образной схемы найдем с помощью формул перехода к Z-параметрам:


В выполненных преобразованиях учтено, что для пассивного четырехполюсника определитель DA = 1. Аналогично для параметров П-образной схемы получим:

Поскольку в общем случае параметры линии Z и g являются сложными функциями частоты w, то использование введенных схем ограничено исследованием процессов на фиксированной частоте, так как при переходе к другой частоте параметры схем замещения изменяются.
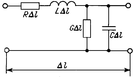
Для воспроизведения параметров однородной линии в более широком частотном диапазоне можно воспользоваться цепной схемой, состоящей из n одинаковых каскадно включенных Т- или П-образных звеньев (рис. 25.9), каждое из которых отвечает отрезку линии длиной Dl = l/n.

Рис. 25.9
Параметры каждого звена определяют из вышеприведенных формул для соответствующих звеньев при замене в них l на Dl. При достаточно большом числе звеньев произведение gDl в аргументах гиперболических функций мало. Это позволяет, используя приближенные выражения sh x » th x » x и cth x » 1/x, перейти к формулам: Z1 = Zg Dl/2 = (R + jwL) Dl/2; Y0 = g Dl/Z = (G + jwC) Dl; Y1 = g Dl/2Z = (G + jwC) Dl/2; Z0 = Zg Dl = (R + jwL)Dl. Такой результат отвечает непосредственной замене отрезка линии длиной Dl эквивалентирующими его элементами с сосредоточенными параметрами продольными сопротивлением R Dl и индуктивностью L Dl, поперечными проводимостью G Dl и емкостью C Dl. Для выяснения частотного диапазона, в котором такая цепная модель правильно отражает свойства линии в целом, следует с помощью формул для A-параметров симметричной цепной схемы (см. п. 12.9) сопоставить их частотные характеристики с частотными зависимостями соответствующих параметров линии. В диапазоне частот, где их различие не превышает заданной погрешности, допустимо использовать данную схему замещения. Такой подход дает обоснование применения цепных моделей для анализа несинусоидальных и в общем случае непериодических процессов в линиях.