12.3. ОБРАТИМЫЕ, СИММЕТРИЧНЫЕ И ВЫРОЖДЕННЫЕ ЧЕТЫРЕХПОЛЮСНИКИ
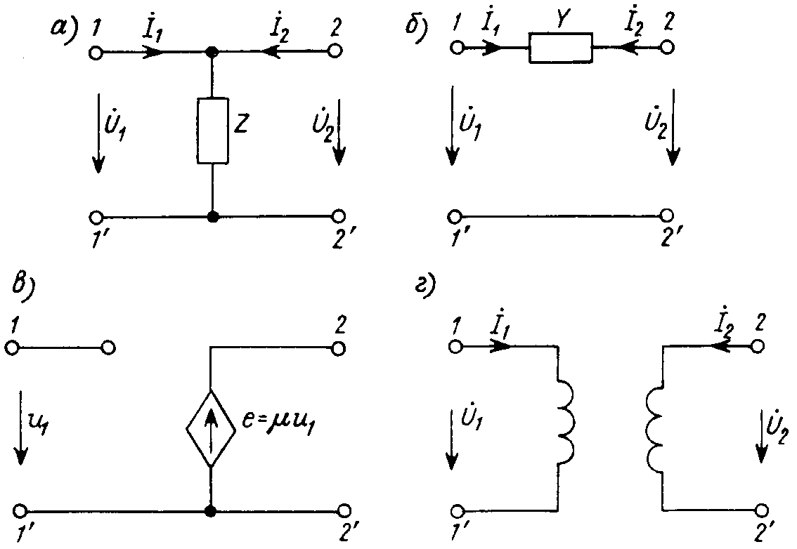
Для обратимых четырехполюсников, в частности, для четырехполюсников, не содержащих управляемых источников, т. е. состоящих только из пассивных элементов, соотношения между входными и выходными величинами удовлетворяют принципу взаимности, откуда для них следуют равенства Z12 = Z21; Y12 = Y21. Поэтому обратимый четырехполюсник характеризуется лишь тремя независимыми параметрами. A-параметры обратимого четырехполюсника связаны соотношением DA = A11A22 – A12A21 = 1, справедливость которого можно проверить, используя связи между A- и Z-параметрами (Приложение 1). Анализируя соотношения для параметров одногенераторных схем замещения (см. рис. 12.3, а, б), приходим к выводу, что в рассматриваемых условиях Z4 = 0; Y 4 = 0, — схемы замещения обратимых четырехполюсников не содержат управляемых источников (рис. 12.4, а, б).

Рис. 12.4
Используя соотношения для Z-параметров одногенераторных схем (см. рис. 12.3), выразим параметры элементов Т-образной схемы (рис. 12.4, а) через Z-параметры четырехполюсника: Z1 = Z11 – Z12; Z2 = Z12; Z3 = Z22 – Z12.
Аналогично для параметров П-образной схемы (рис. 12.4, б) получим Y1 = Y11 + Y12; Y2 = – Y12; Y3 = Y22 + Y12.
Если параметры схем замещения требуется определить по другим системам параметров (H- или A-параметрам), то заданные их значения следует привести к Z- или Y-параметрам, используя соотношения между ними, приведенные в Приложении 1.
Симметричным называется четырехполюсник, у которого соотношения между токами и напряжениями не изменяются при перемене мест входных и выходных зажимов. Отсюда следует, что его Z- и Y-параметры не изменяются при взаимной замене индексов 1 и 2, т. е. Z11 = Z22; Z12 = Z21; Y11 = Y22; Y12 = Y21.
Вырожденным называется четырехполюсник, не имеющий каких-либо матриц параметров. Например, четырехполюсник, описываемый вырожденной матрицей
Z, не имеет Y-параметров. Примером является четырехполюсник, составленный из одного сопротивления (рис. 12.5, а). Поскольку его входное и выходное напряжения одинаковы и равны
, то
. Очевидно, что определитель такой матрицы равен нулю, и обратная матрица
Y не существует.

Рис. 12.5
Другой простейший четырехполюсник (рис. 12.5, б) описывается вырожденной
Y-матрицей
и не имеет Z-параметров.
Анализ выражений переходов к H-параметрам четырехполюсника (Приложение 1), приводит к заключению, что у четырехполюсника, у которого Y11 = 0, Z22 = 0 или A22 = 0, не имеет H-параметров. Этим свойством обладает любой четырехполюсник, имеющий разрыв во входной ветви или только идеальный источник ЭДС в выходной ветви. Таким свойством обладает, в частности, идеальный усилитель напряжения (рис. 12.5, в)
Уравнения идеального трансформатора (рис. 12.5, г)
и
(см. п.9.3) показывают, что его A-параметры определяются как A11 = – c; A12 = A21 = 0; A22 = – 1/c. Очевидно, он не имеет ни Z-, ни Y-параметров.