12.8. УРАВНЕНИЯ И ХАРАКТЕРИСТИЧЕСКИЕ ПАРАМЕТРЫ СИММЕТРИЧНЫХ ЧЕТЫРЕХПОЛЮСНИКОВ
Так как для симметричного четырехполюсника
A11 = A22, то оба характеристических сопротивления становятся равными друг другу:
Zc11 = Zc22 = Zc =
. Входное сопротивление симметричного четырехполюсника, нагруженного на характеристическое сопротивление
Zc, равно этому сопротивлению — сопротивление согласованной нагрузки как бы повторяется на входе четырехполюсника. Поэтому характеристическое сопротивление симметричного четырехполюсника называют также повторным.
Уравнения симметричного четырехполюсника принимают вид:

а выражения для коэффициентов KU и KI равны друг другу
![]()
и поэтому мера передачи симметричного четырехполюсника допускает наглядное истолкование
![]()
Вещественная часть меры передачи a — коэффициент затухания — определяет уменьшение действующих значений напряжения или тока при переходе от входных к выходным зажимам четырехполюсника при согласованной нагрузке. Мнимая часть b — коэффициент фазы — определяет изменение фазы тока и напряжения при переходе через согласованно нагруженный четырехполюсник b = y1 – y2. На практике затухание сигналов при переходе через четырехполюсник оценивается в децибелах и выражается через десятичные логарифмы:
![]()
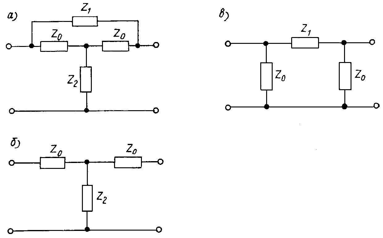
Пример. Определим характеристические параметры симметричного четырехполюсника рис. 12.12, а.

Рис. 12.12
При холостом ходе сопротивления Z1 и Z0 в выходной цепи включены последовательно и оба параллельны сопротивлению Z0 во входной цепи. Таким образом, для входного сопротивления имеем:
![]()

Аналогично при коротком замыкании на выходе сопротивления Z2 и Z0 выходной ветви соединены параллельно, а Z0 входной ветви — последовательно с ними. Цепочка из указанных трех сопротивлений параллельна Z1. В результате запишем

Используя оба выражения, определим характеристическое сопротивление цепи как ![]()

Если ее сопротивления связаны дополнительно условием:
Z1Z2 =
, то
Zc = Z0, а g = ln
Для перехода к симметричной Т-образной схеме (рис. 12.12, б) в полученных соотношениях следует положить Z1 = ¥. Имеем:
или
![]()
откуда

Для перехода к симметричной П-образной схеме (рис. 12.12, в) в общих выражениях следует принять Z2 = 0. При этом:
или
![]()
откуда

Еще один пример определения характеристических параметров симметричного четырехполюсника рассмотрен в Задаче 11.3.