12.5. ОПРЕДЕЛЕНИЕ ПАРАМЕТРОВ СОСТАВНЫХ ЧЕТЫРЕХПОЛЮСНИКОВ. КАСКАДНОЕ, ПОСЛЕДОВАТЕЛЬНОЕ И ПАРАЛЛЕЛЬНОЕ СОЕДИНЕНИЯ ЧЕТЫРЕХПОЛЮСНИКОВ
Рассмотрим сначала каскадное соединение, при котором выходные ток и напряжение первого четырехполюсника являются входными для второго (рис. 12.7):


Рис. 12.7
Используя уравнения обоих четырехполюсников

получим для токов и напряжений на входе и выходе каскадного соединения:

Так как выходные величины составного четырехполюсника

то для каскадного соединения четырехполюсников a и b будем иметь

где

Таким образом, А-матрица составного четырехполюсника при каскадном соединении равна произведению А-матриц отдельных четырехполюсников. Так как произведение матриц в общем случае не обладает свойством коммутативности, то и A-параметры каскадного соединения двух четырехполюсников в общем случае зависят от последовательности их включения, так как AaAb ¹ AbAa.
Из приведенных соотношений видно, что при рассмотрении каскадного соединения удобнее использовать другие направления выходных токов четырехпорлюсника, обозначенные на рис. 12.7 как İ '2, İ '2a.
При последовательном соединении четырехполюсников равны их входные и выходные токи (рис. 12.8, а):
=
=
;
=
=
, а входное и выходное напряжения составного четырехполюсника равны сумме напряжений отдельных четырехполюсников
;
.

Рис. 12.8
Эти равенства проще всего использовать при описании четырехполюсников с помощью Z-параметров:

Суммируя напряжения и учитывая равенство токов, приходим к выводу, что
Z-матрицы последовательно соединенных четырехполюсников
суммируются ![]()
При параллельном соединении четырехполюсников (рис. 12.8, б) аналогично их входные и выходные напряжения одинаковы
=
=
,
=
=
, а суммируются токи —
;
. Матрица параметров составного четырехполюсника в этом случае находится по
Y-уравнениям:

которые наиболее просто реализуют суммирование токов при параллельном соединении. Суммируя соответствующие уравнения обеих систем, придем к матричному равенству Y = Ya + Yb.
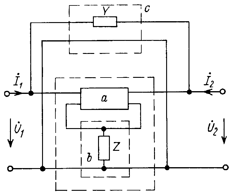
Определение параметров составных четырехполюсников при более сложных схемах соединений требует использования перечисленных правил и формул перехода от одной системы параметров к другой (Приложениe 1). В качестве примера рассмотрим схему трехполюсника, перекрытого ветвью с проводимостью Y и имеющего сопротивление Z в общей ветви (рис. 12.9).

Рис. 12.9
Ее можно рассматривать как последовательное соединение четырехполюсника
a с общим зажимом (трехполюсника), имеющего матрицу параметров
Za, с простейшим четырехполюсником
b (см. рис. 12,5, а), параметры которого определялись ранее:
. Суммирование
Z-матриц Zab = Za + Zb приводит к составному четырехполюснику
ab (рис. 12.9). Теперь полученную схему можно рассматривать как параллельное соединение четырехполюсника
ab и четырехполюсника c, состоящего из продольной проводимости
Y (рис. 12.5, б). Используя его
Y-параметры, найдем Y-параметры результирующего четырехполюсника, суммируя матрицы
Y = Yc + Yab. Для нахождения последней матрицы необходимо обратить матрицу
Zab.
Эту же задачу можно решать и иным путем,
рассматривая сначала параллельное
соединение
четырехполюсника a и четырехполюсника c,
представляемого проводимостью Y, с
последующим суммированием Z-параметров
полученного составного четырехполюсника и Z-параметров
поперечного сопротивления Z. Разумеется,
оба пути приводят к одинаковым значениям параметров
составного четырехполюсника.
Пример определения параметров четырехполюсника при каскадном, последовательном и параллельном соединении составляющих его четырехполюсников рассмотрен в Задаче 11.2.