4.3.
Усилители телевизионные индивидуальные
Индивидуальные антенные усилители
предназначены для повышения уровня телевизионного сигнала при приеме передач
черно-белого и цветного изображения. Они рассчитаны для совместной работы с
телевизионными приемниками любого типа и класса. Обычно вход и выход усилителя
рассчитан на подключение фидера с волновым сопротивлением 75 Ом. Индивидуальные
антенные усилители в зависимости от усиливаемых
частот изготавливаются для
диапазонов MB, ДМВ либо MB + ДМВ. По конструктивному исполнению усилители
размещают на мачте (в непосредственной близости от антенны) или устанавливают
рядом с телевизионным приемником.
4.3.1. Усилители телевизионные MB диапазона УТДИ I-II, УТДИ
III
Усилители телевизионные
диапазонные индивидуальные предназначены для усиления сигналов в метровом диапазоне
волн. Блок УТДИ-I-II усиливает телевизионные сигналы с 1 по 5 телевизионный
канал, блок УТДИ -III с 6 по 12 телевизионный канал.

Рис. 4. 27. Внешний вид усилительного комплекта УТДИ-I-II, УТДИ-III
Электрические
параметры блока усилителя УТДИ-I-II
Коэффициент усиления, дБ,
не менее
....................................................................... 14
Неравномерность АЧХ, дБ, не
более ...................................................................... 3
КБВ со стороны выхода, не
менее...........................................................................
0,6
Коэффициент шума, дБ, не
более
........................................................................... 5
Электрические параметры блока усилителя УТДИ-III
Коэффициент усиления, дБ,
не менее ....................................................................
12
Неравномерность АЧХ, дБ, не
более ...................................................................... 3
КБВ со стороны выхода, не
менее...........................................................................
0,6
Коэффициент шума, дБ, не
более
........................................................................... 6
Конструктивно усилитель
состоит из трех блоков — двух блоков усилителей А2 (УТДИ-I-II) и А1 (УТДИ-III),
которые устанавливаются непосредственно на мачте антенн либо в непосредственной
близости от них и блока питания с устройством сложения сигналов A3,
устанавливаемого непосредственно у телевизионного приемника. Телевизионный

сигнал от антенны метрового
диапазона (6-12 канал) поступает на разъем входа блока усилителя А1 (рис.
4. 28). На входе А1 установлен фильтр
1С1, 1L1,1L2,1L3,
1С2, настройка которого
производится при помощи 1С1 и 1С2. Фильтр обеспечивает согласование входного
сопротивления первого каскада усилителя, выполненного на транзисторе 1VT1
(КТ368А), с волновым сопротивлением антенны. Первый каскад усилителя собран по
схеме с общим эмиттером. Режим транзистора по постоянному току определяют
резисторы 1R1, 1R2.
Элементы отрицательной обратной связи 1R4, 1C5 осуществляют коррекцию на верхних частотах диапазона.
Второй каскад усилителя собран по схеме с общей базой. Режим работы транзистора
1VT2 (КТ368А) по постоянному току задан величинами резисторов 1R6, 1R7.
Выходной сигнал через полосовой
фильтр 1L4, 1L5,
1L61C10 по фидеру снижения
поступает на вход устройства сложения сигналов блока АЗ. Телевизионный сигнал от антенны
метрового диапазона (1-5 канал) поступает на входной разъем блока усилителя А2.
Описание принципиальной схемы аналогично усилителю УТДИ-III (А1), за
исключением некоторых элементов и их обозначений. Стабилизированный блок
питания выполнен на элементах 3VT1, 3VD5 по традиционной схеме параметрического
стабилизатора. Первичная обмотка ЗТ1 включается последовательно с источником
питания телевизионного приемника, что позволяет уменьшить габариты понижающего
трансформатора. Питание подается на блок A3 при включении телевизора. Через
3L6, 3L7 напряжение питания 10, 5 В подается на соединительные разъемы (САТ-Г, CAT-Ш) и по фидерам
поступает в блоки усилителей. Устройство сложения сигналов представляет собой
фильтр верхних 3C1, 3L1,
3C2, 3L2, 3C3 и нижних частот ЗС6, 3L3, ЗС7, 3L4, 3C8, 3L5
и обеспечивает развязку между блоками усилителей разных диапазонов, внося незначительные
потери на рабочих частотах. АЧХ диапазонных усилителей формируется изменением
величины построечных емкостей (1С1, 1С2, 1С7, 1С10 - усилитель УТДИ-III 2С7, 2С10 - усилитель
УТДИ-I-II и ЗС2. 3СЗ в
устройстве сложения сигналов), а также изменением индуктивностей полосовых
фильтров соответствующих диапазонов. При растяжении витков повышается частота
настройки контуров, а при сжатии — наоборот, частота понижается.

Рис. 4. 29. Принципиальная схема блока A3
4. 3. 2. Усилители телевизионные MB диапазона
УТДИ I-III
Усилитель телевизионный
диапазонный индивидуальный УТДИ-I-III предназначен для усиления сигналов в
метровом диапазоне волн с 1 по 12 телевизионный канал.
Параметры усилителя
для ТВ
каналов........................................................................................................
1-5... 6-12
Коэффициент усиления, дБ не
менее...................................................................
10....... 9
Неравномерность частотной
характеристики в полосе частот канала, дБ,
не более.....................................................................................................................
3........ 3
Коэффициент шума, дБ.
не
более...........................................................................
6........ 8
Входное и выходное
сопротивление, Ом..............................................................
75...... 75
Потребляемая мощность, Вт,
не
более.................................................................................
4

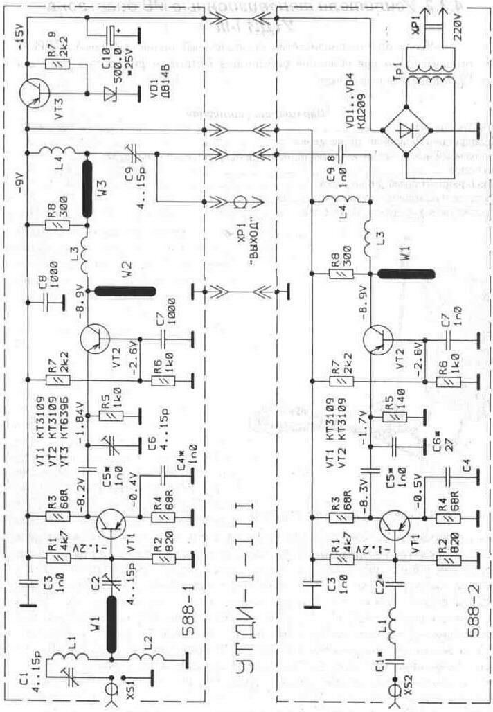
Конструктивно усилитель состоит
из функционально законченного блока, устанавливаемого непосредственно у
телевизионного приемника. Внутри пластмассового корпуса усилителя расположены
две печатные платы (588-1, 588-2) и сетевой трансформатор (рис. 4. 31).
Отличительной особенностью исполнения
данных схем усилителей является выполнение отдельных элементов полосовых
фильтров методом печатного монтажа. Согласование входного сопротивления
усилителей и антенн обеспечивается элементами С1, L1, L2, W1, С2 и С1, L1, С2,
соответственно в III и в I-II телевизионных диапазонах. Сигнал от антенны III
диапазона (6-12 телевизионные каналы) поступает на входной разъем XS1 платы
588-1. Первый каскад усилителя (плата 588-1) собран на транзисторе VT1 (КТ3109)
по схеме с общим эмиттером (рис. 4. 31).
Второй каскад усилителя собран по схеме с общей базой. Режим работы
транзисторов по постоянному току задан величиной резисторов R1, R2 и R6, R7.
Элементы R4, С4 обеспечивают коррекцию на верхних частотах диапазона. Усиленный
сигнал с коллектора VT2 через полосовой фильтр W2L3W3L4C9 поступает на разъем
ХР1 «выход». Усилитель 1-11 диапазона (плата 588-2) выполнен по аналогичной
схеме, а выходной усиленный сигнал через фильтр W1L3L4C8 поступает на разъем
общего выхода ХР1. Стабилизатор выполнен на элементах VT3VD1C10R9 (плата
588-1), а выпрямитель на элементах VD1-VD4 (плата 588-2).

Рис. 4. 31. Принципиальная схема усилителя УТДИ-I-III
4. 3. 3. Усилитель
телевизионный ДМВ диапазона «Орбита» ТАИ 21-41.
Усилитель телевизионный
дециметровый индивидуальный «Орбита» предназначен для усиления сигналов с 21 по
39 телевизионный канал и установке на мачте антенны.
Основные
технические характеристики
Коэффициент усиления, дБ,
не менее.................................................................... 12
Неравномерность АЧХ в
диапазоне частот 470... 620
МГц, дБ, не более................ 3
КБВ на входе и выходе, не
менее............................................................................
0, 4
Коэффициент шума, кТо, не
более.............................................................................
5*
Входное и выходное
сопротивление, 0м...................................................................
75

Рис. 4. 32. Внешний вид усилителя «Орбита» ТАИ 21-41.
Конструктивно усилитель собран
на печатной плате, закрытой металлической крышкой. Для защиты от влаги он
помещен в круглый пластмассовый корпус с завинчиваемыми крышками. На входе и
выходе усилителя установлены разъемы (антенные гнезда САТ-Г), которые
соединяются (антенными штекерами САТ-Ш) фидером с блоком питания и антенной.
Усилитель питается по фидеру снижения от источника питания, установленного
вблизи телевизора.
Принятый антенной сигнал
ДМВ поступает на вход усилителя через полосовой фильтр на C1W1 (рис. 4. 33). Элементы W1 - W3 выполнены печатным монтажом
(полосковые линии в интегральном исполнении). Двухкаскадный усилитель выполнен
на транзисторах VT1, VT2 (КТ3101А), включенных по схеме с общим эмиттером.
Отрицательную обратную связь по току обеспечивают элементы R4C5C6 и R8C8C9,
осуществляя коррекцию на верхних частотах диапазона. Режимы транзистора VT1 по
постоянному току обеспечивают элементы R1, R2, а транзистора VT2 — резисторы
R5, R6. Развязку по питанию обеспечивают фильтры R2C2, L1C7.
* Для пересчета коэффициента
шума необходимо воспользоваться номограммой в прил. 2.

Рис. 4.33.
Принципиальная схема усилителя «Орбита» ТАИ 21-41.
4. 3. 4. Усилитель
телевизионный ДМВ диапазона УТДИ -IV-V
Усилитель телевизионный
дециметровый индивидуальный УТДИ-IV-V обеспечивает усиление сигналов в
дециметровом диапазоне волн с 21 по 41 телевизионный канал.
Основные технические характеристики
Коэффициент усиления, дБ,
не менее.......................................................................
14
Неравномерность АЧХ в диапазоне
частот 470... 638 МГц, дБ, не более................ 3
КБВ на входе и выходе, не
менее............................................................................
0, 4
Коэффициент шума, кТо, не
более.............................................................................
5*
Входное и выходное
сопротивление,
Ом................................................................ 75
Потребляемая мощность от
сети, Вт, не более...................................................... 3
Напряжение питания, В, при
частоте 50Гц................................................................
220+-22

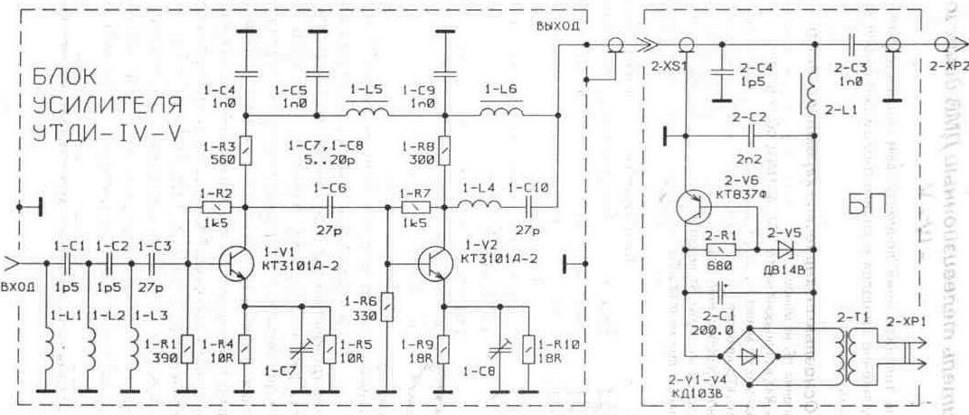
Конструктивно усилитель
состоит из двух блоков — блока усилителя, устанавливаемого на мачте антенны и
блока питания, устанавливаемого непосредственно у телевизионного приемника.
Сигнал с антенны ДМВ
поступает на клемму «вход» блока усилителя и далее на ФВЧ (1-С1, 1-L1, 1-С2,
1-L2, 1-СЗ, 1-L3), который подавляет сигналы, расположенные ниже дециметрового
диапазона, и обеспечивает согласование входного сопротивления первого каскада
усилителя, выполненного на транзисторе 1-V1 (КТ3101А-2), с волновым
сопротивлением антенны. (рис
4. 35) Каскады
усилителя собраны по схеме с общим эмиттером. Стабилизация режимов транзисторов
по постоянному току осуществляется через резисторы 1-R1, 1-R2 и 1-R6, 1-R7.
Элементы 1-С7, 1-С8 обеспечивают коррекцию АЧХ на верхних частотах диапазона. С
выхода усилителя по фидеру снижения усиленный сигнал поступает на разъем 2-XS1
блока питания. На вход телевизионного приемника сигнал поступает с разъема
2-ХР2 через разделительную емкость 2-СЗ. Развязку каскадов усилителя по питанию
обеспечивают фильтры 1-С4, 1-С5, 1-L-5 и 1-С9, 1-L6, на которые по фидеру с
разъема 2-XS1 блока питания через 2-L1 подается напряжение 10, 5 В. Стабилизированный блок питания
выполнен на элементах 2-V5, 2-V6 по традиционной схеме параметрического
стабилизатора.
* Для пересчета
коэффициента шума необходимо воспользоваться номограммой в прил. 2.

Рис. 4.35. Принципиальная схема усилителя УТДИ-IV-V
4. 3. 5. Усилитель
телевизионный ДМВ диапазона УТАИ 21 - 41
Усилитель телевизионный
антенный индивидуальный УТАИ 21-41 предназначен для усиления телевизионных
сигналов в дециметровом диапазоне волн.
Основные
технические характеристики
Коэффициент усиления, дБ, не
менее........................................................................
12
Неравномерность АЧХ в
диапазоне частот 470... 640
МГц, дБ, не более................ 3
КБВ на входе и выходе, не менее.............................................................................
0, 5
Коэффициент шума, дБ, не
более.............................................................................
7
Входное и выходное
сопротивление, Ом.................................................................
75±3
Потребляемая мощность от
сети, Вт, не более......................................................... 5
Напряжение питания, В, при
частоте 50Гц................................................................
220±10

Конструктивно усилитель
состоит из двух блоков:
блока усилителя,
устанавливаемого на мачте антенны, и блока питания устанавливаемого рядом с
телевизором. Фидер снижения от антенны ДМВ подпаивают к клеммам Х1, Х2 (рис. 4.
37). Фильтр верхних частот
C1L1L2C2W1 L3C3 обеспечивает подавление сигналов, расположенных ниже
дециметрового диапазона.
Усилитель собран на
транзисторах VI-V3 (КТ371АМ). Первый каскад усилителя, обеспечивающий основное
усиление при регламентированном уровне шума, выполнен по схеме с общим
эмиттером. Стабильность работы выходного каскада, выполненного на транзисторах
V2, V3 с непосредственной связью, обеспечивает глубокая отрицательная обратная
связь (резисторы R6, R8). Элементы фильтров W1 и W2 (полосковые линии)
выполнены печатным монтажом со стороны навесных элементов. Полосовой фильтр
L6W2L7C9 согласует выход усилителя с волновым сопротивлением фидера снижения.
Развязку каскадов усилителя по питанию обеспечивают фильтры L8C7 и L5C4, на
которые по фидеру с разъема XS2 блока питания через L1 подается напряжение 10,
5 В. Блок питания содержит
сетевой трансформатор Т1, выпрямитель V2 - V5, емкость фильтра питания С4,
параметрический стабилизатор R1V1.

Рис. 4. 37. Принципиальная схема усилителя УТАИ 21-41
4.3.6. Усилитель телевизионный
MB и ДМВ диапазонов «Сириус»
Усилитель антенный
широкополосный предназначен для усиления телевизионных сигналов в диапазоне
частот 48, 5... 230 МГц (1... 12 каналы) и 470... 790 МГц (21... 60 каналы), а также радиосигналов в
диапазоне УКВ (65, 8...
73, 0 МГц). Применяется для улучшения
качества изображения и звукового сопровождения при приеме черно-белых и цветных
телевизионных программ в зоне неуверенного приема и рассчитан для работы в
закрытых помещениях.
Основные
технические характеристики
Коэффициент усиления, дБ, не
менее....................................................................... 15
Неравномерность коэффициента усиления, дБ, не
более........................................ 5
Входное и выходное сопротивление,
Ом.................................................................. 75+
-3
Потребляемая мощность от сети, Вт, не
более......................................................... 5

Рис.
4. 38. Внешний вид усилителя
«Сириус»
Конструктивно усилитель и
блок питания собраны на двухсторонней печатной плате и установлены в
пластмассовый корпус. Сигнал от антенны MB поступает на первый каскад усилителя
с разъема XS2 (рис. 4. 39)
через фильтр L4C14C15L3, а сигнал от антенны ДМВ - с разъема XS1 через L2C9.
Диод VD1 обеспечивает защиту входного каскада от перегрузки сигналами местных
станций. Двухкаскадный апериодический усилитель выполнен на СВЧ транзисторах
VT1, VT2 (КТ3101А), включенных по схеме с общим эмиттером. Отрицательная
обратная связь по напряжению (элементы R5R7C5, R6R8C6) и цепи эмиттерной
коррекции (элементы R9C10, R10C11, R12C12, R13C13) обеспечивают равномерность
усиления в полосе 48, 5...
790 МГц и коррекцию на верхних
частотах диапазона. Развязку от

Рис. 4. 39. Принципиальная схема усилителя «Сириус»
помех по питанию обеспечивают
фильтры L1C2, R1C1. Блок питания выполнен на элементах СЗ, R2, С4.
4.3.7. Усилитель антенный
телевизионный дециметрового диапазона волн УАТ ДМВ
Усилитель антенный
телевизионный УАТ ДМВ предназначен для усиления телевизионных сигналов в
дециметровом диапазоне волн. Конструктивно выполнен на печатной плате,
расположенной в герметичном корпусе, что позволяет устанавливать его на мачте
антенны (рис. 4. 40).
Основные
технические характеристики
Коэффициент усиления, дБ,
не менее.......................................................................
30
Неравномерность АЧХ в
диапазоне частот 470... 635
МГц, дБ, не более................ 3
КБВ на входе и выходе, не
менее..........................................................................
0, 5
Коэффициент шума, дБ, не
более...........................................................................
7
Входное и выходное
сопротивление,
Ом.................................................................. 75
Ток потребления при
напряжении питания 12В, мА.................................................. 20

На входе усилителя (рис. 4.
41) установлен полосовой
фильтр L1С1L2. Сигнал с выхода полосового фильтра через емкость СЗ поступает на
первый каскад (транзистор VT1), выполненный по схеме с общей базой. Усиленный
сигнал с коллекторной нагрузки VT1 (L3, L4) через С6 поступает на второй каскад усиления (транзистор
VT2), выполненный по аналогичной схеме. Далее сигнал с коллекторной нагрузки
VT2 (L6, L7) подается
на базу VT3. Третий каскад усиления собран по схеме с общим эмиттером, связь
между этими каскадами непосредственная. Усиленный сигнал с коллекторной
нагрузки L9,L10 через
С14 поступает на выходные клеммы, к которым подпаивается фидер снижения.
Питание усилителя осуществляется по фидеру снижения через переходник, в котором
установлены разделительная емкость и дроссель фильтра питания с предохранителем
0, 05А. Для питания
усилителя используется отдельный источник напряжением 12В и током потребления
не менее 0. 02А.

Рис. 4. 41. Принципиальная схема УАТ ДМВ