4.4.
Конвертеры ДМВ
Преобразователи частоты (конвертеры)
сдвигают спектр сигнала из одной области частот в другую при сохранении его
структуры.
Принимать программы,
передаваемые по каналам дециметровых волн, можно только на телевизоры,
оборудованные специальными селекторами каналов. Селектор каналов дециметровых
волн (СКД) производит непосредственное преобразование частот телевизионных
каналов ДМВ в промежуточную частоту изображения и звука. При непосредственном
преобразовании телевизионных сигналов ДМВ частота гетеродина fr СКД выше
несущей частоты изображения принятого ТВ канала на 38 МГц:
fr = fни + fпчи (4-12)
где fнu - несущая частота изображения принимаемого канала;
fпчи- промежуточная частота сигнала
изображения (38 МГц).

Рис. 4.42. Перенос спектра частот в конвертерах
Сигнал, преобразованный
блоком СКД, поступает на вход смесителя селектора каналов метрового диапазона
(СКМ), который при приеме каналов ДМВ выполняет функцию усилителя ПЧ. Для
телевизионных приемников без блоков ДМВ применяют конвертеры, обеспечивающие
прием и предварительное преобразование каналов дециметрового диапазона в один
из каналов метрового диапазона. При этом преобразованный сигнал подается на
вход селектора метрового диапазона (СКМ), где происходит его усиление и второе
преобразование.
Данный способ приема (рис.
4.42) определяет частоту гетеродина конвертера, которая должна быть ниже
несущей частоты изображения принятого дециметрового ТВ канала на величину
несущей изображения метрового ТВ канала (на котором будет осуществляться прием
ТВ программ дециметрового диапазона).
fr=fни(ДМВ) -
fни(МВ), (4.13)
где fни(ДМВ) - несущая частота изображения канала приема дециметрового
диапазона;
fни(МВ) - несущая частота
изображения канала приема метрового диапазона.
Конвертеры могут быть
встроены в телевизор, установлены в составе стационарного оборудования в
системе коллективного приема, либо выполнены в виде приставки - селектора
каналов дециметрового диапазона. Приставка - селектор предназначена для работы
с телевизионными приемниками метрового диапазона любого типа и класса без
дополнительной их переделки.
4.4.1. Конвертер КТК (ОТУ-3. 2)
Конвертер КТК рассчитан на
круглосуточную работу в составе оборудования телевизионного унифицированного
ОТУ-3. 2 для систем
коллективного приема телевидения СКПТ и рассчитан на селекцию, преобразование и
усиление одного из телевизионных каналов дециметрового диапазона волн в сигналы
частот канала метрового диапазона.
Параметры конвертера Коэффициент усиления на средней
частоте канала, дБ....................................... 30±5
Неравномерность АЧХ в
полосе частот канала, дБ, не более................................. 2
КСВ на входе и выходе
конвертера в полосе частот
±4МГц от средней частоты
пропускания, не более................................................ 1,
7
Избирательность по
зеркальному каналу, дБ, не менее....................................... 50
Коэффициент шума, дБ, не
более...........................................................................
12
Мощность сигнала
гетеродина, проникающего на вход конвертера,
мкВт, не
более............................................................................................................
0, 05
Напряженность поля
радиосигнала от излучения гетеродина конвертера
на расстоянии 3 м, дБ
мкВ/м. не
более.................................................................... 66
Потребляемая мощность, Вт,
не более......................................................................
1, 5
Конвертер выполнен в виде
линейки, конструкция которой позволяет использовать его в составе
унифицированного телевизионного оборудования ОТУ-3. 2.
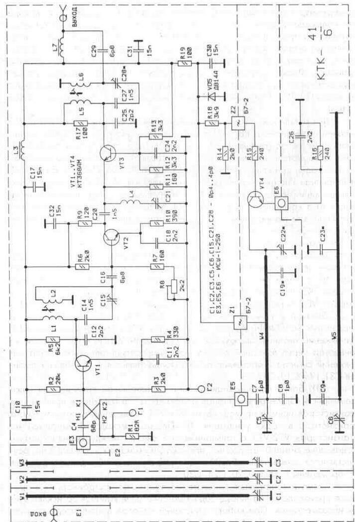
Принципиальная
электрическая схема конвертера КТК-41/6 приведена на рис. 4. 44. Конвертер состоит из трехрезонаторного
коаксиального входного фильтра (W1 W2 W3), направленного ответвителя Е4
(устройство сложения мощностей сигнала и гетеродина), смесителя на транзисторе
VT1, гетеродина на транзисторе VT4 и УПЧ на транзисторах VT2, VT3. Входной
фильтр выполнен на трех
отрезках короткозамкнутых коаксиальных линий. Высокочастотный сигнал вводится в
фильтр с помощью индуктивной петли связи Е1, которая возбуждает линию W1.
Линии фильтра представляют
собой четвертьволновые коаксиальные резонаторы с конденсаторами на открытых
концах. Длина их несколько меньше четверти длины волны, соответствующей верхней
границе дециметрового диапазона. На заданный канал резонаторы настраиваются с
помощью подстроечных конденсаторов С1 С2 СЗ, подключенных к

Рис. 4. 43. Внешний вид конвертера КТК
открытым концам линий.
Использованная конструкция позволяет настраивать фильтр на любой из каналов
диапазона 470... 638
МГц (21-41 ТВ канал).
Связь резонаторов входного фильтра
с генератором осуществляется с помощью петли связи Е2, а связь между
резонаторами - через отверстия (окна связи), прорезаннные в общих стенках
резонаторов. С выхода фильтра сигнал подается через конденсатор С4 на одно из
плеч направленного ответвителя (НО) Е4, на другое плечо которого через
конденсатор С7 поступает напряжение гетеродина. Направленный ответвитель
обладает переходным ослаблением примерно 10 дБ и выполнен в виде двух связанных
электромагнитной связью линий, намотанных на металлической трубке.
Использование НО для
сложения мощностей сигнала и гетеродина позволяет уменьшить уровень мощности
гетеродина, проникающей на вход

Рис. 4. 44. Принципиальная схема конвертера КТК-41/6
конвертера, а также
упростить процесс настройки конвертера. С выхода НО напряжения сигнала и
гетеродина подаются на вход смесителя, выполненного на транзисторе VT1.
Нагрузка смесителя представляет собой фильтр на связанных емкостной связью
контурах (первый - L1C12 выполнен в виде параллельного контура, а второй - L2C16
- в виде последовательного). Фильтр настраивается на полосу частот канала, в
которой осуществляется преобразование. С выхода смесителя сигнал поступает на
вход УПЧ (VT2 - по схеме с общим эмиттером, VT3 - по схеме с общей базой).
Для регулировки усиления
конвертера в цепь базы транзистора VT2 включен потенциометр R8. Чтобы уменьшить
мощность гетеродина, проникающую на выход конвертера, в цепь коллектора этого
транзистора включен последовательный контур L4C21, настраиваемый на частоту
гетеродина. Гетеродин выполнен на транзисторе VT4 по схеме с общей базой. Его
резонансная система состоит из двух связанных через окно связи коаксиальных
линий, одна из которых (W4) эквивалентна полуволновой линии и включена в
коллектор транзистора VT4, а другая (W5), эквивалентна четвертьволновой линии и
включена в цепь обратной связи. За счет сравнительно слабой связи линии
резонатора W5 с линией W4 и эмиттерной цепью транзистора VT4 удается получить
достаточно высокую добротность резонатора W5, что позволяет стабилизировать
частоту генерации. Для повышения стабильности собственной резонансной частоты
резонатора W5 к линии резонатора подключается конденсатор С23 с отрицательным
ТКЕ. Питание на коллектор транзистора VT4 подается со стабилитрона VD5 через
фильтр Z1, подключаемый к линии резонатора W4 в точке, близкой к узлу
напряжения. Для устранения в схеме гетеродина паразитных колебаний в базу
транзистора VT4 включен резистор R15. Напряжение питания так же, как и в
усилителях УТД и УТК, подается на конвертер через выходной высокочастотный
соединитель. Разделение напряжений сигнала и постоянного тока осуществляется с
помощью элементов С31, L7 и С10, С17, L3.
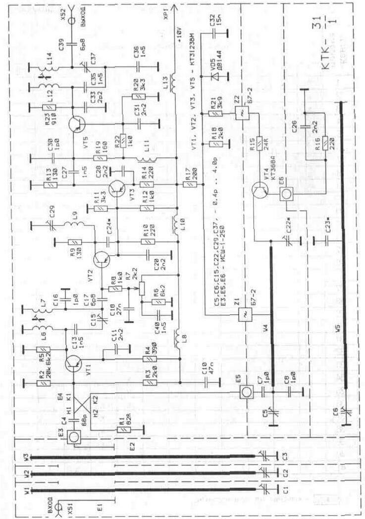
КТК более поздних
модификаций выполнены по приведенной ниже схеме (рис. 4. 45). Ее отличительная особенность заключается в
применении транзисторов прямой проводимости (VT1-VT4) и введении
дополнительного транзистора в тракт усилителя ПЧ. Первый каскад ПЧ выполнен на
транзисторах VT2-VT3 с гальванической связью между транзисторами. Подавление
сигнала гетеродина, проникающего на выход конвертера, осуществляется элементами
L9. C29. Для устранения
возбуждения усилителя ПЧ применены емкости С20, С24, СЗ0.
Схема и конструкция
конвертеров позволяют настраивать их в процессе производства на любые заданные
сочетания каналов за исключением несовместимых. При выборе сочетаний каналов в
конвертере следует учитывать данные табл. 4. 7 и 4. 8 [6. 5].

Рис. 4. 45. Принципиальная схема конвертера КТК-31/1
Таблица
4. 7. Ограничения при
выборе сочетаний каналов

Таблица
4. 8. Ограничения,
накладываемые наличием взаимных помех в условиях многопрограммного вещания

4.4.2. Приставка - селектор каналов дециметрового
диапазона ПСКД-5-1 («Калуга», «Орбита», «Ростов-Дон», «Хмельницкий»)
Технические характеристики
Диапазон принимаемых
частот, МГц........................................................... 470... 640
Вход приставки, (Rвх = 75
Ом).....................................................................
несимметричный
Коэффициент передачи по
напряжению, дБ
на f= 470
МГц.............................................................................................
0
на f = 640
МГц..............................................................................................
+ б
Потребляемая мощность, Вт,
не более....................................................... 5

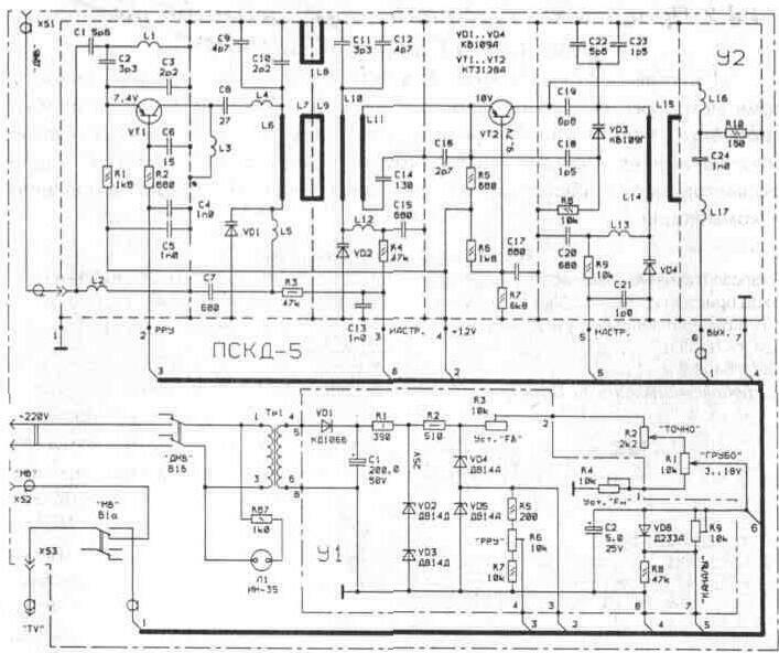
Приставка предназначена для
приема сигналов дециметрового диапазона (21 -41) и преобразования их в сигналы
метрового диапазона 1 или 2 каналы. Конструктивно приставка выполнена в виде
функционально законченной конструкции, внутри которой расположен сетевой
трансформатор, блок
стабилизации У1, блок радиотракта У2, органы управления и коммутации. Сетевое
напряжение на блок ПСКД-5-1 (рис. 4. 47) поступает с переключателя В 16, при этом переключатель
В1а коммутирует сигнал с выхода
конвертера на антенное
гнездо XS3 (ТВ). Блок радиотракта У2 (конвертер) содержит два каскада - УРЧ
(усилитель радиочастоты) и преобразователь частоты. На входе УРЧ включен фильтр
верхних частот (ФВЧ) L1C1L2C2; обеспечивающий подавление частот сигналов
метрового диапазона. Конденсатор СЗ улучшает согласование усилителя
радиочастоты с ФВЧ. УРЧ собран на высокочастотном транзисторе VT1 по схеме с
общей базой, что обеспечивает хорошее согласование с волновым сопротивлением
антенны (75 Ом). Коллекторной нагрузкой VT1 является двухконтурный полосовой
фильтр, состоящий из полуволновых коаксиальных линий L6, L 10, укороченных
емкостями С9, С 10, С 11, С 12 на одном конце линии и емкостями варикапов VD1,
VD2 на другом. Связь между контурами обеспечивается короткозамкнутой петлей L8,
помещенной в щели металлической перегородки между 2-й и 3-й секциями. Такая
связь эквивалентна индуктивной связи между катушками двух контуров. Перестройка
полосового фильтра по диапазону частот обеспечивается подачей напряжения
смещения на варикапы по цепи R3, L5, R4,L12 с контакта 3 (Uн). Элементами
настройки в низкочастотном конце диапазона служат короткозамкнутые петли связи
L7, L9. Усиление УРЧ регулируется путем изменения напряжения «РРУ»,
поступающего на базу транзистора VT1 через R2 с контакта 2. Преобразователь
собран на транзисторе VT2 по схеме с общей базой. В этой схеме совмещены
смеситель и гетеродин конвертера. Напряжение, выделенное в полосовом фильтре
через петлю связи L11, поступает на эмиттер VT2. Коллекторная цепь транзистора
VT2 через конденсатор С19 нагружена гетеродинным контуром, выполненным в виде
полуволновой линии L14, укороченной емкостями С22, С23 с одной стороны и
емкостью варикапа VD4 (служащего для перестройки контура по диапазону частот) и
фильтром НЧ - L16L17C24 — с другой. Короткозамкнутая петля L15 служит для
подстройки контура гетеродина на нижнем конце диапазона. Емкость С18 и емкость
варикапа VD3 обеспечивают требуемую величину обратной связи при перестройке по
диапазону.
Перестройка величины
обратной связи и частоты гетеродина по диапазону обеспечивается подачей
напряжения смещения на варикапы VD3, VD4 по цепи R9, L13 с контакта 5 (Uн). В
результате биений между напряжениями частот принятого сигнала канала ДМВ и
гетеродина конвертера на выходе фильтра НЧ возникают преобразованные напряжения
промежуточных частот изображения и звукового сопровождения с частотами 1-го
(2-го) ТВ канала. Путем изменения напряжения на контакте 5 происходит
перестройка выхода конвертера на 1-й (2-й) ТВ канал.
Конвертер собран на
печатной плате, на которой кроме радиоэлементов установлены перегородки
коаксиальных контуров L6, L10, L14. Печатная плата с монтажом устанавливается в
металлическую рамку и закрывается двумя металлическими крышками.

Рис. 4. 47. Принципиальная схема блока
ПСКД-5-1 Блок стабилизации У1 содержит однополупериодный выпрямитель на VD1,
фильтр питания С1, два параметрических стабилизатора R1, VD2, VD3 (25±2В), и
R2, VD4, VD5 (20±2В). Напряжение питания конвертера (10В) подается на контакт 4
с точки соединения стабилитронов VD4 и VD5. С делителя напряжения R5, R6, R7
(контакт 4 У1) снимается напряжение для ручной регулировки усиления «РРУ».
Диапазон приема FB и FH устанавливается регулировкой напряжения резисторами R3,
R4. Напряжение точной (R2) и грубой (R1) настройки подается на контакт 3 (Uн)
конвертера с контакта 6 блока стабилизации. Путем изменения напряжения на
контакте 5 подстраивается выход конвертера на 1-й (2-й) телевизионный канал. С
делителя R8, R9 (У1) на контакт 5 конвертера подается напряжение для
перестройки частоты гетеродина. При переводе резистора R9 в крайнее правое
положение напряжение на варикапе VD4 уменьшается, при этом емкость варикапа
увеличивается, что приводит к снижению частоты гетеродина и преобразованию
принимаемых каналов на второй ТВ канал. При переводе резистора R9 в крайнее
левое положение принятые каналы ДМВ преобразовываются в первый телевизионный
канал.
4.4.3. Приставка - селектор каналов дециметрового
диапазона ПСКД-6 (ПСКД-6М)
Приставка предназначена для
работы с телевизионными приемниками метрового диапазона любого типа и класса
без дополнительной их переделки. Конструктивно приставка выполнена в виде
функционально законченной конструкции, внутри которой расположены сетевой
трансформатор, блок стабилизации А2, блок радиотракта А1, органы управления и
коммутации.
Технические характеристики
Диапазон принимаемых
частот............................................ 470... 640 МГц (каналы 21-41)
Вход приставки, (Rвх = 75
Ом).............................................. несимметричный
Коэффициент передачи по
напряжению, дБ
на f =470
МГц.......................................................................
О
на f= 640
МГц......................................................................+
6
Потребляемая мощность, Вт,
не более................................ 5

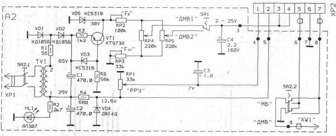
Блок радиотракта
(конвертер) А1 содержит два каскада — усилитель радиочастоты (УРЧ) VT1 и
преобразователь VT2, выполненные
на высокочастотных транзисторах КТ346А (рис. 4. 49). Телевизионный сигнал через разъем XS1 (вход ДМВ)
поступает на входную цепь
конвертера. Входная цепь
выполнена в виде фильтра верхних частот L1C1L2C2, который обеспечивает
подавление сигналов с частотами, расположенными ниже диапазона ДМВ. Конденсатор
С4 служит для частичной компенсации реактивной составляющей входного
сопротивления транзистора VT1 и улучшения согласования. УРЧ выполнен по схеме с
общей базой, что позволяет обеспечить хорошее согласование с волновым
сопротивлением антенного кабеля (75 Ом) во всей полосе рабочих частот.
Коллекторная цепь транзистора нагружена двухконтурным полосовым фильтром,
состоящим из полуволновых коаксиальных линий L6 и L10, укороченных емкостями
С8, С 10, С 12, С 14 на одном конце линии и емкостями варикапов VD1, VD2 — на
другом.
Перестройка ПФ по диапазону
частот осуществляется изменением напряжения смещения на варикапах VD1, VD2, которое поступает с контакта 3
разъема XS3 через R3, R4. Элементами настройки в нижнем конце диапазона служат
короткозамкнутые петли связи L5, L8, а в верхнем конце - индуктивности L4, L12.
Связь между контурами полосового фильтра осуществляется петлями связи L7, L9.
Регулировка усиления производится путем изменения напряжения «РРУ»,
поступающего с контакта 1 разъема XS3


Рис. 4. 50. Принципиальная схема блока питания и управления ПСКД-6М
на базу VT1 через резистор
развязки R2. Преобразователь частоты выполнен по схеме с ОБ на транзисторе VT2.
Связь с полосовым фильтром УРЧ обеспечивается петлей связи L11. Коллекторная
цепь преобразователя через емкость С22 нагружена гетеродинным контуром в виде
полуволновой линии L15 (укороченной конденсаторами С24, С21 и емкостью варикапа
VD3, служащего для перестройки контура по диапазону частот) и полосовым
фильтром С25П7.
Индуктивность L16 служит для
развязки по высокой частоте между контуром гетеродина и полосовым фильтром.
Короткозамкнутая петля L14 служит для корректировки частоты гетеродина на
нижних каналах ДМВ, а L13 - на верхних. Емкость С18 и емкость варикапа VD4
обеспечивают требуемую величину обратной связи при перестройке по диапазону.
Напряжение смещения варикапов VD3, VD4 поступает с контакта 4 разъема XS3 через резистор R9.
Температурная стабилизация
частоты гетерадина зависит от ТКЕ конденсаторов С18, С21, С24 и стабильности
параметров VD4. В результате биений между частотой принятого сигнала и частотой
гетеродина на выходе фильтра C25L17 образуются преобразованные сигналы несущей
частоты изображения и звука первого ТВ канала. Преобразованный сигнал с
контакта 5 разъема XS3 поступает на блок А2. Сетевое напряжение с переключателя
SA2. 1 поступает на
понижающий трансформатор TV1, при этом переключатель SA2. 2 коммутирует выходной сигнал
конвертера (контакт 5 ХР2) через антенную вилку XW1 на вход телевизора.
Для получения напряжения
питания применена схема с удвоением напряжения на элементах VD1, VD2, С1, С2,
R1. На элементах VT1, R3, R6, R8, VD3, VD5 выполнен параметрический
стабилизатор, к которому подключен делитель напряжения RP2, RP3, RP4, RP5.
Регулировкой RP2 (Fв), RP3 (Fн) устанавливают верхнюю и нижнюю границы приема
каналов, а настройкой RP4, RP5 — канал приема. Переключатель SA1 (ДМВ1-ДМВ2)
осуществляет выбор предварительно настроенного ТВ канала. Напряжение питания
(12В) конвертера снимается с параметрического стабилизатора VD4 R4. Напряжение
ручной регулировки усиления «РРУ» устанавливается резистором RP1. Емкости С2,
С4 - фильтрующие. Контроль включения питания блока ПСКД-6 осуществляет
светодиодный индикатор НП.
4.4.3. Приставка - селектор каналов дециметрового
диапазона ПСКД-6 (ПСКД-6М)
Приставка предназначена для
работы с телевизионными приемниками метрового диапазона любого типа и класса
без дополнительной их переделки. Конструктивно приставка выполнена в виде
функционально законченной конструкции, внутри которой расположены сетевой
трансформатор, блок стабилизации А2, блок радиотракта А1, органы управления и
коммутации.
Технические характеристики
Диапазон принимаемых
частот............................................ 470... 640 МГц (каналы 21-41)
Вход приставки, (Rвх = 75
Ом).............................................. несимметричный
Коэффициент передачи по
напряжению, дБ
на f =470
МГц.......................................................................
О
на f= 640 МГц......................................................................+
6
Потребляемая мощность, Вт,
не более................................ 5

Блок радиотракта
(конвертер) А1 содержит два каскада — усилитель радиочастоты (УРЧ) VT1 и
преобразователь VT2, выполненные
на высокочастотных транзисторах КТ346А (рис. 4. 49). Телевизионный сигнал через разъем XS1 (вход ДМВ)
поступает на входную цепь
конвертера. Входная цепь
выполнена в виде фильтра верхних частот L1C1L2C2, который обеспечивает
подавление сигналов с частотами, расположенными ниже диапазона ДМВ. Конденсатор
С4 служит для частичной компенсации реактивной составляющей входного
сопротивления транзистора VT1 и улучшения согласования. УРЧ выполнен по схеме с
общей базой, что позволяет обеспечить хорошее согласование с волновым
сопротивлением антенного кабеля (75 Ом) во всей полосе рабочих частот.
Коллекторная цепь транзистора нагружена двухконтурным полосовым фильтром,
состоящим из полуволновых коаксиальных линий L6 и L10, укороченных емкостями
С8, С 10, С 12, С 14 на одном конце линии и емкостями варикапов VD1, VD2 — на
другом.
Перестройка ПФ по диапазону
частот осуществляется изменением напряжения смещения на варикапах VD1, VD2, которое поступает с контакта 3
разъема XS3 через R3, R4. Элементами настройки в нижнем конце диапазона служат
короткозамкнутые петли связи L5, L8, а в верхнем конце - индуктивности L4, L12.
Связь между контурами полосового фильтра осуществляется петлями связи L7, L9.
Регулировка усиления производится путем изменения напряжения «РРУ»,
поступающего с контакта 1 разъема XS3


Рис. 4. 50. Принципиальная схема блока питания и управления ПСКД-6М
4. 4. 4. Приставка - селектор каналов дециметрового диапазона
ПСКД-7 (ПСКД-7-1)
Технические
характеристики
Диапазон принимаемых
частот,
для
ПСКД-7-1..............................................................................
470... 640 МГц
для ПСКД-7
.................................................................................
470...790 МГц
Вход приставки, (Рю = 75
Ом).......................................................................
несимметричный
Коэффициент передачи по
напряжению ....................................................... 0...
10 дБ
Потребляемая мощность,
Вт, не более......................................................... 5

Рис.
4. 51. Внешний вид ПСКД-7
(ПСКД-7-1)
Схемотехническое построение
блока А1 приставки «Умань» подобно ПСКД-6. 1, различие заключается в блоке стабилизации А2 (рис. 4.
526).
В данной приставке
применено четыре переключателя S2. 1 - S2. 4 и четыре резистора настройки R9 - R 12 (выведенные на заднюю панель
приставки), позволяющие произвести предварительную настройку на четыре
телевизионных канала в диапазоне ДМВ.