4.
2. Антенные усилители
При значительном удалении от
телевизионного центра или недостаточной величине принимаемого сигнала (даже при
использовании антенн с большим коэффициентом усиления) для обеспечения
уверенного приема желательно применить антенный усилитель.
Приобретая антенный
усилитель, следует обратить внимание на возможность его установки рядом с
антенной или на самой антенне. Установленный рядом с телевизором, антенный
усилитель не способен в полной мере повысить качество приема ТВ программ. Он в
одинаковой степени усиливает как ТВ сигнал, так и внешние шумы: при большом
уровне шума и значительной длине фидерной линии качественный просмотр
телепередач будет невозможен.
Принятый антенной слабый
сигнал, пройдя по фидеру, еще более уменьшится и будет иметь недостаточный
уровень. Шумы при этом могут достигнуть значительной величины. Поэтому
устанавливать усилитель нужно как можно ближе к антенне.
4. 2. 1. Оборудование телевизионное унифицированное (ОТУ-2. 2)
Оборудование телевизионное
унифицированное ОТУ-2. 2
используется для работы в системах коллективного приема телевидения (СКПТ). Оно
обеспечивает усиление на телевизионных каналах в метровом диапазоне волн и
рассчитано для круглосуточной работы на лестничных клетках, в подъездах (в
антенных шкафах или непосредственно на стене).
В состав оборудования
входят:
- сборочный корпус с
фильтром сложения КС-2;
- усилители УТД-I-II,
УТД-III;
- блок питания БПС-5
(БПС-3.2).
В зависимости от варианта
исполнения в состав оборудования входят один либо два усилителя:
ОТУ-2.2.1:
УТД-I-II...................... 48,5 - 100 МГц;
ОТУ-2.2.2:
УТД-III....................... 174 - 230 МГц;
ОТУ-2.2.3: УТД-I-II и УТД-III.... 48,5-100 МГц и 174-230
МГц.

Рис. 4.9. Внешний вид ОТУ-2.2
Основные
технические характеристики ОТУ-2. 2:
Коэффициент усиления, дБ, не
менее....................................................................... 25
Неравномерность частотной
характеристики, дБ, не более, в полосах частот:
каждого из усиливаемых
каналов............................................................................
1
каждого из усиливаемых
диапазонов......................................................................
3
КБВ со стороны входов и
выходов оборудования, не менее.................................. 0, 5
Коэффициент шума, дБ, не более.............................................................................
9
Выходное напряжение
(максимальное) каждого из двух сигналов, поданных на ВХОД I (1-5 к) или ВХОД II
(6-12 к) оборудования, при коэффициенте перекрестной модуляции-46 дБ, мВ, не
менее.................................................... 200
Потребляемая мощность от
сети переменного тока при номинальном напряжении 220 В, Вт, не
более....................................................... 8
Усилители УТД-I-II и
УТД-III предназначены для работы в составе оборудования ОТУ. Конструктивно они
выполнены однотипно и различаются только маркировкой.
Принципиальная схема
усилителя УТД-I-II, предназначенного для усиления телевизионных каналов в I -
II диапазоне метровых волн, приведена на рис. 4. 10. Усилитель выполнен по трехкаскадной схеме на транзисторах VT1-VT3
(КТ-368А). Первый каскад выполнен по схеме с общим эмиттером, второй и третий —
по схеме с общей базой. Режимы транзисторов по постоянному току определяют
элементы R2R3, R7R8, R12R13. В качестве согласующих цепей в усилителях
применены полосовые фильтры. Входная цепь C1L1L2C2 обеспечивает согласование
входного сопротивления первого каскада усилителя с волновым сопротивлением
антенны. Коррекцию завала АЧХ на верхних усиливаемых частотах осуществляет
межкаскадный фильтр L3C9L4C10.
Таблица
4. 1. Данные катушек индуктивности
УГД-I-II
|
Обозначение по схеме
|
Количество витков |
Марка провода и диаметр,
мм |
Индуктивн., мкГн |
|
LI |
7, 5 |
ПЭВ-1, 0, 8 |
0, 33 |
|
L2 |
5, 5 |
ПЭВ -1, 0, 8 |
0, 2 |
|
L3 |
4, 5 |
ПЭВ -1, 0, 8 |
0, 33 |
|
L4 |
4, 5 |
ПЭВ -1, 0, 8 |
0, 31 |
|
L6 |
7, 5 |
ПЭВ - 1. 0, 8 |
0, 44 |
|
L7 |
7, 5 |
ПЭВ -1, 0, 8 |
0, 39 |
Согласование выхода усилителя
со входом устройства сложения сигналов (УСС) осуществляет выходной полосовой
фильтр L6C13L7C14. Напряжение питания на усилитель подают с выходного
высокочастотного соединителя через L8C12L5C8C4.
Усилитель УТД-Ш
предназначен для усиления телевизионных каналов в III диапазоне метровых волн.
Принципиальная схема приведена на рис. 4. 12.
Схема усилителя выполнена на транзисторах КТ-368А. Первый и третий каскад
выполнены по схеме с общим эмиттером, второй и четвертый — по схеме с общей базой.
Режимы транзисторов по простоянному току определяют элементы R1R2, R6R7, R9R10,
R14R15. Входная цепь C1L1L2L3C2 обеспечивает согласование входного
сопротивления первого каскада усилителя с волновым сопротивлением антенны.
Настройка на оптимальное согласование осуществляется емкостями С1, С2.
Коррекцию завала АЧХ на верхних усиливаемых частотах обеспечивает межкаскадный
фильтр L4L5L7C11. Полосовой фильтр L10L8L9C18 осуществляет согласование выхода
усилителя со входом фильтра сложения сигналов.
Таблица
4. 2. Данные катушек индуктивности
УТД-111
|
Обозначение по схеме
|
Количество витков |
Марка провода и
диаметр,мм |
Индуктивн., мкГн |
|
L1 |
3,5 |
ПЭВ - I, 0,8 |
0,096 |
|
L2 |
2,5 |
ПЭВ-I, 0,8 |
0,055 |
|
L3 |
2,5 |
ПЭВ - I, 0,8 |
0,068 |
|
L4 |
3,5 |
ПЭВ-I, 0,8 |
0,048 |
|
L5 |
2,5 |
ПЭВ -1, 0,8 |
0,03 |
|
L7 |
1,5 |
ПЭВ - I, 0,8 |
0,078 |
|
L8 |
4,5 |
ПЭВ-I, 0,8 |
0,044 |
|
L9 |
1,5 |
ПЭВ - I, 0,8 |
0,045 |
|
L10 |
3,5 |
ПЭВ - I, 0,8 |
0,072 |
Катушки индуктивностей
полосовых фильтров выполнены проводом ПЭВ -1-0, 8 без каркасов. Необходимое значение индуктивности
достигается путем изменения расстояния между витками при регулировке
усилителей.
Напряжение питания на
усилитель подают с выходного высокочастотного соединителя через L
11С12C16C17L6C3C7C9.
Выходы усилителей УТД-1-11
и УТД-111 соединены со входами устройства сложения сигналов (рис. 4.12). УСС
состоит из фильтров верхних C1L2C3L4C4 и нижних частот L1C2L3C5L5C6. Устройство
сложения сигналов обеспечивает развязку между усилителями разных диапазонов (не
менее 20 дБ), внося незначительные потери на рабочих частотах (не более 0,5
дБ).

Рис.
4.12. Схема устройства сложения сигналов Таблица 4.3. Данные катушек
индуктивности фильтра сложения.
|
Обозначение по схеме
|
Количество витков |
Марка провода и диаметр,
мм |
Индуктивн., мкГн |
|
L1 |
5 |
ПЭВ-I, 0,8 |
0,13 |
|
L2 |
2,5 |
ПЭВ -1, 0,8 |
0,05 |
|
L3 |
5 |
ПЭВ-I, 0,8 |
0,118 |
|
L4 |
6 |
ПЭВ-I, 0,8 |
0,16 |
|
L5 |
4 |
ПЭВ-I, 0,8 |
0,102 |
Блок питания БПС-5 выполнен
в виде съемного функционально законченного узла. На металлическом основании
закреплены сетевой трансформатор, плата выпрямителя и стабилизатора, регулирующий
транзистор с радиатором охлаждения и держатель предохранителя.
Таблица
4.4. Моточные данные силового трансформатора БПС-5
|
Марка провода |
ПЭВ-1 |
ПЭВ- 1 |
|
Диаметр по меди |
0,12 |
0,44 |
|
Число витков |
4100 |
380 |
|
Отвод от витков |
2370 |
- |
|
Тип намотки |
виток к витку |
виток к витку |
|
Направление намотки
|
в одну сторону |
в одну сторону |
|
Изоляция между слоями
|
КТ-50,1 слой |
КТ-50, 1 слой |
|
Изоляция сверху обмотки
|
К-120, в 2 слоя |
К-120, в 2 слоя |
|
Порядок намотки |
первичная |
вторичная |
Принципиальная схема БПС-5,
приведенная на рис. 4.13, выполнена по традиционной схеме параметрического
стабилизатора с регулирующим транзистором.

Рис. 4.13. Принципиальная схема БПС-5
В более поздних выпусках
оборудования применяется блок питания БПС 3.2 (рис.4.14).
Основные
технические характеристики
Выходное напряжение, В
...........................................................................................
10±0,4
Предельно допустимый ток
нагрузки, А, не менее .................................................. 0,3
Пульсация выходного
напряжения,
мВ................................................................... 2
Мощность, потребляемая от
сети, Вт, не более ........................................................ 11
В схеме блока питания
предусмотрена защита от коротких замыканий и перегрузок, которая срабатывает
если ток нагрузки превышает предельно допустимое значение на 100% . В
нормальном режиме стабилизатора увеличение тока нагрузки ведет к увеличению
тока эмиттера транзистора VT2 и к уменьшению тока через стабилитрон Д814А.
Суммарный ток эмиттера VT2 плюс ток стабилитрона с увеличением тока
нагрузки уменьшается. В этом режиме при колебаниях
напряжения на нагрузке в цепь база-эмиттер транзистора VT2 поступает напряжение
с полярностью, соответствующей отрицательной обратной связи. При возникновении
перегрузки ток через стабилитрон прекращается, что эквивалентно разрыву
образуемого стабилитроном плеча моста. Вследствие этого полярность напряжения
на базе транзистора VT2 меняется на обратную, обратная связь становится
положительной и транзисторы закрываются. Для перевода схемы в режим
стабилизации необходимо выключить БПС 3.2 с последующим включением после
устранения причин, вызвавших перегрузку.

Рис. 4.10. Принципиальная схема усилителя УТД-I-II

Рис. 4.11. Принципиальная схема УТД-III
Таблица 4.5. Моточные данные силового трансформатора БПС 3.2
|
Номер обмоток по схеме |
Сердечник |
Число витков |
Провод |
|
la |
ШЛ 16х16, ленточный |
1700 |
ПЭВ-1, 0 0,23 |
|
1б |
ШЛ 16х16, ленточный |
1300 |
ПЭВ-1, 00,2 |
|
II |
ШЛ 16х16, ленточный |
270 |
ПЭВ-1, 0 0,55 |

4.2.2. Оборудование телевизионное унифицированное (ОТУ-3. 2)
Оборудование телевизионное
унифицированное ОТУ-3. 2
используется для работы в системах коллективного приема телевидения СКПТ и обеспечивает
возможность приема программ метрового и дециметрового диапазонов (с
использованием конвертера КТК). Оборудование рассчитано на круглосуточную
работу на лестничных клетках, подъездах (в антенных
шкафах или непосредственно на стене).

Рис. 4.15. Внешний вид ОТУ-3.2
Основные
технические характеристики
Коэффициент усиления по
каждому входу при комплектации:
конвертерами КТК, дБ, не
менее ................................................................ 24
усилителями УТК 1-5 канала,
дБ, не менее ............................................... 34
усилителями УТК 6-12
канала, дБ, не менее............................................. 29
усилителями УТД, дБ, не менее
.................................................................. 25
Неравномерность АЧХ в
полосе частот каждого из
усиливаемых каналов, дБ, не
более ....................................................................... 2
КСВ оборудования со стороны
входов, не более................................................... 2
Коэффициент шума, дБ,
в I-II диапазоне 48,5— 100 МГц, не
более................................................. 8
в III диапазоне 174 — 230 МГц, не
более................................................... 9
Максимальный выходной
уровень усиления ТВ каналов, дБ/мкВ, не менее ........ 106
Мощность, потребляемая от
сети переменного тока
при номинальном напряжении
220 В, Вт, не более................................................... 12
Максимальное число
устанавливаемых конвертеров и усилителей
при комплектации
оборудования:
корпусом КС-3, не более
..............................................................................
3
корпусом КС-4, не более
..............................................................................
4
Усилители УТД-I-II, УТД-III
УТК-1 (2....12) по конструкции выполнены однотипно и внешне различаются по
маркировке. Принципиальные схемы усилителей УТД-I-II и УТД-III аналогичны
применяемым в ОТУ 2. 2
и описаны в
разд. 4. 2. 1. Описание и принципиальная схема конвертера КТК приведены
в разд. 4. 4. 1.
Схема типового канального
усилителя УТК-1 (2..
12) приведена на рис. 4.
16. По этой схеме выполняются
усилители на любой из двенадцати ТВ каналов. УТК имеют различные по величине
значения элементов (табл. 4. 6) в зависимости от канала усиления.
Таблица 4. 6. Число витков катушек и емкости конденсаторов
транзисторных антенных усилителей УТК
|
Обозначение по схеме
|
Единица |
Число витков катушек и
емкость конденсаторов для |
ТВ - |
кана ла |
|
||||||||
|
измерения |
1 |
2 |
3 |
4 |
5 |
6 |
7 |
8 |
9 |
10 |
11 |
12 |
|
|
L1 |
витки |
7 |
7 |
7 |
7 |
6, 5 |
5 |
4, 5 |
4, 5 |
4 |
4 |
4 |
4 |
|
L2 |
витки |
7 |
7 |
7 |
7 |
6, 5 |
5 |
4, 5 |
4 |
4 |
3, 5 |
3, 5 |
3, 5 |
|
L3 |
витки |
6, 5 |
6, 5 |
6 |
6 |
5, 5 |
3, 5 |
3, 5 |
3 |
3 |
2. 5 |
2, 5 |
2, 5 |
|
L4 |
витки |
8 |
8 |
7 |
7 |
7 |
5, 5 |
4. 5 |
4, 5 |
•4 |
4 |
4 |
4 |
|
L5 |
витки |
6, 5 |
6, 5 |
6 |
6 |
5, 5 |
3, 5 |
3, 5 |
3 |
3 |
2, 5 |
2, 5 |
2, 5 |
|
L6 |
витки |
8 |
8 |
7 |
7 |
7 |
5, 5 |
4, 5 |
4, 5 |
4 |
4 |
4 |
4 |
|
С1 |
пФ |
15 |
10 |
6, 8 |
4, 7 |
4, 3 |
2 |
2 |
1, 6 |
1, 8 |
1. 6 |
1. 6 |
1, 5 |
|
С2 |
пФ |
22 |
15 |
6, 8 |
5, 6 |
5, 6 |
2, 2 |
2. 2 |
2 |
2 |
2, 4 |
1, 6 |
1, 6 |
|
С7 |
пФ |
15 |
9, 1 |
5, 1 |
4, 7 |
3, 6 |
1, 8 |
1, 6 |
1, 4 |
1, 2 |
2, 2 |
1, 3 |
1 |
|
С8 |
пФ |
18 |
6, 2 |
5. 1 |
4, 7 |
3, 6 |
1, 3 |
1, 6 |
1. 5 |
1, 8 |
1, 6 |
1, 3 |
1, 3 |
|
С13 |
пФ |
18 |
9, 1 |
6, 2 |
4. 7 |
3, 6 |
1, 8 |
1, 6 |
1, 4 |
1, 2 |
2, 2 |
1, 3 |
1 |
|
С14 |
пФ |
12 |
7, 5 |
6, 8 |
4, 7 |
3, 6 |
1, 5 |
2 |
2 |
1, 8 |
1, 6 |
1, 6 |
1, 6 |
|
С17, С18, С19 |
пФ |
2, 4 |
2, 4 |
- |
|
|
|
- |
- |
- |
- |
- |
|
Примечание: Все катушки индуктивности намотаны
проводом ПЭВ 0, 47 на
каркасах из органического стекла с шагом нарезанных спиральных канавок 0,
5 мм. Для 1 - 5 каналов диаметр каркаса—10
мм, для 6- 12каналов—8мм.
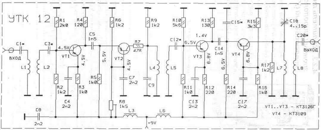
Канальный усилитель
выполнен по четырехкаскадной схеме на транзисторах ГТ 313Б (в более поздних
модификациях усилителей используются другие транзисторы). Первый и третий
каскады выполнены по схеме с общим эмиттером, второй и четвертый — по схеме с
общей базой. Режимы транзисторов по постоянному току определяют элементы R1,
R2, R3, R4, R8, R9, R12, R13, R17, R18. Изменением тока транзистора VT1 с
помощью потенциометра R4 регулируется величина выходного сигнала усилителя.
Полосу усиления заданного канала настраивают с помощью контуров полосовых
фильтров C1L1L2C3, С9L3L4СП, C16L5L6C18. Емкости С2, С10, С17 используются для
обеспечения необходимой связи между контурами в усилителях УТК-1 и УТК-2.
Контура C1L1, L2C3, L4C11, L6C18 выполнены по последовательной схеме, а C9L3,
C16L5 — по параллельной схеме. Включение контуров полосового фильтра
параллельно и последовательно позволяет согласовывать высокое выходное
сопротивление транзистора предыдущего каскада с низким входным сопротивлением
транзистора следующего каскада, либо волновым сопротивлением кабеля на выходе
усилителя. Напряжение питания на усилитель подают с выходного высокочастотного
соединителя черезL7С15, R11С8.
Электрические
параметры усилителей канальных УТК
Параметры усилителей для ТВ
каналов.............................................................. 1...
5.. 6... 12
Коэффициент усиления на
средней частоте канала, дБ, не менее..................... 34...... 29
Неравномерность частотной
характеристики в полосе частот канала,
дБ, не
более...........................................................................................................
1, 5...... 1, 5
КСВ в полосе частот канала,
не более................................................................. 1,
7...... 1, 7
Коэффициент шума, дБ,
не
более..........................................................................
5......... 9
Избирательность при
расстройке на 18 МГц от границ полосы
усиливаемого сигнала, дБ,
не менее...................................................................
20...... 20
Максимальный выходной
уровень в ТВ канале, дБ/мкВ, не менее................. 110.... 103
Потребляемая мощность, Вт,
не более..................................................................
1......... 1

Рис. 4. 17. Внешний вид усилительной линейки УТК
Все рассмотренные
устройства предназначены для совместной работы в едином сборочном корпусе в
сочетаниях, определяемых конкретны ми условиями. Устройства питаются от общего
источника, входящего в состав оборудования. Поскольку напряжение питания
подается к усилителям и конвертерам через выходной высокочастотный соединитель,
в сборочном корпусе предусматривается включение элементов, обеспечивающих
разделение постоянного тока и тока высокой частоты.
Блок питания в OTУ 3.
2, укомплектованный корпусом
КС-4, выполнен по опрощенной схеме на одном транзисторе. Конструктивно сетевое
трансформатор и плата стабилизатора установлены на корпусе КС-4.

Принципиальная
электрическая схема соединений ОТУ 3. 2 при комплектации корпусом КС-3 приведена на рис. 4.
18, при комплектации корпусом
КС-4 на рис. 4. 19.

Отличия канальных
усилителей последних лет выпуска (рис. 4. 20,
4. 21) заключаются в
применении более высокочастотных транзисторов и незначительных изменений в
схеме.

Рис. 4. 21. Принципиальная схема УТК-12

Рис. 4.16. Принципиальная схема УТК-1 (2...12)

Рис. 4.20. Принципиальная схема УТК-3

4. 2. 3. Усилитель
телевизионный широкополосный коллективный (УТШК)
Антенный усилитель (УТШК)
предназначен для усиления телевизи онных сигналов, принятых антеннами
коллективного пользования метро вого диапазона, и рассчитан на круглосуточную
работу от сети переменного тока частотой 50 Гц, напряжением 127 ±15% или 220В
±20%.
Рис. 4. 22. Внешний вид усилителя УТШК
Основные технические характеристики УТШК
Параметры усилителя для
диапазонов....................................................................
I-II....... Ill
Коэффициент усиления, дБ,
не менее.....................................................................
25....... 25
Неравномерность АЧХ, дБ, не
более........................................................................
2......... 3
КСВ со стороны входа, не
более.............................................................................
1, 8....... 2
Коэффициент шума, дБ, не
более............................................................................
8......... 9
Максимальный выходной
уровень в ТВ канале, дБ/мкВ, не менее..................... 110..... 106
Потребляемая мощность от
сети переменного тока при номинальном напряжении 220 В, Вт, не
более............................................................... 8
Конструктивно усилитель
выполнен в металлическом корпусе, разделенном двумя перегородками. В
центральном отсеке расположены сетевой трансформатор, плата стабилизатора (УЗ)
и устройство сложения сигналов (У4), в боковых отсеках установлении линейки
усилителей УТД-I-II (У1) и УТД-III (У2). Входы антенн и общий выход расположены
с противоположных сторон корпуса. Схема линейки усилителя У1 приведена на рис
4. 23. Описание
принципиальной схемы аналогично усилителю УТД-111, применяемому в ОТУ, за
исключением некоторых элементов и их обозначений.
Схема линейки У2 приведена
на рис. 4. 24. Отличительной особенностью
принципиальной схемы линейки У2 от усилителя УТД-III, применяемого в ОТУ,
является исполнение оконечного каскада на двух транзисторах VT4, VT5 с
параллельным включением по выходу, что повышает нагрузочную способность
усилителя.
Стабилизатор УЗ (рис.
4. 25) выполнен на транзисторах VT1,
VT2. Выходной транзистор стабилизатора VT1 (для отвода тепла) установлен на
корпусе усилителя.

Рис. 4. 23. Принципиальная схема линейки У1 (УТШК)

Рис. 4. 24. Принципиальная схема линейки У2 (УТШК)

Рис. 4. 25. Принципиальная схема блока питания УТШК
Выходы линеек усилителей
соединены со входом платы У4 - устройства сложения сигналов (УСС). Устройство
сложения сигналов (рис. 4.
26) представляет собой фильтр
верхних (L2, C2,
C4, L4, C6) и нижних частот (C1, L1, C3, L3, C5, L5). УСС обеспечивает развязку между
линейками усилителей разных диапазонов (не менее 20 дБ), внося незначительные
потери на рабочих частотах (не более 0, 5 дБ). Корректировка АЧХ в III диапазоне производится
подстройкой емкостей С4 (У4) и С19 (У2).

Рис. 4. 26. Принципиальная схема блока фильтра УТШК