3.3.
Наружные телевизионные антенны
Согласно ГОСТу [3. 1],
условное обозначение отечественных антенн начинается с букв:
AT — антенна телевизионная;
ТРЕТЬЯ БУКВА указывает назначение антенны (К
- коллективная,
И — индивидуальная);
ЧЕТВЕРТАЯ БУКВА указывает на исполнение (Г — для
горизонтальной поляризации сигнала, Г/В — комбинированное исполнение,
Г (В) — альтернативное исполнение);
ПЕРВАЯ ЦИФРА после букв обозначает тип антенны,
который подразделяется в зависимости от числа принимаемых ТВ каналов или
диапазонов частот (1 — одноканальные антенны, работающие в полосе частот
одного ТВ канала, расположенного в l, lI или III диапазоне частот;
2 — многоканальные
антенны, работающие в полосах частот двух или нескольких каналов; 3 —
широкополосные антенны, работающие в I и II диапазоне частот; 4 —
широкополосные антенны, работающие в III диапазоне частот; 5 — широкополосные
антенны, работающие в IV и V диапазоне частот; 6 — широкополосные антенны,
работающие в I-III диапазонах частот; 7 — широкополосные антенны, работающие во
всех диапазонах).
ВТОРАЯ ЦИФРА обозначает категорию сложности
условий приема (1 — наиболее легкая, 2 — средней степени сложности, 3 —
наиболее сложная);
ТРЕТЬЯ ЦИФРА обозначает номер частотного канала,
в полосе которого работает антенна;
ЧЕТВЕРТАЯ ЦИФРА указывает на порядковый номер
разработки.
3. 3. 1. Антенны отечественного производства
Многие предприятия
выпускают телевизионные антенны для индивидуального и коллективного
пользования. Индивидуальные антенны устанавливают в доме и подключают к одному
или нескольким телевизорам. Коллективные антенны используют для систем
коллективного приема программ телевидения. Сигнал, принятый от одной или
нескольких антенн, после распределения (при необходимости и усиления)
используется большим числом абонентов.
Большое распространение
получили телевизионные индивидуальные наружные антенны «ВОЛНОВОЙ КАНАЛ».
«СИГНАЛ-1 (2 - 5)» АТИГ (В) -1.1.1.15 - АТИГ (В) -1.
1. 5. 15

Антенны телевизионные
приемные наружные для индивидуального пользования, предназначены для приема
одного из телевизионных каналов, передаваемых с горизонтальной (вертикальной)
поляризацией в зоне уверенного приема телевизионных сигналов.
Рис. 3. 20. Общий вид
антенн АТИГ (В) 1. 1. 1. 15-1. 1. 5. 15
Технические параметры антенн АТИГ (В) 1. 1. 1. 15-1.
1. 5. 15
Каналы приема АТИГ(В) -1.
1. 1. 15..................................................................... 1
АТИГ(В) -1. 1. 2.
15..................................................................... 2
АТИГ(В) -1. 1. 3.
15..................................................................... 3
АТИГ(В) -1. 1. 4.
15..................................................................... 4
АТМГ(В) -1. 1. 5.
15..................................................................... 5
Коэффициент усиления, дБ,
не менее.................................................................. 4
КЗД, дБ, не
более......................................................8
КБВ, измеренный на конце
кабеля снижения, не менее..................................... 0, 5
Таблица 3. 1. Габаритные размеры антенн АТИГ 1. 1. 1. 15-1.
1. 5. 15
|
Обозначение антенн
|
Размеры |
мм |
||||
|
А |
Б |
В |
а |
б |
L |
|
|
АТИГ(В)- 1.1.1.15 |
3020 |
2690 |
2350 |
900 |
600 |
1500 |
|
АТИГ(В)- 1.1.2.15 |
2560 |
2275 |
1990 |
765 |
510 |
1275 |
|
АТМГ(В)- 1.1.3.15 |
1980 |
1765 |
1540 |
605 |
395 |
1000 |
|
АТИГ(В)- 1.1.4.15 |
1800 |
1605 |
1400 |
535 |
355 |
890 |
«СИГНАЛ-6» АТИГ(В)-4.1. 6-12.15
Антенна телевизионная
приемная наружная для индивидуального пользования предназначена для приема сигналов
телевидения, передаваемых с горизонтальной (вертикальной) поляризацией в полосе
частот 174-230 МГц (каналы с 6 по 12) в зоне уверенного приема.

Рис. 3. 21. Общий вид антенны «СИГНАЛ-6»
Технические параметры антенн «СИГНАЛ-6»
Каналы приема............................................................................................................
6-12
Коэффициент усиления
антенны по отношению к полуволновому вибратору,
дБ, не
менее...............................................................................................................
6
КБВ, измеренный на конце
кабеля снижения, не менее,......................................... 0, 6
Коэффициент защитного
действия (КЗД), дБ, не более........................................... -9
Для подключения
коаксиального кабеля к симметричному петлевому вибратору рассмотренных выше
антенн и согласования его применяют антенные коробки типа АК-1, либо АК-2,
имеющие в своем составе фильтр сложения телевизионных каналов I-II и III
метрового диапазона.

«ГАММА» АТИГ (В)-5.2.21-41.19
Антенна телевизионная
приемная наружная для индивидуального пользования предназначена для приема
сигналов телевидения, передаваемых с горизонтальной (вертикальной) поляризацией
в полосе частот 470... 638 МГц (каналы с 21 по 41) в зоне уверенного приема
(рис. 3. 23).
Технические параметры
Коэффициент усиления
антенны по отношению к полуволновому вибратору, дБ, не менее:
470... 500МГЦ..............................................................................................................
9
500...
540МГЦ..............................................................................................................
10
540... 570
МГц..............................................................................................................
11
570...
638МГЦ..............................................................................................................
9, 5
Коэффициент бегущей волны
(КБВ), измеренный на конце кабеля снижения, не
менее,.....................................................................................................................
0, 6
Кабель снижения подключается
к петлевому вибратору с помощью симметрирующего устройства, выполненного в виде
эквивалента полуволновой кабельной петли (рис. 3. 24), размещенного в корпусе
присоединителя кабельного ПАК-Д.
Таблица 3. 2. Размеры директоров антенны АТИГ(В) 5. 2 21-41.
19
|
Порядковый |
|
|
|
|
|
|
|
|
|
|
|
|
номер |
1* |
2* |
З* |
4 |
5 |
6 |
7 |
8 |
9 |
10 |
11 |
|
директора |
|
|
|
|
|
|
|
|
|
|
|
|
Длина, мм |
221 |
218 |
214 |
211 |
207 |
203 |
200 |
196 |
192 |
188 |
185 |


«ВОЛНА 1» (ИТА-12 М)
АТИГ(В) - 6.1.1-12.109.
Антенна телевизионная
приемная наружная для индивидуального пользования предназначена для приема
сигналов телевидения, передаваемых с горизонтальной (вертикальной) поляризацией
в полосе частот 48 5-230 МГц (каналы с 1 по 12) в зоне уверенного приема. Эта
же антенна может использоваться для приема сигналов радиовещания в УКВ
диапазоне 66... 73 МГц или 88... 108 МГц.
Технические параметры антенн «ВОЛНА-1» (ИТА-12М)
Каналы приема............................................................................................................
1-12
Коэффициент усиления по
отношению к полуволновому вибратору,
дБ, не
менее..............................................................................................................
2
КБВ, измеренный на конце
кабеля снижения не менее,.......................................... 0, 5... 0,
7
Коэффициент защитного
действия (КЗД), дБ, не более........................................... -
(10... 14)
При установке антенны
данной конструкции следует обращать внимание на ее ориентацию. Некоторые
телезрители ошибочно считают, что форма антенны в виде стрелы указывает
направление на телецентр. Антенну следует ориентировать так, как показано на
рис. 3. 25.
Рис. 3. 25. Общий вид антенны «ВОЛНА-1»

«ТАИ-12» (ТАИ-12М).
Веерный вибратор.
Антенна телевизионная
приемная наружная для индивидуального пользования предназначена для приема сигналов
телевидения, передаваемых с горизонтальной (вертикальной) поляризацией в полосе
частот 48, 5... 230 МГц (каналы с 1 по 12) в зоне уверенного приема. Эта же
антенна может использоваться для приема сигналов радиовещания в УКВ диапазоне
66... 73 МГц или 88... 108 МГц. Необходимая диаграмма направленности в
диапазоне 174... 230 МГц (6... 12 каналы) формируется благодаря расположению
плеч вибратора под углом 120°. Угол раствора каждого веера плеча составляет
38°. Диаграмма направленности аналогична диаграмме полувол-
Рис. 3. 26. Общий вид антенны ТАИ-12 (ТАИ-12М)

нового вибратора
(направленные свойства этой антенны в диапазоне частот 174... 230 МГц несколько
лучше).
Технические параметры антенн ТАИ-12 (ТАИ-12 М)
Каналы
приема............................................................................................................
1-12
Коэффициент усиления по
отношению к полуволновому вибратору, дБ, не менее в полосе частот 48, 5... 100
МГц..................................................................................
О
в полосе частот 178... 230
МГц...................................................................................
1, 5
КБВ, измеренный на конце
кабеля снижения, не менее,......................................... 0, 4... 0,
7
Коэффициент защитного
действия (КЗД), дБ, не более........................................... - (8...
10)
Входное сопротивление
антенны,
Ом........................................................................ 90
«ЛУЧ-1»
Технические параметры антенн «ЛУЧ-1»
Каналы
приема............................................................................................................
1-12
Коэффициент усиления
антенны, по отношению к полуволновому вибратору,
дБ, не
менее...............................................................................................................
О
КБВ, измеренный на конце
кабеля снижения, не менее,......................................... 0, 5

Рис. 3. 27. Общий вид антенны ЛУЧ-1
Антенна телевизионная
приемная наружная для индивидуального пользования предназначена для приема
сигналов телевидения, передаваемых с горизонтальной (вертикальной) поляризацией
в полосе частот 48, 5... 230 МГц (каналы с 1 по 12) в зоне уверенного приема.
Эта же антенна может использоваться для приема сигналов радиовещания в УКВ
диапазоне 66... 73 МГц или 88.. 108 МГц.
При выборе наружной
телевизионной антенны необходимо знать параметры антенны, по которым можно
определить ее качественные показатели (разд. 3. 1) и особенности приема в месте
установки антенны (разд. 2). Следует учитывать, что индивидуальные и
коллективные антенны, описанные выше, рекомендуется применять в зонах прямой
видимости, так
как они не обладают достаточным
усилением для зон со сложными условиями приема. Для повышения коэффициента
усиления приемной телевизионной антенны, имеющейся у вас в распоряжении, можно
дополнить антенным усилителем, либо применить активную телевизионную антенну,
имеющую в своем составе штатный (монтируемый в антенну) антенный усилитель.
3.
3. 2. Антенны зарубежных фирм

Многообразие видов и
конструкций приемных телевизионных антенн зарубежного производства представлено
на рынках стран СНГ. Наибольшую популярность получили широкополосные антенны с
усилителем, напряжение питания на который подается по фидеру снижения. Хотя их
и называют «активными» (при комплектации пластинчатым антенным усилителем,
включенным непосредственно к зажимам антенны), однако согласно [3. 2] эти
антенны разделяются на пассивные и активные элементы. Поэтому точнее называть
их телевизионными антеннами с усилителем. К таким антеннам относится антенна с
сеточным экраном. Антенна образована соединением двух ASP-4A либо четырех
ASP-8A (CX-8A) активных волновых вибраторов, выполненых в виде двойного
V-образного вибратора.
Технические параметры
2-х вибраторной антенны ASP-4A
Каналы
приема.................................................. 6-12............... 21
-60
Усиление,
дБ..................................................... 3, 5... 6..............
7... 10, 5
КЗД,
дБ.............................................................
-16................... -25
Угол диаграммы
направленности:
в горизонтальной
плоскости............................. 46°
в вертикальной
плоскости................................ 27°

Коэффициент усиления антенн
с усилителем ASP-4WA и ASP-8WA (СХ-8А) составляет 20...48 дБ в зависимости от
типа усилителя.
Входное сопротивление этих
антенн 240...300 Ом, поэтому для согласования волнового сопротивления антенны и
фидера снижения необходимо применять антенный согласователь SYM-01(300/7
5) (рис. 3.28.) либо SAI-V .

Технические параметры 4-х вибраторной антенн ASP-8A (СХ-8А)
Каналы
приема.................................................. 6-12...............
21-60
Усиление,
дБ..................................................... 6. 5... 9..............
10... 13. 5
КЗД,
дБ.............................................................
-16................... -25
Угол диаграммы
направленности:
в горизонтальной
плоскости............................. 46°
в вертикальной
плоскости................................ 27°

Технические данные на
конкретную антенну фирмы-производители указывают в сопроводительной
документации.
Рис 3. 28. Антенный согласователь SYM-01 (300/75)

Максимальное усиление
антенны приходится на верхние частоты дециметрового диапазона, что обусловлено
геометрическими размерами активных вибраторов и расстоянием между ними. В
случае необходимости путем подбора усилителя с соответствующей характеристикой
можно повысить усиление на определенном канале либо группе каналов,
воспользовавшись рекомендациями из разд. 3. 4 этой главы.
Наряду с традиционными
антеннами этого типа встречаются нетипичные конструкции, в которых для
расширения полосы приема увеличен размер верхнего вибратора либо верхнего и
нижнего (рис. 3. 29), однако при этом происходит рассогласование параметров
антенны. При установке антенны следует обратить внимание на монтаж линии связи,
соединяющей активные вибраторы.

Расстояние между осями этих
проводников должно быть строго одинаково по всей длине линии (более подробно
описано в шестой главе), что:
также влияет на
согласование антенны.
Хорошими диапазонными
свойствами обладает логопериодическая антенна (рис. 3. 30), имеющая более
равномерное усиление по диапазону по сравнению с предыдущими антеннами.
Технические параметры логопериодической антенны «LOG ACTIV»
Каналы
приема............................................................................................................
1 -65
Усиление,
дБ..........................................................................
9... 12
КЗД,
дБ.......................................................................................................................
-25
КСВ..............................................................................................................................
1, 8
Выходное сопротивление,
Ом....................................................................................
75
Коэффициент усиления
антенны с усилителем «LOG ACTIV» составляет 26... 46 дБ в зависимости от типа
усилителя.

На рынках стран СНГ широко
представлены антенны «волновой канал». За рубежом эти антенны
называют типа «Уда-Яги». При незначительных удалениях от
телевизионного центра можно применять антенны этого типа с количеством
элементов от трех до семи. Многоэлементные антенны «волновой канал»
применяют при значительных удалениях от телевизионного центра, а также при
сложных условиях приема, где применение индивидуальных антенн отечественного
производства малоэффективно.
АНТЕННЫ ДЛЯ ПРИЕМА В
ДИАПАЗОНЕ УКВ.
Антенны с одним элементом
относятся к слабонаправленным антеннам и применяются для приема программ
телевидения в зоне прямой видимости и УКВ вещания. Конструктивно это активный
элемент антенны «волновой канал» - петлевой вибратор. Диаграмма направленности
такой антенны в горизонтальной плоскости имеет вид восьмерки, а в вертикальной
— круга. Так как такая антенна принимает сигнал как с переднего, так и с
заднего направлений с одинаковой величиной (КЗД=0), то рядом с антенной не
должны располагаться высокие сооружения и другие предметы, являющиеся
источниками переотражения телевизионного сигнала. Поэтому применять такие
антенны желательно для приема УКВ ЧМ вещания.

Рис. 3. 31. Одноэлементная антенна для приема УКВ «DIPOL
1/RZ»
Технические параметры 1-элементной антенны «DIPOL 1/RZ»
Частота приема,
МГц..................................................................................................
88... 108
Усиление,
дБ...............................................................................................................
2
Угол диаграммы
направленности:
в горизонтальной
плоскости......................................................................................
2х80°
в вертикальной
плоскости................................................ 360°
КЗД,
дБ.......................................................................................................................
0
Выходное сопротивление. Ом....................................................................................
300
Для приближения диаграммы
направленности в горизонтальной плоскости к круговой петлевой вибратор изгибают
в форме круга (рис. 3. 32).

Рис. 3. 32. Одноэлементная антенна для приема УКВ «DIPOL
1/RUZ»
Технические параметры 1-элвмвнтной антенны «DIPOL 1/RUZ»
Частота приема,
МГц..................................................................................................
88... 108
Усиление,
дБ..............................................................................................................
2
Угол диаграммы
направленности:
в горизонтальной
плоскости.......................................................................................
2х 80°
в вертикальной
плоскости..........................................................................................
360°
КЗД.
дБ.......................................................................................................................0
Выходное сопротивление,
Ом....................................................................................
300
Для поднятия уровня
усиления в этих антеннах применяется пластинчатый усилитель.
АНТЕННЫ ДЛЯ ПРИЕМА В
ДИАПАЗОНЕ МЕТРОВЫХ ВОЛН (ОВЧ).
Для приема телевизионных
программ в этом диапазоне волн применяют антенны с числом элементов от двух до
одиннадцати. С увеличением числа элементов возрастает коэффициент усиления, а
также значительно увеличиваются геометрические размеры антенны в этом диапазоне
волн. Антенны обладают хорошей направленностью и малым уровнем боковых и задних
лепестков.
Внешний вид антенн для
приема в диапазоне метровых волн приведен на рис. 3. 33.

Рис. 3. 33. Антенны DIP 4/6-12.
Технические параметры 4-элементной антенны «DIPOL 4/6-12»:
Каналы
приема..............................................................................
6-12
Усиление.
дБ..................................................................................
4.. 7
Угол диаграммы
направленности:
в горизонтальной плоскости ..........................................................................49°
в вертикальной плоскости
.....................................................................б0°
КСВ
..............................................................................................................................
1,4...2,1
КЗД, дБ
.......................................................................................................................
8
Выходное сопротивление, Ом
..................................................................................
300
Технические параметры 7-элементной антенны «DIPOL 7/6-12»:
Каналы
приема.................................................................................
б- 12
Усиление.
дБ..................................................................... R я
Угол диаграммы
направленности:
в горизонтальной
плоскости................................................................................
45°
в вертикальной плоскости..........................................................................
58°
КСВ.............................................................................................
1, 3... 1, 97
КЗД,
дБ......................................................................................................................
12
Выходное сопротивление,
Ом..................................................................................
300

Технические параметры «-элементной антенны «DIPOL
11/6-12»:
Каналы приема..................................................................
6-12
Усиление.дБ.........................................................................................7..
9,2
Угол диаграммы
направленности:
в горизонтальной плоскости
.......................................................... 31°
в вертикальной плоскости
...............................................................................
48°
КСВ
.........................................................................................................
1, 48.. 1,76
КЗД, дБ
...........................................................................................................-13,5
Выходное сопротивление, Ом
....................................................................... 300
АНТЕННЫ ДЛЯ ПРИЕМА В
ДИАПАЗОНЕ ДЕЦИМЕТРОВЫХ ВОЛН (УВЧ)
Для приема телевизионных
программ в этом диапазоне волн применяют многоэлементные антенны с большим
коэффициентом усиления. Такие антенны обладают острой направленностью и
незначительным уровнем боковых и задних лепестков. Внешний вид антенн для
приема в диапазоне дециметровых волн приведен на рис. 3. 34... 3. 36.

Технические параметры 11-элементной антенны «DIPOL
11/21-60»:
Каналы приема...........................................................................................................
21 -60
Усиление,
дБ..............................................................................................................
5, 5... 9
Угол диаграммы
направленности:
в горизонтальной
плоскости......................................................................................
32°
в вертикальной
плоскости.........................................................................................
49°
КСВ.............................................................................................................................
1. 48... 1. 81
КЗД. дБ......................................................................................................................
- (19... 26)
Выходное сопротивление.
Ом...................................................................................
300
Технические параметры 19-элементной антенны «DIPOL
19/21-60»:
Каналы
приема............................................................................................................
21 -60
Усиление,
дБ...............................................................................................................
11
Угол диаграммы
направленности:
в горизонтальной плоскости
.......................................................................................
23°
в вертикальной плоскости
.....................................................................................
42°
КСВ..............................................................................................................................
1.28..1.7
КЗД.дБ
.......................................................................................................................
-(19...26)
Выходное сопротивление,
Ом...............................................................................
300
Внешний вид антенны POLARIS
60/21-60 приведен на рис. 3.35.

Технические параметры 60-элемвнтной антенны «POLARIS
60/21-60»
Каналы приема
............................................................................................................
21 -60
Усиление, дБ
..............................................................................................................
16...18
КЗД.дБ
........................................................................................................................26
Выходное сопротивление,
Ом....................................................................................
75
Внешний вид антенны АХТ 87/21-60 приведен на рис. З.З6.
Технические параметры 87-элементной антенны «АХТ87/21-60»
Каналы приема
............................................................................................................
21 -60
Усиление,
дБ...............................................................................................................
13...17
КЗД.дБ
.......................................................................................................................20
Выходное сопротивление.
Ом....................................................................................
300

Технические параметры 91-элементной антенны «АХТ 91/21-60»
Каналы приема
............................................................................................................
21 -60
Усиление, дБ
...............................................................................................................
13...18
КЗД.дБ
........................................................................................................................20
Выходное сопротивление,
Ом....................................................................................
300

КОМБИНИРОВАННЫЕ
ТЕЛЕВИЗИОННЫЕ АНТЕННЫ ДЛЯ ПРИЕМА ОВЧ/УВЧ.
Комбинированные антенны
применяют для приема телевизионных программ в метровом и дециметровом
диапазонах волн. Конструктивно они выполненны на общей горизонтальной стреле.
Передняя антенна «волновой канал» — для приема каналов ДМВ, а задняя — для
приема каналов MB.
В некоторых вариантах
комбинированных антенн антенна метрового диапазона предназначена для приема
волн вертикальной поляризации. Крепление таких антенн к мачте производится в
центре тяжести стрелы, однако при этом рефлектор дециметровой антенны оказывает
влияние на прием метровых волн. Применять комбинированные антенны желательно
при незначительных удалениях от телевизионного центра и в зонах, где уровень
сигнала метрового диапазона достаточно велик. Для поднятия усиления некоторые
антенны укомплектованы усилителем, при этом в обозначении антенн добавлен
индекс «W».
Внешний вид антенны «DIPOL
26/6-12/21-60», предназначенной для приема в диапазоне метровых и дециметровых
волн приведен на рис. 3. 37.

РисЗ. 37. Антенна «DIPOL 26/6-12/21-60».
Технические параметры
26-элементной антенны «DIPOL 26/6-12/21-60» Каналы
приема......................................................................................................
6 -12/21 - 60
Усиление,
дБ........................................................................................................
12/26
КЗД,
дБ.................................................................................................................
- (6... 8/8... 12)
Выходное сопротивление,
Ом..............................................................................
75
Технические параметры 14-элементной антенны «POLARIS
14/6-12/21-60»
Каналы
приема......................................................................................................
6-12/21 -60
Усиление,
дБ.........................................................................................................
2... 3/8... 11
КЗД,
дБ.................................................................................................................
0/-10
Выходное сопротивление,
Ом............................................................................
75

Внешний вид антенны «FALCON
17/1-12/21-60», предназначенной для приема в диапазоне метровых и дециметровых
волн, приведен на рис. 3. 38.
Технические параметры 17-элвмвнтной антенны «FALCON
17/1-21/21-60»
Каналы
приема......................................................................................................
1... 12/21... 60
Усиление,
дБ.........................................................................................................
З... 5/8... 11
КЗД,
дБ.................................................................................................................
- (4/24)
Выходное сопротивление,
Ом..............................................................................
75

Наряду с индивидуальными
антеннами для приема в метровом и дециметровом диапазоне волн применяются и
профессиональные антенны для систем общего пользования или приема сигнала в
особо сложных условиях. Эти антенны характеризуются усиленной механической
конструкцией и повышенными техническими характеристиками. В названии таких
антенн буквами и цифрами обозначают количество элементов и номера принимаемых
каналов.
Например: ATV 5/7-8 — антенна телевизионная
профессиональная, пятиэлементная, для приема 7-8 телевизионных каналов.
Более полно параметры
зарубежных антенн приведены в приложении 5.
3.
3. 3. Антенна «TEVSAN 7750-A»
Комбинированная антенна
«TEVSAN 7750-A» с регулируемым усилением предназначена для приема телевизионных
сигналов в метровом и дециметровом диапазонах волн. В конструкции антенны
предусмотрена установка усилителя в герметичном корпусе на центральной стреле.
Дециметровая часть антенны - волновой канал, имеет пять пассивных элементов
(директора) Х-образной формы для расширения полосы приема. Прием каналов
метрового диапазона волн осуществляется петлевым вибратором изогнутой формы.
Питание усилителя осуществляется по фидеру снижения

от блока питания,
находящегося вблизи телевизора.
Рис. 3. 39. Внешний вид антенны «TEVSAN 7750-A» с усилителем
и блоком питания
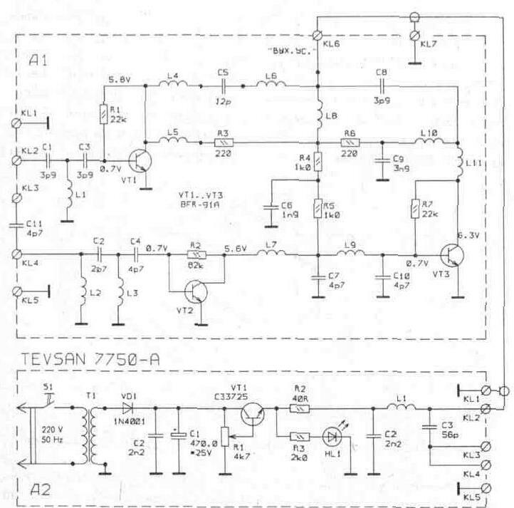
Усилитель имеет два канала
усиления: канал метрового диапазона волн выполнен на транзисторе VT1, дециметрового
— выполнен на транзисторах VT2, VT3 (рис. 3. 40). Все каскады усиления
выполнены по схеме с общим эмиттером. Усиление антенного усилителя регулируется
дистанционно с блока питания, путем изменения питающего напряжения. Индикация
изменения напряжения источника питания осуществляется светодиодом НL1.
3.3.4. Антенна «NK-3202S» с усилителем
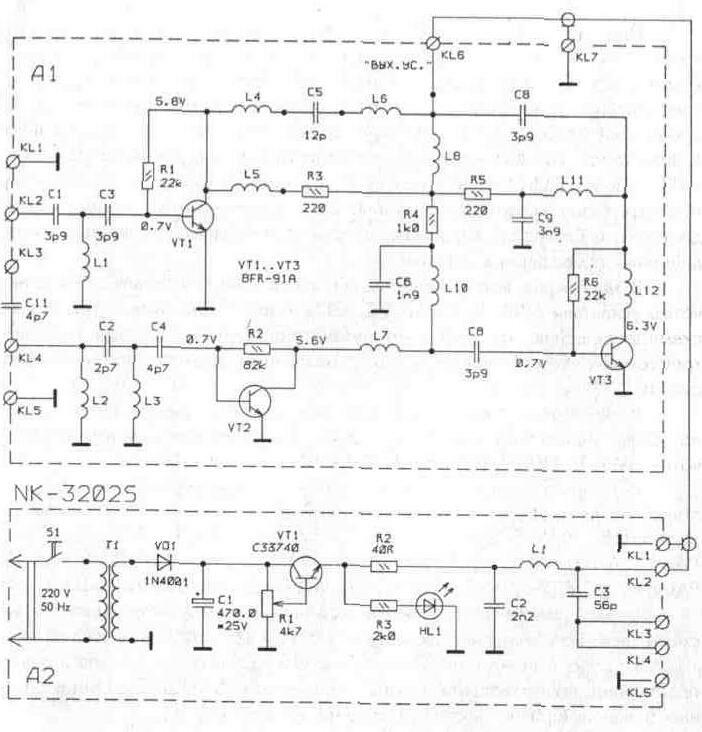
Эта антенна по
конструктивному исполнению аналогична TEVSAN 7750-А. Отличие состоит в
незначительном схемном решении усилителя
(рис.3.41)

Рис. 3. 40. Принципиальная схема усилителя антенны «TEVSAN
7750-А»

Рис. 3. 41. Принципиальная схема усилителя антенны «NK-3202S»