3.2.
Комнатные и встроенные антенны.
Условия распространения
радиоволн в помещении существенно отличаются от их распространения в свободном
пространстве. Интерференционный характер элекромагнитного
поля внутри помещений (за счет многократных отражений от предметов) выражен
более резко. Проявляется это в уменьшении напряженности поля и изменении
поляризации волн. Приемлемое расположение антенны для одного ТВ канала может не
соответствовать ее расположению для приема другого канала. Качество приема на
комнатные и встроенные антенны может меняться даже при хождении людей по
комнате.
На
величину принимаемого сигнала влияют экранирующие свойства материалов стен
здания (в домах, построенных из железобетонных конструкций, затухание сигналов
в 3-5 раз больше, чем в деревянных) Поэтому лучше располагать комнатные антенны
вблизи от окон.
В густо застроенных районах напряженность поля на
нижних этажах в 10-20 раз (на верхних в 5-8 раз) меньше, чем на крыше здания.
В квартирах, где окна
выходят в сторону, противоположную теле центру, напряженность поля настолько
мала, что не позволяет вести удовлетворительный прием ТВ программ. Установка на
окнах и балкона решеток и затеняющих металлических штор приводит к еще большему
уменьшению телевизионного сигнала, а иногда и к невозможности просмотра ранее
принимавшихся программ на комнатные антенны.
Качественный прием ТВ
программ на комнатные антенны возможен при условии прямой видимости и
расположении квартиры на верхних этажах здания (при многоэтажной застройке).
Если нет возможности
установить наружную антенну, надо проверить работу вашего телевизора на
комнатную антенну соседа, а затем принимать решение о ее
приобретении.
Разновидностью комнатных
антенн являются встроенные антенны, применяемые в переносных телевизорах. По
конструкции это метровая (телескопическая) одноштыревая
либо двухштыревая антенна. Для приема в диапазоне
дециметровых волн используется рамочная антенна. Одноштыревые
антенны подключают непосредственно на вход телевизора, двухштыревые
и рамочные — через симметрирующий трансформатор. В
рабочем положении антенна раздвигается и может быть установлена вертикально или
наклонена. В зависимости от принимаемого телевизионного канала подбирают длину
штырей телескопической антенны. Прием нс встроенные
антенны возможен при достаточной мощности телевизионного сигнала.
В настоящее время в продаже
имеются комнатные антенны различных видов, при покупке необходимо выбирать из
них такие, которые по своим параметрам подходят для приема необходимых
телевизионных каналов в данном районе. Принимаемые телевизионные каналы
указывают в паспорте на антенну.
Согласно ГОСТу [3. 1]
условное обозначение комнатных антенн начинается с букв:
AT — антенна телевизионная;
третья буква в обозначении указывает на
способность антенны к перестройке П —
перестраиваемая, Н — неперестраиваемая);
первая цифра — тип антенны;
вторая — номер разработки (модификации);
НАПРИМЕР:АТП
- 6.1 — антенна телевизионная, перестраиваемая, 6-го типа, первой модификации;
АТН - 6.2 — антенна
телевизионная, неперестраиваемоя, 6-го типа, второй
модификации.
Для приема метровых волн комнатные
антенны изготавливают по принципу полуволновых либо укороченных линейных
вибраторов. Наиболее распространена телескопическая комнатная антенна метрового
диапазона с шарнирным поворотным устройством (рис. 3. 3).

Рис. 3. 3. Телескопическая комнатная антенна:
а) штыревая, б) ленточная
Шарнирное устройство
позволяет найти оптимальное положение, а телескопическая конструкция вибраторов
— произвести настройку на принимаемый телевизионный канал. Для согласования
вибраторов комнатных антенн с 75-омным кабелем применяют симметрирующий
трансформатор.
В некоторых комнатных
антеннах для уменьшения геометрической длины вибраторов и облегчения их
настройки применяют укорачивающие индуктивности.
В дециметровом диапазоне
волн геометрические размеры антенн значительно меньше
чем в метровом, вследствие чего появилась возможность изготавливать и применять
малогабаритные направленные эффективные антенны — «волновой канал»,
логопериодические и другие (рис. 3. 4).
В тех случаях
когда прием на комнатную антенну неудовлетворителен, необходимо установить
наружную ТВ-антенну, а если такой возможности нет (из-за конструкции здания,
отсутствия балкона и др.), следует поставить комнатную телевизионную антенну с
усилителем.
Усилитель конструктивно встраивается в основание антенны. Ее целесообразно
применять при приеме слабых сигналов и отсутствии помех (работа промышленных
установок, электротранспорта и т. д.).

Рис. 3. 4. Внешний вид комнатных антенн:
а) для приема ДМВ каналов
б) для приема MB и ДМВ каналов

3.2.1. Комнатная антенна АТН - 7.3 «ОРБИТА-II-I» с усилителем
Для повышения усилительных
свойств в комнатных антеннах применяют антенный усилитель. К таким антеннам
относится антенна телевизионная комнатная широкополосная АТН-7.3 «ОРБИТА-II-I» с усилителем (рис. 3.5). Ее удобно подключать к
телевизорам отечественного производства, имеющим раздельные выходы MB и ДМВ
диапазонов.
Сигналы метрового диапазона
волн принимает широкополосный плоский вибратор, а дециметрового —
четырехэлементный волновой канал, конструктивно расположенный на стойке над
широкополосным плоским вибратором. Усилитель, расположенный внутри корпуса
антенны, используется для улучшения приема телевизионных каналов в дециметровом
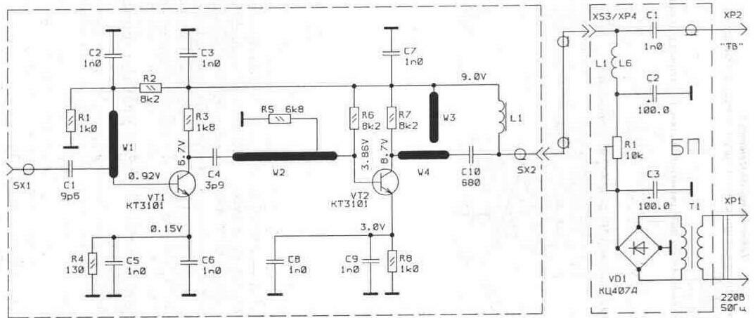
диапазоне волн.Принципиальная
схема усилителя приведена на рис. 3.6.
Технические параметры:
Коэффициент усиления
антенны, по отношению к полуволновому вибратору, дБ, не менее в MB диапазоне
48, 5... 100
МГц.................................................................................
-2
в MB диапазоне 174... 230
МГц.................................................................................
О
ДМВ диапазоне
470... 620
МГц..................................................................................
15
Коэффициент бегущей волны (КБВ),
(измеренный на конце кабеля снижения), не менее, в полосе частот:
48, 5... 100
МГц.............................................................................................................
0, 2
174... 230
МГц..............................................................................................................
0, 4
470... 620
МГц..............................................................................................................
0, 4
Коэффициент защитного
действия (КЗД), дб, не более, в полосе частот
48, 5... 100 МГц.............................................................................................................
О
174... 230 МГц..............................................................................................................
О
470... 620
МГц.............................................................................................................
-8

Рис. 3. 5. Антенна телевизионная комнатная широкополосная
ATH-7. 3 «ОРБИТА-II-I»
Сигнал, принятый антенной
дециметрового диапазона, через емкость С1 поступает на
базу транзистора VT1, выполненного по схеме с общим эмиттером. Усиленный сигнал
с коллектора VT1 через С4, W2 поступает на вход
второго усилительного каскада на транзисторе VT2. Формирование АЧХ осуществляется
элементами C1W1, C4W2 на входе и выходе VT1. Обратная связь по току в
усилительных каскадах определяется элементами C5R4C6, C8R8C9. Усиленный сигнал
через емкость С10 подается на выходной разъем SX2 и далее по фидеру поступает
на блок питания. Через емкость С1 производится
разделение телевизионного сигнала и напряжения питания (+ 12 В). Регулируют напряжено питания подстроенным резистором R1.
Полосковые линии W1... W4 выполнены методом печатного
монтажа.
3. 2. 2. Комнатная антенна
с регулируемым усилением К недостаткам комнатных
антенн с усилителем следует отнести возможность появления резко выраженных
повторных изображений (при неточной ориентировке), а также наложение на
основное изображение сигнала другой более мощной программы. При близком
расположении от телецентра, большое усиление антенны с усилителем приводит к
срыву синхронизации и невозможности просмотра мощных
телевизионных ка-

Рис.3.6. Принципиальная схема усилителя комнатной антенны
АТН 7-3 "ОРБИТА-11-1»
налов. Поэтому при приеме различных ТВ
каналов приходится каждый раз выбирать положение антенны в комнате.
Перечисленных недостатков можно избежать, используя комнатную антенну с
регулируемым усилением.

Рис. 3.7. Общий вид антенны с регулируемым усилением
Прием телевизионных каналов
метрового диапазона волн происходит на одноштыревую
либо двухштыревую (в зависимости от исполнения)
телескопическую антенну, а дециметрового — на зигзагообразную антенну с
параболическим рефлектором. Антенный усилитель и блок питания конструктивно
расположены внутри корпуса подставки (рис. 3.7). Регулируемый усилитель
функционирует следующим образом (рис.3.8). Через устройство сложения сигналов
(ФНЧ L1C3L2 и ФВЧ C1C2L3C4) телевизионный сигнал подается на транзистор VT1. С
помощью регулятора R18, расположенного на корпусе антенны, изменяется
напряжение питания транзистора VT1, что приводит к изменению его коэффициента
усиления.
Формирование АЧХ усилителя
определяют элементы C7R4L4C10, C13R10L5 и элементы обратной связи по току
R3C8R6, R9C12R12. Контроль регулировки усиления осуществляется с помощью двух
светодиодов — зеленого и красного свечения: при загорании зеленого подается
минимальное напряжение, что соответствует минимальному усилению, при загорании
красного светодиода — максимальное напряжение (максимум усиления). Недостатком
данной антенны является малый размер телескопической антенны (одноштыревое исполнение) и как следствие этого —
неудовлетворительный прием на 1-5 метровых каналах. Лучшими параметрами для
приема ТВ каналов метрового диапазона обладают антенны с двухштыревой
телескопической конструкцией.
Следует отметить, что
применять рассмотренные выше конструкции антенн удобнее с телевизорами,
имеющими объединенный вход для метрового и дециметрового диапазонов.
АКТИВНЫМИ АНТЕННАМИ обычно
называют устройства, объединяющие собственно антенну и активные элементы
усиления преобразования сигналов. Разделить активную антенну
но пассивную и активную части невозможно, т. к. она выполняется в виде
одного блока.
3.
2. 3. Активная антенна «DELTA»
К разновидностям активных
антенн относится антенна DELTA (рис. 3. 9). В комплекте антенны имеется
подставка и мачтовое крепление, используемое для установки антенны вне
помещений.


Рис. 3. 9. Внешний вид антенны «DELTA»
Технические параметры антенны «DELTA»:
Каналы
приема.................................................. 1 -5.................
6-12................ 21 -68
Усиление,
дБ..................................................... 8......................
25..................... 28
Угол
приема.......................................................
2х90°............... 2х90°................ 60°
КЗД,
дБ.............................................................
0...................... 0....................... 16
Прием метрового диапазона
волн осуществляется на петлевой вибратор, а дециметрового — на волновой
Х-образный вибратор (рис 3. 10). Согласование с фильтрами сложения
осуществляется трансформаторами Т1 и Т2. Через
устройство сложения сигналов (ФНЧ L1C1L2 и ФВЧ C2L3C3) телевизионный сигнал
подается на двухкаскадный усилитель.
Коррекция АЧХ во втором
каскаде осуществляется элементами R4R5C7 и C9R7. Питание усилителя (+ 12V)
поступает по антенному кабелю с отдельного блока питания. При использовании
антенны с телевизором, имеющим одно общее входное гнездо, сигнал подают
непосредственно на антенный вход, используя блок питания ZS-12. Для работы с
телевизорами, не имеющими общего входа, необходимо подключить к выходу антенны разветвитель телевизионного сигнала.


3. 2. 4. Активные
широкополосные антенны «DEXTA»
Семейство антенн DEXTA
имеет значительно меньшие геометрические размеры, чем пассивные антенны. Они
имеют встроенный малошумящий усилитель телевизионных сигналов, соединенный
непосредственно с активными вибраторами.
В комнатных вариантах
антенн имеется подставка и отсутствует мачтовое крепление (рис. 3. 12, 3. 14).


Рис. 3. 12. Внешний вид антенн «DEXTA»

Технические параметры «DEXTA»
Каналы
приема.................................................. 1 -5.................
6-12................ 21-68
Усиление,
дБ..................................................... 8......................
21..................... 25
Угол
приема.......................................................
2х90°............... 2х90°................ 60°
КЗД,
дБ.............................................................
0...................... 0....................... -16
Технические параметры «DEXTA SUPERNOWA»
Каналы
приема.................................................. 1...
5................. 6... 12................ 21... 68
Усиление, дБ........
1............................................ -30-8..............
-10-23............. 0-32
Угол
приема.......................................................
2х90°............... 2х90°................ 60°
КЗД,
дБ.............................................................
0...................... 0....................... -16
В версии антенны «Dexta Supernova» предусмотрена
регулировка коэффициента усиления, что позволяет использовать ее в зонах с
различным уровнем телевизионных сигналов.
Технические параметры «DEXTA NOWA»:
Каналы приема..................................................
1... 5................. б... 12................ 21... 68
Усиление,
дБ..................................................... 8......................
27.................... 31
Угол приема.......................................................
2х90°............... 2х90°................ 60°
КЗД,
дБ.............................................................
0...................... 0....................... -16

Прием телевизионных каналов
метрового диапазона волн осуществляется на петлевой вибратор (рис. 3. 15). согласующее устройство которого
выполнено на трансформаторе Т1. В дециметровом диапазоне волн прием
осуществляется на волновые V - образные вибраторы. Согласование с фильтром сложения
осуществляется трансформатором Т2, выполненным методом
печатного монтажа. Через фильтр сложения (ФНЧ L3C1L4C3L5 и ФВЧ C2W1C4W2C5)
телевизионный сигнал подается на двухкаскадный усилитель. Коррекция АЧХ в
первом каскаде осуществляется элементами R1L6R4C7, а во втором - R5L7C9R6 и
R8C11W3C10R7C8R3. Полосковые линии W1... W3 выполнены
также методом печатного монтажа. Питание усилителя (+ 12V) поступает по
антенному кабелю с отдельного блока питания (ZS-X2). При использовании антенны
с телевизором, имеющим одно общее входное гнездо, сигнал подают непосредственно
на антенный вход, используя блок питания ZS-X2. Для работы с телевизорами, не
имеющими общего входа, необходимо подключить к выходу антенны разветвитель телевизионного сигнала. Если необходимо подать
сигнал с одной антенны к двум телевизорам необходимо использовать блок питания
ZS-X3. Модернизация антенны «DEXTA NOWA» за счет изменения конструкции
вибратора метрового диапазона позволила получить устойчивый прием на 1-5
каналах. В антенне «DEXTA NOWA - R» также предусмотрена регулировка
коэффициента усиления, что позволяет ее использовать в зонах с различным
уровнем телевизионных сигналов.


Рис. 3. 14. Внешний вид антенны «DEXTA SUPERNOWA-R».
Технические параметры «DEXTA SUPERNOWA-R»:
Каналы приема..................................................
1 -5................. 6-2.................. 21 -68
Усиление.
дБ.....................................................
-30... 20............ -10... 22............. О... 32
Угол приема.......................................................
2х90°............... 2х90°................ 60°
КЗД,
дБ.............................................................
0...................... 0....................... -16

Рис. 3.15. Принципиальная схема антенны DEXTA NOWA
3.
2. 5. Активная широкополосная антенна «ALFA 7»
Дальнейшее
совершенствование конструкции антенн «DEXTA» воплотилось в конструкции антенны
ALFA 7 (рис. 3. 16). Введение рефлектора позволило значительно увеличить
коэффициент направленного действия антенны. Регулировка коэффициента усиления в
этой антенне позволяет использовать ее в зонах с различным уровнем
телевизионных сигналов и зонах неуверенного приема.


Рис. 3. 16. Антенна ALFA 7
Технические параметры ALFA 7
Каналы
приема.................................................. 1 -5.................
6-12................ 21 -69
Усиление,
дБ..................................................... -30... 8..............
-10... 23............. 0... 35
Угол
приема.......................................................
2х90°............... 2х90°................ 60°
КЗД.
дБ.............................................................
0...................... 0....................... -16

3.
2. 6. Активная широкополосная антенна «Gamma
PLUS»
Широкополосные активные антенны
«Gamma PLUS» (рис. 3. 18) имеют встроенный
малошумящий усилитель телевизионных сигналов, соединенный непосредственно с
активными вибраторами. Предназначены для работы в условиях различных уровней
сигналов и установки как внутри помещений, так и вне.
Для этого в комплекте антенны имеется подставка и мачтовое крепление.

Рис. 3. 18. Антенна «Gamma PLUS».
Технические параметры антенны Gamma
Plus:
Каналы
приема.................................................. 1 -5................. 6-12................
21 -60
Усиление,
дБ..................................................... 5......................
24... 26............ 33... 35
Угол
приема....................................................... 2х90°............
2х90°.............. 60°
КЗД.
дБ.............................................................
0...................... 0....................... -16
Прием метрового и
дециметрового диапазона волн осуществляется на петлевые вибраторы (Рис. 3. 19).
Согласование вибраторов с фильтрами сложения осуществляется трансформаторами Т1 и Т2. Через устройство сложения сигналов (ФНЧ L1C1L2 и ФВЧ
C2L3C3) телевизионный сигнал через емкость С4 подается
на двухкаскадный усилитель, выполненный на малошумящих транзисторах VT1, VT2.
АЧХ усилителя корректируют элементы R4R5C9 и C10R6. Питание на усилитель (+
12V) поступает по антенному кабелю с отдельного блока питания.
Технические параметры
антенны Gamma Plus 2L Каналы
приема.................................................. 1...
5................. 6... 12................ 21... 60
Усиление,
дБ..................................................... 12-16...............
20-22................ 33-35
Угол
приема.......................................................
2х90°............. 2х90°.............. 60°
КЗД,
дБ.............................................................
0...................... 0....................... -16

Рис. 3. 19. Принципиальная схема антенны «Gamma PLUS».
В версии антенны «Gamma Plus 2L» увеличен
коэффициент усиле- ния на 1-5 телевизионных каналах
за счет увеличения размерна петлевого вибратора MB
диапазона. Технические параметры антенны Gamma Plus LUX (телескопическая):
Каналы
приема.................................................. 1 -5.................
6-12................ 21 -60
Усиление,
дБ..................................................... 12... 16.............
24... 26.............. 33... 35
Угол приема,
град............................................. 2х90°.............
2х90.............. 60°
КЗД, дБ.............................................................
возможность изменения угла приема -16 В версии антенны
«Gamma Plus Lux» применен телескопический перестраеваемый
диполь MB диапазона, что позволяет производить подстройку на принимаемый канал
в метровом диапазоне волн, а также изменять угол приема (диаграмму
направленности).