3.4.
Пластинчатые антенные усилители
Пластинчатые антенные
усилители предназначены для повышения уровня сигнала и компенсации потерь в линиях
передач. Примерно одинаковое конструктивное исполнение позволяет использовать
их в различных конструкциях широкополосных антенн. Такие усилители выпускаются
по технологии SMD с использованием самых современных малошумящих транзисторов,
которые изготавливаются ведущими зарубежными фирмами - ITT, Siemens, Philips и
др. Благодаря полностью автоматизированному многократному контролю пластинчатые
усилители имеют хорошую надежность, а благодаря защитному покрытию, обладают
стойкостью к воздействию атмосферных явлений.
В настоящее время
наибольший ассортимент составляют пластинчатые усилители SWA, WS, РА, РАЕ, GPS
и др. Они имеют различные схемные решения, что позволяет путем простейшего
подбора добиться требуемых результатов в районах с различным уровнем принимаемого
сигнала.
В районах с относительно
хорошим уровнем принимаемого сигнала обычно используют усилители с одним
каскадом усиления (одноступенчатые) SWA-1, SWA-1 /LUX, PA-2, S&A-110.
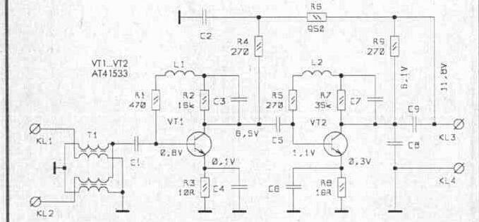
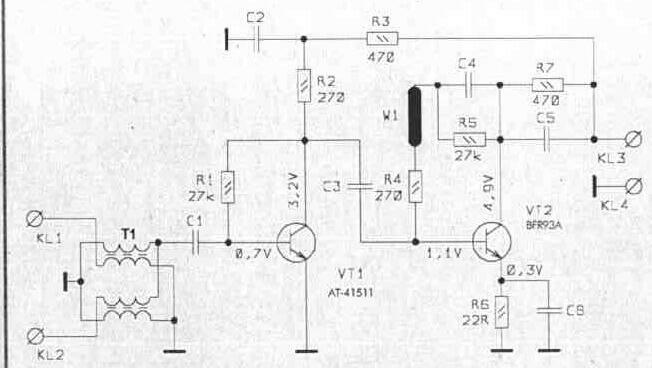
В районах с недостаточным
уровнем принимаемого сигнала используют двухкаскадные (двухступенчатые)
усилители WS-2, SWA-3, SWA-4/LUX, SWA-5 (SWA-6), SWA-7, SWA-8, SWA-9, PA-5,
S&A-130, PA-9, S&A-140, PA-10, S&A-120, РАЕ-14, РАЕ-42, РАЕ-43,
РАЕ-44, РАЕ-45, РАЕ-65, PAE-65TS, WA-031, WA-032, WA-041, WA-042, WA501S-1.
Ниже приведены технические
характеристики и их принципиальные схемы перечисленных выше усилителей, а также
показан их внешний вид.
Подача напряжения к
пластинчатым усилителям осуществляется адаптерами, различающимися лишь
исполнением корпуса. Основные схемные решения блоков питания приведены на стр.
115.
SWA-1
Каналы приема 1 - 68
Коэффициент усиления (G),
дБ 8... 10
Коэффициент шума (F), дБ 2,
5
Сопротивление входа/выхода,
Ом 300/75



SWA-1 LUX
Каналы приема 1 - 68
Коэффициент усиления (G),
дБ 15... 18
Коэффициент шума (F), дБ 0,
9
Сопротивление входа/выхода,
Ом 300/75



PA-2
Полоса приема, МГц 40...
800
Коэффициент усиления (С),
дБ 12
Коэффициент шума (Р), дБ 3,
5
Сопротивление входа/выхода,
Ом 300/75



S&A-110
Полоса приема, МГц 40...
800
Коэффициент усиления (G),
дБ 12
Коэффициент шума (F), дБ 3,
5
Сопротивление входа/выхода,
Ом 300. 75



ANPREL WS-2
Каналы приема 1 - 68
Коэффициент усиления (G),
дБ 23... 26
Коэффициент шума (F), дБ 3,
1
Сопротивление входа/выхода,
Ом 300/75



SWA-3
Каналы приема 1 - 68
Коэффициент усиления (G),
дБ 23... 28
Коэффициент шума (F), дБ 3,
1
Сопротивление входа/выхода,
Ом 300/75



SWA-4 LUX
Каналы приема 1 - 68
Коэффициент усиления (G),
дБ 28... 32
Коэффициент шума (F), дБ 2,
6
Сопротивление входа/выхода,
Ом 300/75



SWA-5 (SWA-6)
Каналы приема 1 - 68
Коэффициент усиления (G),
дБ 32... 36
Коэффициент шума (F), дБ 1,
9
Сопротивление входа/выхода,
Ом 300/75



SWA-7
Каналы приема 1 - 68
Коэффициент усиления (G),
дБ 32... 38
Коэффициент шума (F), дБ 1,
7
Сопротивление входа/выхода.
Ом 300/75



SWA-8
Каналы приема 1 - 68
Коэффициент усиления (G),
дБ 28... 30
Коэффициент шума (F), дБ 2,
9
Сопротивление входа/выхода,
Ом 300/75



SWA-9
Каналы приема 1 - 68
Коэффициент усиления (G),
дБ 32... 39
Коэффициент шума (F), дБ 1,
7
Сопротивление входа/выхода.
Ом 300/75



SWA-455 LUX
Каналы приема 1 - 69
Коэффициент усиления (G),
дБ 22... 30
Коэффициент шума (F), дБ 1,
8
Сопротивление входа/выхода,
Ом 300/75



SWA-555 LUX
Каналы приема 1 - 69
Коэффициент усиления (G),
дБ 28... 34
Коэффициент шума (F), дБ 1,
7
Сопротивление входа/выхода,
Ом 300/75



PA-5
Каналы приема 1 - 69
Коэффициент усиления (G),
дБ 28... 34
Коэффициент шума (F), дБ 1,
7
Сопротивление входа/выхода,
Ом 300/75



S&A-130
Каналы приема 1 - 69
Коэффициент усиления (G),
дБ 28... 34
Коэффициент шума (F), дБ 1,
7
Сопротивление входа/выхода,
Ом 300/75


PA-9
Каналы приема 1 - 69
Коэффициент усиления (G),
дБ 28... 34
Коэффициент шума (F), дБ 1,
7
Сопротивление входа/выхода,
Ом 300/75



S&A-140
Каналы приема, 1 - 69
Коэффициент усиления (G),
дБ 28... 34
Коэффициент шума (F), дБ 1,
7
Сопротивление входа/выхода.
Ом 300/75



РА-10
Полоса приема, МГц 40...
800
Коэффициент усиления (G),
дБ 22
Коэффициент шума (F), дБ 3,
9
Сопротивление входа/выхода,
Ом 300/75



S&A-120
Полоса приема, МГц 40...
800
Коэффициент усиления (G),
дБ 22
Коэффициент шума (F), дБ 3,
9
Сопротивление входа/выхода,
Ом 300/75



РАЕ-14
Каналы приема 1 - 60
Коэффициент усиления (G),
дБ 25... 30
Максимальный уровень выхода
(Р), дБ/мкВ 98
Коэффициент шума (F), дБ 1,
5
Сопротивление входа/выхода,
Ом 300/75



РАЕ-42
Каналы приема 1 - 60
Коэффициент усиления (G),
дБ 25...30* Коэффициент шума (F),дБ <2,5(UHF) Максимальный уровень выхода
(Р), дБ/мкВ 102
КСВ 1, 8
Сопротивление выхода, Ом 75



РАЕ-43
Каналы приема 1 - 69
Коэффициент усиления (G),
дБ 26... 32 Коэффициент шума (F), дБ <2,5 (UHF) Максимальный уровень выхода
(Р), дБ/мкВ 104
КСВ 1, 2
Сопротивление выхода, Ом 75



РАЕ-44
Каналы приема 1 - 60
Коэффициент усиления (G),
дБ 26...32 Коэффициент шума (F), дБ <2,7 (UHF) Максимальный уровень выхода
(Р), дБ/мкВ 98
КСВ 1, 5
Сопротивление выхода, Ом 75



РАЕ-45
Каналы приема 1 - 69
Коэффициент усиления (G),
дБ 24...28
Коэффициент шума (F), дБ
<2,2 (UHF) Максимальный уровень выхода (Р), дБ/мкВ 105
КСВ 1, 2
Сопротивление выхода, Ом 75



РАЕ-65
Каналы приема 1 - 69
Коэффициент усиления (G),
дБ 24... 28 Коэффициент шума (F), дБ <2, 5 (UHF) Максимальный уровень выхода
(Р), дБ/мкВ 104
КСВ 1, 2
Сопротивление выхода, Ом 75



РАЕ-65 TS
Каналы приема 1 - 69
Коэффициент усиления (G),
дБ 24... 28 Коэффициент шума (F), дБ <1,7 (UHF) Максимальный уровень выхода
(Р), дБ/мкВ 112
КСВ 1, 7
Сопротивление выхода, Ом 75



GPS WA-031
Каналы приема 6-60
Коэффициент усиления (G),
дБ 22
Коэффициент шума (F), дБ 3,
0
Сопротивление входа/выхода,
Ом 300/75



GPS WA-032
Каналы приема 6 - 60
Коэффициент усиления (G),
дБ 24
Коэффициент шума (F), дБ 2,
2
Сопротивление входа/выхода,
Ом 300/75


GPS WA-041
Каналы приема 6-60
Коэффициент усиления (G),
дБ 32
Коэффициент шума (F), дБ 1,
7
Сопротивление входа/выхода,
Ом 300/75



GPSWA-042
Каналы приема 6-60
Коэффициент усиления (G),
дБ 32
Коэффициент шума (F), дБ
1,7
Сопротивление входа/выхода,
Ом 300/75



GPS WA-501S-1 (3)
Каналы приема 6 - 60
Коэффициент усиления (G),
дБ 32
Коэффициент шума (F), дБ 1,
5.. 1, 6
Сопротивление входа/выхода,
Ом 300/75



