Тема 18.
РАЗНОСТНЫЕ УРАВНЕНИЯ ЭЛЕКТРИЧЕСКИХ ЦЕПЕЙ
(задачи без решения)
Перейти к задачам с решением
Задача 18.1. Получить разностное уравнение для цепи 1-го порядка, изображенной на рис. П16.1, при действии на ее входе последовательности прямоугольных импульсов с шагом Т, длительностью ТИ (рис. 20.9).
Показать соответствующий раздел теоретического материала Лекции 20
Показать решение задачи
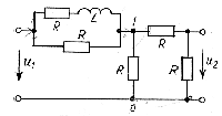
Задача 18.2. Получить разностное уравнение для цепи 2-го порядка (рис. П18.1).

Рис. П18.1
Показать соответствующий раздел теоретического материала Лекции 20
Показать решение задачи