18. РАЗНОСТНЫЕ УРАВНЕНИЯ ЭЛЕКТРИЧЕСКИХ ЦЕПЕЙ (задачи с решением) К списку тем практических занятий

Тема 18. РАЗНОСТНЫЕ УРАВНЕНИЯ ЭЛЕКТРИЧЕСКИХ ЦЕПЕЙ
(задачи с решением)

Перейти к задачам без решения

Задача 18.1. Получить разностное уравнение для цепи 1-го порядка, изображенной на рис. П16.1, при действии на ее входе последовательности прямоугольных импульсов с шагом Т, длительностью (рис. 20.9).

Переходная и импульсная характеристики цепи были получены в Задаче 16.1:

; ,

где .

Следовательно, разностное уравнение для выходного напряжения u2[n] имеет вид

,

где u1[n] — амплитуда импульсов входного напряжения.

Если та же цепь находится под действием последовательности d-импульсов, площади которых описываются решетчатой функцией , имеем разностное уравнение

,

которое определяет выходное напряжение перед подачей очередного импульса. Скачок выходного напряжения, обусловленный этим импульсом, равен .

При работе в режиме изучения теоретического материала вернитесь назад к тексту Лекции 20.

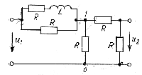
Задача 18.2. Получить разностное уравнение для цепи (рис. П18.1).

Рис. П18.1

Рассматриваемая цепь 2-го порядка описывается уравнениями состояния:

; .

Используя матричные обозначения, имеем для данной цепи:

; ; ;

,

и разностное уравнение принимает следующую общую форму:

.

В частных случаях последний интеграл можно вычислить. Так, если цепь находится под действием последовательности d-импульсов (см. рис. 20.6), то , где вектор , а  — решетчатая функция, отвечающая последовательности площадей импульсов входного напряжения. В этом случае имеем , и разностное уравнение окончательно записывается в виде

.

Если источник генерирует прямоугольные импульсы длительностью (рис. 20.9) с амплитудами , то на k-м шаге процесса имеем

,

.

При интегрировании в этом случае получаем

,

и разностное уравнение принимает окончательную форму

.

При работе в режиме изучения теоретического материала вернитесь назад к тексту Лекции 20

Конец

Обратно к списку тем практических занятий
Обратно к плану соответствующей лекции