Тема 7. РАСЧЕТ ЦЕПЕЙ СИНУСОИДАЛЬНОГО ТОКА
КОМПЛЕКСНЫМ МЕТОДОМ
(задачи без решения)
Перейти к задачам с решением
Задача 7.1. Найти комплексные токи, соответствующие синусоидальным функциям времени а) i = 10 sin(100p), б) i = 10 sin(100p + p/2), в) i = 10 sin(100p + p), г) i = 10 sin(100p + p/4), д) i = 10 sin(100p + 3p/4), е) i = 10 sin(100p + 5p/4).
Показать соответствующий раздел теоретического материала Лекции 7
Показать решение задачи
Задача 7.2. Найти синусоидальные функции, соответствующие комплексным токам и напряжениям, считая, что частота их изменения равна
f. а)
А, б)
А, в)
А, г)
А, д)
В, е)
В, ж)
В, з)
В, и)
В.
Показать решение задачи
Показать соответствующий раздел теоретического материала Лекции 7
Задача 7.3. Комплексное
напряжение на входе двухполюсника равно
= (100+j50) В, его комплексный входной ток
İ =(8+j6) А. Определите величины
Z, z, Y, y.
Показать решение задачи
Показать соответствующий раздел теоретического материала Лекции 7.
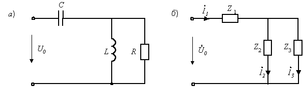
Задача 7.4. Рассчитать комплексным методом распределение токов и напряжений в цепи (рис. П7.1,а), на входе которой действует источник синусоидального напряжения с действующим значением U0 = 10 В и круговой частотой w. Cопротивления элементов на этой частоте равны: R = ωL = 1/ωC = 10 Ом.

Рис. П7.1
Показать решение задачи
Показать соответствующий раздел теоретического материала Лекции 7
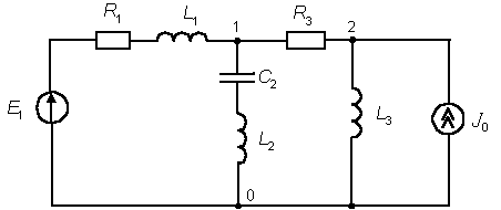
Задача 7.5. Рассчитать методом узловых напряжений распределение токов в цепи, изображенной на рис. П 7.3. Активные и реактивные сопротивления элементов цепи равны
R1 = ωL1= 5 Ом, R3 = ωL2 = ωL3 = 10 Ом, 1/

Рис. П7.3
Показать решение задачи
Показать соответствующий раздел теоретического материала Лекции 7
Выполнить расчетное задание № 2 "Расчет цепей синусоидального тока"