Тема 6. АНАЛИЗ ПРОСТЕЙШИХ ЦЕПЕЙ СИНУСОИДАЛЬНОГО ТОКА.
ВЕКТОРНЫЕ ДИАГРАММЫ (задачи без решения)
Перейти к задачам с решением
Задача 6.1. Записать выражение для мгновенного значения синусоидального тока с периодом T = 12 мс и действующим значением I = 2 мА, если при t = 0 мгновенный ток равен 1 мА, а через 2,31 мс ток достигнет ближайшего максимума. Является ли полученное решение единственным?
Показать соответствующий раздел теоретического материала Лекции 7
Показать решение задачи
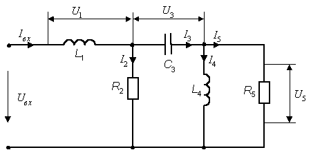
Задача 6.2. Построив векторную диаграмму, определить действующие значения входного напряжения и тока для цепи, схема которой изображена на рис. П6.1 при числовых данных: U1 = U3 = 20 В, U5 = 10 В, I2 = 1 А, I4 = I5 = 2 А;

Рис.П6.1
Показать соответствующий раздел теоретического материала Лекции 7
Показать решение задачи
Задача 6.3. Определить эквивалентные параметры
Rэ, Xэ, zэ, yэ, Bэ, Gэ двухполюсника, изображенного на рис. П6.3, при
= 1 Ом.

Рис. П6.3
Показать соответствующий раздел теоретического материала Лекции 7
Показать решение задачи