Тема 4. МЕТОД ЭКВИВАЛЕНТНОГО ИСТОЧНИКА (задачи без решения)
Перейти к задачам с решением
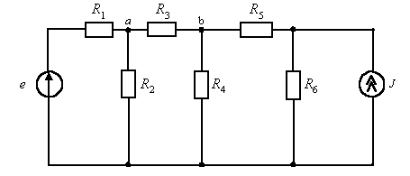
Задача 4.1. Рассчитать в цепи рис. П4.1 параметры эквивалентного источника (см. п. 6.4) по отношению к зажимам аb резистора R3.

Рис. П4.1
Показать соответствующий раздел теоретического материала Лекции 6
Показать решение задачи
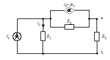
Задача 4.2. В цепи, включающей управляемый источник тока (рис. П4.2) определить параметры эквивалентного источника по отношению к зажимам аb резистора R3. Параметры элементов цепи равны R1 = 20 кОм, R2 = R3 = 1 кОм, J1 = 0,25 мА, J2 = αi1, α = 40.

Рис. П4.2
Показать соответствующий раздел теоретического материала Лекции 6
Показать решение задачи