Тема 4. МЕТОД ЭКВИВАЛЕНТНОГО ИСТОЧНИКА (задачи с решением)
Перейти к задачам без решения
|
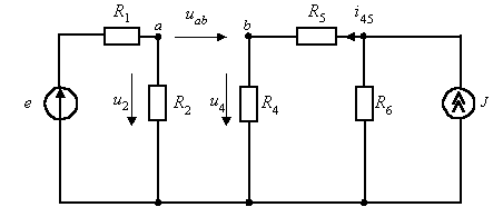
Задача 4.1. Рассчитать в цепи рис. П4.1, параметры эквивалентного источника (см. п. 6.4) по отношению к зажимам аb резистора R3.
Рис. П4.1 |
При размыкании соответствующей ветви (рис. П4.2) цепь распадется на два невзаимодействующих участка.

Рис. П4.2
Для напряжения на разомкнутых зажимах, которое равно uab = u2 - u4, получим

Эти соотношения и определяют ЭДС эквивалентного источника

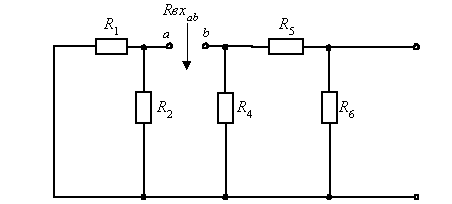
Так как при закорачивании ветви с резистором R3 конфигурация цепи существенно не упрощается, то воспользуемся способом непосредственного расчета внутреннего сопротивления источника R0. Для этого исключим оба независимых источника (рис. П4.3). Входное сопротивление этой цепи относительно зажимов аb равно сумме сопротивлений ее части R12 с параллельным соединением R1 и R2 и второй части R456, представляющей параллельное соединение R4 с последовательно включенными сопротивлениями R5 и R6:


Рис. П4.3
Принимая значения сопротивлений цепи равными друг другу R1 = R2 = R3 = R4 = R5 = R6 = R, получим e0 = e/2 – JR/3, R0 = 7R/6.
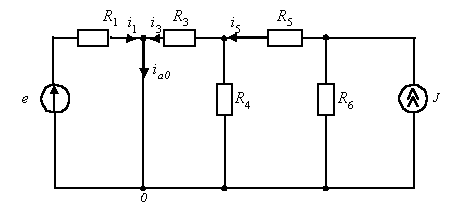
При определении в той же цепи параметров эквивалентного источника по отношению к зажимам а0 резистора R2, наоборот, размыкание ветви не ведет к существенному упрощению. Здесь удобнее использовать закорачивание ветви, при котором оба тока i1 и i3, протекающие через закороченную ветвь (рис. П4.4), определяют как результат действия невзаимодействующих источников.

Рис. П4.4
Имеем:
![]()
где

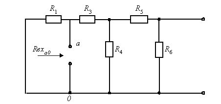
Для определения внутреннего сопротивления R0 найдем входное сопротивление Rвх.a0 в схеме с исключенными источниками (рис. П4.5).

Рис. П4.5
Полученная цепь имеет лестничную структуру, для которой последовательно находим:
![]()
при равенстве сопротивлений элементов цепи параметры эквивалентного источника равны J0 = e/R + J/5, R0 = 5R/8.
|
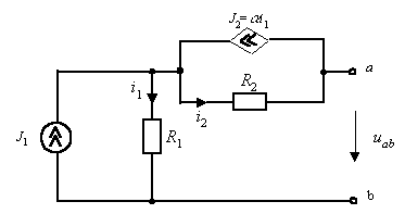
Задача 4.2. В цепи, включающей управляемый источник тока (рис. П4.6) определить параметры эквивалентного источника по отношению к зажимам аb резистора R3. Параметры элементов цепи равны R1 = 20 кОм, R2 = R3 = 1 кОм, J1 = 0,25 мА, J2 = αi1, α = 40. |

Рис. П4.6
При наличии управляемых источников общий ход решения сохраняется, однако эти источники учитываются во всех частных режимах при расчете e0, J0 и R0.
При определении параметров эквивалентного источника относительно зажимов аb размыкание R3 (рис. П4.7) сразу позволяет определить токи в обеих резистивных ветвях: i1 = J1, i2 = J2 = ai1 = aJ1. Для напряжения на разомкнутых зажимах получим uab = - i2R2 + i1R1 = (R1- aR2)J1 = e0 = - 5 В.

Рис. П4.7
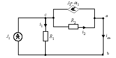
При замыкании ветви с резистором R3 накоротко легко определить токораспределение в цепи (рис. П4.8). В этом режиме все четыре ветви цепи параллельны друг другу, и условие баланса токов в узле с имеет вид:
J1 + J2 =

Рис. П4.8
Поскольку ток в закороченной ветви iаb равен разности J1- i1, то для тока эквивалентного источника имеем
мА.
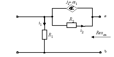
Это позволяет определить и внутреннее сопротивление источника как R0 = e0/J0 = R2(1 - a + R1/R2) = R1 + R2(1 - a) кОм. Покажем, что тот же результат получится при анализе режима в цепи с исключенным источником J1 (рис. П4.9). В рассматриваемой цепи uab = - i2R2 + i1R1. Поскольку из первого закона Кирхгофа i2= - i1+ ai1= - i1(1 - a), то напряжение uab, и входное сопротивление относительно выделенных зажимов Rвх ab = uab/i1 = R1 + R2(1 - a).

Рис. П4.9
При работе в режиме изучения теоретического материала вернитесь назад к тексту Лекции 6.