6.4. ПРИНЦИП ЭКВИВАЛЕНТНОГО ИСТОЧНИКА
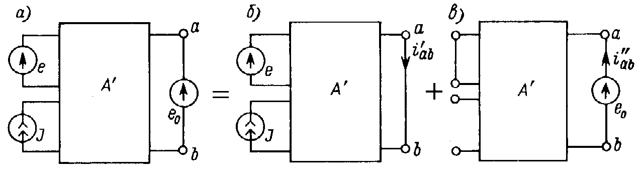
Использование принципа эквивалентного источника позволяет упростить задачу анализа цепи, когда требуется определить токи и напряжения лишь на отдельных ее участках. Согласно этому принципу, двухполюсную часть цепи А на рис. 6.7, а, не имеющую управляющих связей с другой частью В, можно заменить эквивалентным источником ЭДС (рис. 6.7, б) или тока (рис. 6.7, в).

Рис. 6.7
В преобразуемой части цепи А могут находиться независимые источники ЭДС и тока, резистивные элементы, управляемые источники. Управляющие токи и напряжения этих источников должны относиться к части А, но не к части В. Соответственно и управляемые источники, действующие внутри части В, не могут управляться токами и напряжениями, существующими внутри двухполюсника А.
Эквивалентность источника и двухполюсника А должна обеспечиваться при любом значении тока iab или напряжения на зажимах uab. Поэтому при нахождении параметров эквивалентного источника e0, J0 и R0 можно выбрать такие режимы, при которых эти величины определить наиболее просто:
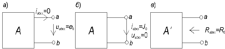
1. При iab = 0 (режим холостого хода) напряжение на зажимах источника ЭДС uab хх = e0, поэтому значение e0 можно найти, размыкsая в анализируемой цепи зажимы двухполюсника аb и определяя напряжение на этих зажимах (рис. 6.8, а).
Рис. 6.8
Это можно осуществить как расчетным путем, так и экспериментально.
2. При uab = 0 (режим короткого замыкания) ток эквивалентного источника тока iab к.з = J0 (рис. 6.8, б). Таким образом, для определения J0 следует закоротить зажимы преобразуемого двухполюсника аb и определить ток, протекающий в закороченной ветви.
3. Для непосредственного нахождения внутреннего сопротивления R0 из двухполюсника А исключают все независимые источники ЭДС и тока (e = 0, J = 0) и в оставшейся части двухполюсника А' определяют входное сопротивление относительно зажимов аb Rвх.ab (рис. 6.8, в), представляющее собой внутреннее сопротивление эквивалентного источника: R0 = Rвх.ab.
Отметим, что при наличии внутри двухполюсника А управляемых источников последние при расчете входного сопротивления не исключаются.
Описанный способ определения R0 не является очевидным, и поэтому дадим его обоснование. Рассмотрим режим работы двухполюсника А при нагрузке на источник ЭДС, значение которой равно ЭДС эквивалентного источника e0 (рис. 6.9, а – в).

Рис. 6.9
Двухполюсник А условно показан состоящим из независимых источников e, J и остальной части А', содержащей резистивные элементы и управляемые источники.
Так как действие e0 компенсирует действие источников e и J, то ток в ветви аb цепи, изображенной на рис. 6.9, а, равен нулю: iab = 0.
Согласно принципу наложения, этот результат можно получить, рассматривая действие независимых источников в отдельности — сначала совместно источников e и J, входящих в двухполюсник А, (рис. 6.9, б), и источника e0, действующего в ветви аb (рис. 6.9, в). Применяя принцип наложения, получим iab = 0 = iab' - iab" (с учетом указанных на рис. 6.9 направлений суммируемых токов). Отсюда следует, что iab' = iab". Однако iab" = J0, поскольку режим, указанный на рис. 6.9, б, тождествен режиму короткого замыкания при расчете J0. Так как отношение e0/iab" выражает входное сопротивление Rвх.ab двухполюсника А', то R0 = e0/J0. Это же вытекает из условия эквивалентности друг другу источников ЭДС и тока (см. рис. 6.7, б,в).
Следовательно, для определения двух независимых параметров источника (e0, R0 или J0, R0) можно использовать любые два из рассмотренных трех способов. Установленная связь R0 = e0/J0 показывает их тождественность.
Выбор способов определения параметров эквивалентного источника диктуется соображениями простоты анализа цепей, получающихся из исходной в рассмотренных выше частных режимах: при размыкании и замыкании накоротко зажимов аb двухполюсника А, а также цепи с исключенными независимыми источниками. В относительно несложных цепях такие изменения структуры исходной цепи приводят к упрощениям, позволяющим получить результат с помощью элементарных приемов. В сложной цепи с большим числом элементов размыкание одной ветви или закорачивание пары узлов не упрощает существенно ее структуры, и анализ преобразованной цепи приходится проводить, используя методы узловых напряжений или контурных токов (по трудоемкости это сопоставимо с анализом исходной цепи). Поскольку расчет параметров эквивалентного источника требует решения двух вспомогательных задач, то применение описанного метода для определения тока или напряжения одной из ветвей цепи с фиксированными параметрами уступает по эффективности другим методам. Однако иногда необходимо рассчитать цепь, часть элементов которой имеет фиксированные параметры, а параметры другой части варьируются для нахождения режима работы цепи, удовлетворяющего определенным критериям. В этом случае замена фиксированной части цепи эквивалентным двухполюсником упрощает расчеты.
Использовать принцип эквивалентного источника можно и в тех случаях, когда цепь эквивалентируется относительно разомкнутых (или короткозамкнутых) зажимов. Параметры источника определяют при этом с помощью противоположного режима — закорачивания разомкнутых зажимов или размыкания короткозамкнутых.
Пример применения метода эквивалентного источника к расчету токов в пассивной цепи рассмотрен в Задаче 4.1, в активной цепи — в Задаче 4.2.