24.2. РЕАЛИЗАЦИЯ ВХОДНЫХ ФУНКЦИЙ РАЗЛОЖЕНИЕМ НА ПРОСТЫЕ ДРОБИ
Рациональную дробь, выражающую подлежащую реализации входную функцию цепи F(s) = G(s)/H(s), можно представить в виде суммы простейших дробей. Для положительной вещественной функции с простыми полюсами такое разложение представляется в виде
|
| (24.1) |
где s0k полюсы F(s) корни знаменателя Н(s) = 0; Ak вычеты в соответствующих полюсах, Ak = lim [(s – s0k) F(s)] = G(s0k)/H '(s0k) при s ® s0k.
Целая часть разложения имеет указанный вид, если степень числителя превышает степень знаменателя (из условия положительности функции F(s) следует, что степени обоих полиномов отличаются не более чем на единицу). Если их степени одинаковы, то A¥ = 0, если F(s) правильная дробь, то A¥ = A0 = 0.
При положительных значениях коэффициентов A¥, A0, Ak и вещественных отрицательных полюсах разложение (24.1) позволяет легко осуществить построение цепи по заданной входной функции F(s).
Однако применение метода возможно и в случае, если выражение F(s) имеет лишь чисто мнимые полюсы, что соответствует LС-цепи (см. п.22.2). При этом степени числителя и знаменателя различны и выражение (24.1) не может содержать слагаемого A0. Объединяя слагаемые суммы (24.1), соответствующие сопряженным корням знаменателя ± jw0k и имеющие одинаковые положительные вычеты Ak > 0, приведем это выражение к виду
,
где Bk = 2Ak.
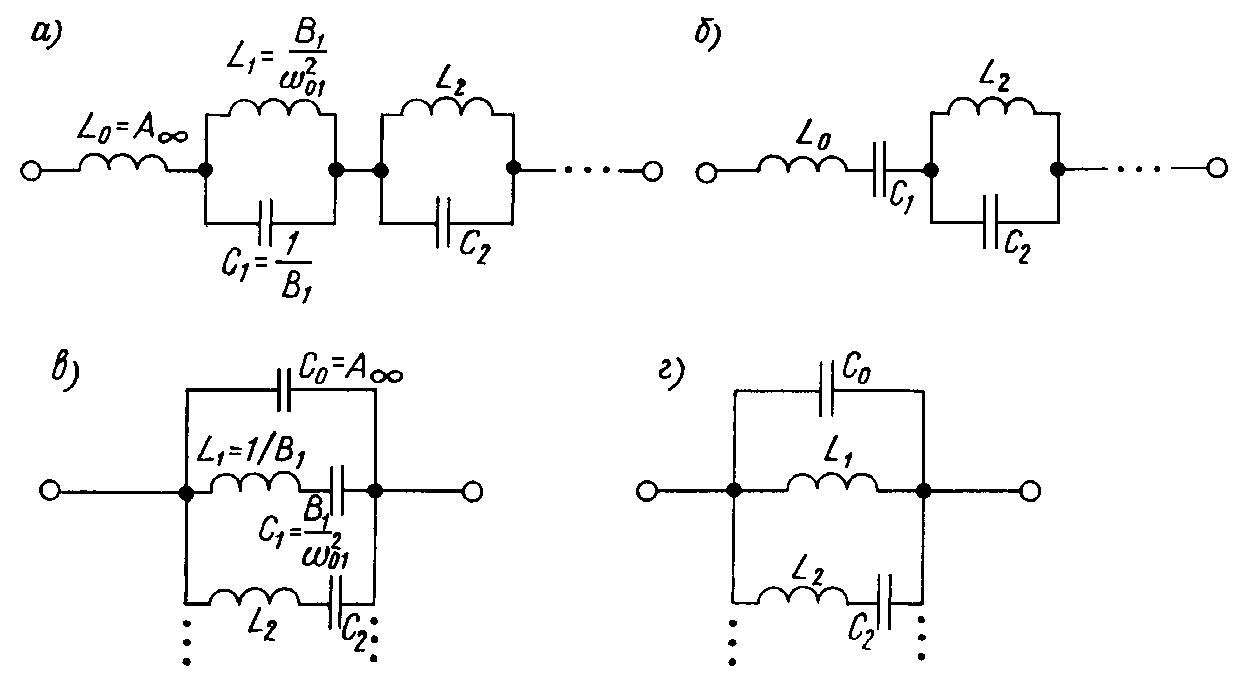
Если рассматриваемая функция представляет собой операторное сопротивление цепи, то отдельным ее слагаемым соответствуют последовательно включенные участки цепи. Первому из них отвечает индуктивность, а остальным слагаемым параллельно включенные индуктивности и емкости (рис. 24.2, а).

Рис. 24.2
К такому заключению приходим, анализируя величину
Yk(s), обратную
:
.
Отсюда следует, что емкость равна
Ck = 1/Bk, а индуктивность
. Если
w0k = 0, то параллельный контур заменяется одной емкостью (рис. 24.2, б).
Аналогичные результаты могут быть получены, если F(s) является входной проводимостью. В этом случае слагаемые F(s) = Y(s) реализуются параллельно соединенными участками. Первый из них включает емкость C0 = A¥, а остальные последовательно соединенные емкости и индуктивности (рис. 24.2, в). Их параметры определим в результате рассмотрения величины Zk(s), обратной Yk(s):
.
Следовательно, индуктивности Lk равны в этом случае
Lk = 1/Bk, а емкости
. При
w0k = 0 соответствующая LС-цепочка вырождается в одиночную индуктивность (рис. 24.2, г).
Если степень числителя входной функции F(s) ниже степени знаменателя, т. е. эта функция выражается правильной дробью, слагаемые A¥ и A0 отсутствуют, и схемы а, б не содержат последовательной индуктивности L0, а схемы в, г параллельной емкости С0.
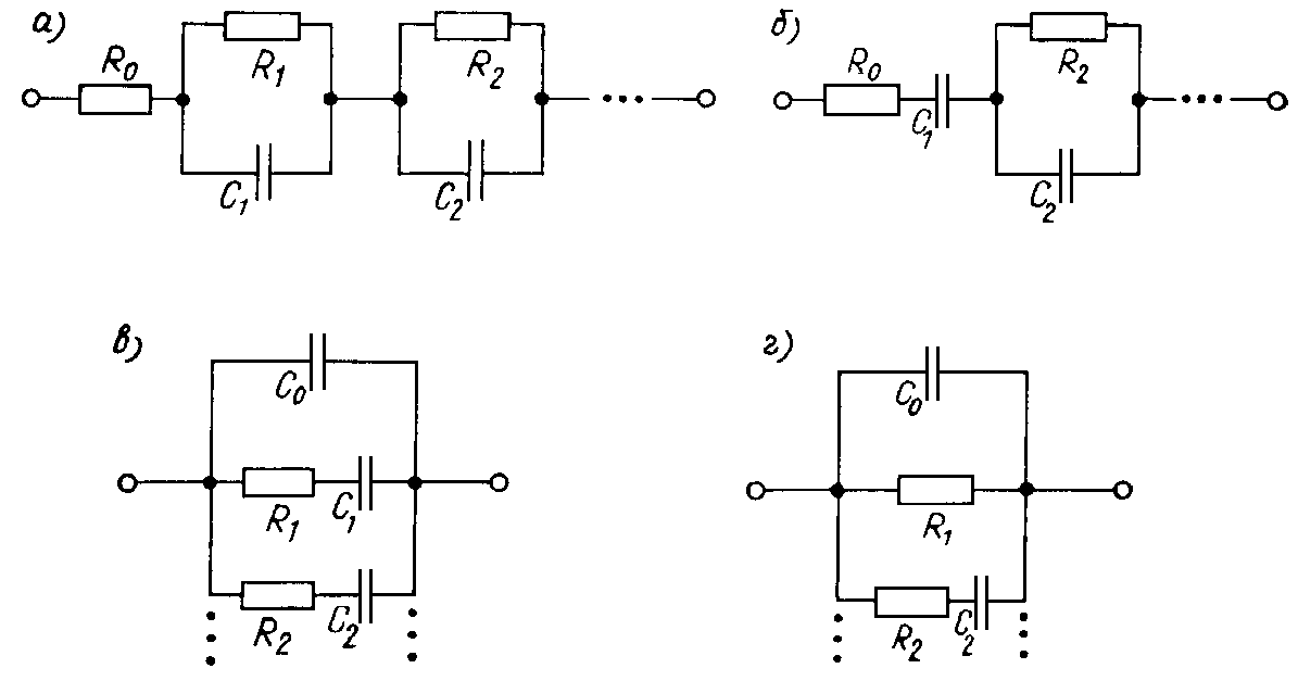
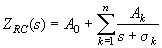
При реализации RС-цепи учтём, что ZRC(s) имеет положительные вычеты и, следовательно, разложение
,
где sk = – s0k, имеет лишь положительные коэффициенты в числителе. Это позволяет реализовать ZRC(s) в виде последовательного соединения отдельных участков, каждый из которых имеет сопротивление Zk(s) = Ak/(s + sk) или проводимость Yk(s) = 1/Zk = s/Ak + sk/Ak. Отсюда видно, что эти участки представляют параллельно включенные емкости Ck = 1/Ak и резисторы Rk = Ak/s k. Первому слагаемому ZRC(s) отвечает резистор с R0 = A0 (рис. 24.3, а). При наличии полюса у ZRC(s) в точке s = 0, sk = 0, и соответствующее слагаемое реализуется емкостью Ck = 1/Ak, включенной последовательно с R0 (рис. 24.3, б).

Рис. 24.3
Другой путь реализации RС-цепи основан на разложении на сумму простейших дробей отношения YRC(s)/s. Так как эта величина имеет положительные вычеты, то после умножения результата разложения этого отношения на s запишем YRC(s) в виде
,
где все значения коэффициентов Ak положительны.
Полученное выражение позволяет осуществить реализацию искомой цепи в виде параллельного соединения конденсатора с емкостью С0 = A0 и RС-цепочек с последовательным соединением элементов (рис. 24.3, в). Для определения параметров цепочек рассмотрим величину Zk(s), обратную к Yk(s) = Aks/(s + sk), Zk = 1/Ak + sk/Aks. Это выражение показывает, что Rk = 1/Ak, а Ck = Ak/sk. И в этом случае при sk = 0 соответствующая RС-цепочка заменяется на резистор 1/Ak, включенный параллельно остальным участкам синтезируемой цепи (рис. 24.3, г).
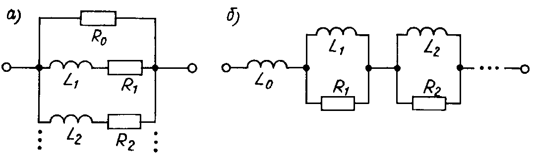
Аналогично поступают и при реализации RL-цепи. То обстоятельство, что для этого класса цепей положительными вычетами обладает функция YRL(s), позволяет представить ее в виде суммы
,
где sk = – s0k, в которой все значения коэффициентов Ak положительны. Такое разложение ведет к реализации в форме параллельного соединения резистора R0 = 1/A0 и RL-цепочек с параметрами Lk = 1/Ak и Rk = sk/Ak (рис. 24.4, а).

Рис. 24.4
Другая схема получится при разложении на сумму простейших дробей отношения ZRL(s)/s. Установленные выше свойства этого разложения позволяют окончательно представить ZRL(s) как сумму
.
Это приводит к реализации в форме последовательного соединения индуктивности L0 = A0 и параллельных RL-контуров с параметрами Rk = Ak и Lk = Ak/sk (рис. 24.4, б). Как и в рассмотренных выше случаях, при наличии полюса sk = 0 одна из ветвей схемы вырождается: для схемы а) будем иметь Rk = 0, для схемы б) Lk = ¥.
Способ разложения на сумму простейших дробей в отдельных случаях может приводить и к реализации RLС-цепи с вещественными полюсами, но при условии, что вычеты во всех полюсах положительны. Однако формулировка общих требований к F(s), при которых это условие выполняется, вызывает затруднения.
Недостатком рассмотренного способа реализации входных функций является необходимость вычисления корней знаменателя, что может вызвать затруднения при высокой степени полинома знаменателя.
Примеры реализации входных функций путем разложения на сумму простейших дробей приведены в задачах 22.1 - 22.3.