24.3. РЕАЛИЗАЦИЯ ВХОДНЫХ ФУНКЦИЙ РАЗЛОЖЕНИЕМ В ЦЕПНУЮ ДРОБЬ
Рассматриваемый метод приводит к схемам стандартного вида также только в случае двухэлементных цепей. В связи с этим рассмотрим его применительно к отдельным классам таких цепей
LС-цепи. Пусть входное сопротивление рассматриваемой цепи имеет полюс в бесконечности степень его числителя выше степени знаменателя. Это позволяет представить Z(s) в виде суммы целой части и остатка Z1(s), представляющего собой правильную дробь
Z(s) = sL1 + Z1(s).
Выполненное разложение приводит к выделению из общего выражения Z(s) слагаемого, соответствующего индуктивности, включенной последовательно с остальной частью цепи. Остаток после выделения индуктивности является положительной вещественной функцией, и его можно реализовать тем же способом: обратная величина проводимость Y1(s) = 1/Z1(s) будет неправильной дробью, что позволяет выделить из нее целую часть
.
Это приводит к выделению из остатка слагаемого, соответствующего емкости, включенной параллельно остальной части цепи. Продолжение этого процесса с выделением целой части поочередно из сопротивлений и проводимостей приводит в результате к представлению исходного выражения в виде конечной цепной дроби
.
На последнем этапе деление выполняется без остатка. Цепная схема, соответствующая полученному выражению, изображена на рис. 24.5, а.

Рис 24.5
Если выражение входной проводимости LС-цепи имеет полюс в бесконечности, то к нему можно применить аналогичную процедуру. Окончательный результат разложения можно представить в виде
.
Этой дроби будет отвечать цепь, изображенная на рис. 24.5, б.
Если ZLC(s) имеет полюс при s = 0, то разложение входной функции LC-цепи в цепную дробь можно осуществить и иначе, начиная деление не со старших, а с младших степеней полиномов числителя и знаменателя. На начальном этапе деление младших степеней числителя и знаменателя приводит к выделению емкости 1/sC1, включенной последовательно с остальной частью цепи. Последовательное применение этого же приема к величине, обратной остатку, приводит к окончательному представлению
,
которому соответствует схема, изображенная на рис. 24.5, в.
Если рассматривается входная проводимость LC-цепи, имеющая полюс при s = 0 (цепь обладает нулевым сопротивлением на постоянном токе), то деление младших степеней числителя и знаменателя приводит к выделению слагаемого 1/sL1, соответствующего индуктивности, включенной параллельно остальной части цепи. Продолжение этого процесса приводит к представлению
,
которому соответствует схема, изображенная на рис. 24.5, г.
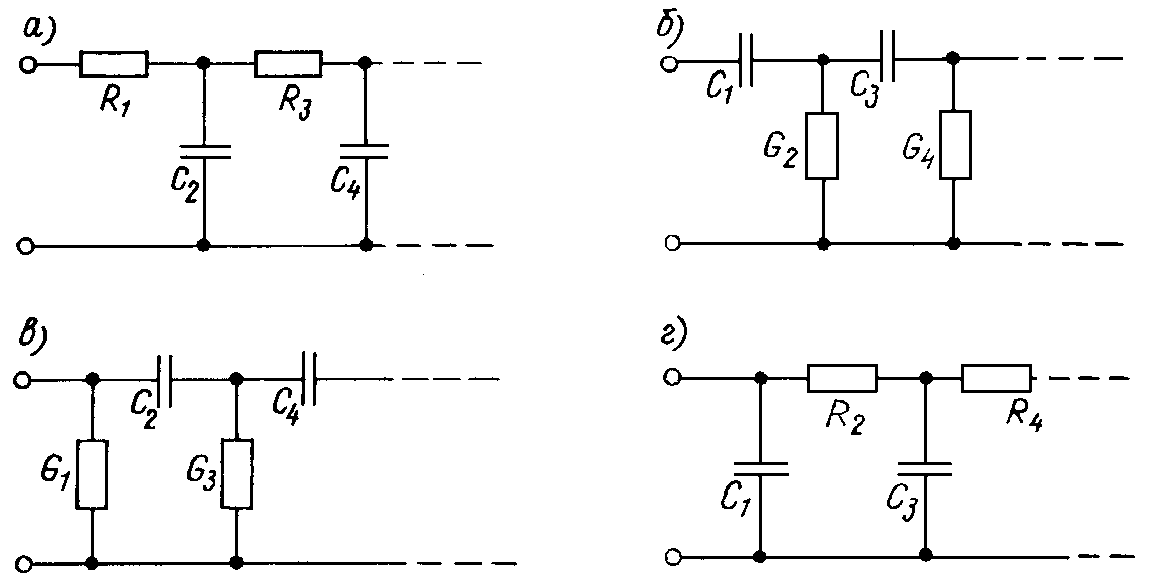
RС-цепи. Применение способа разложения в цепную дробь к RС-цепям требует предварительного анализа свойств цепи при s = 0 и s ® ¥. Если входное сопротивление ZRC(¥) имеет ненулевое значение (степени числителя и знаменателя одинаковы), то, начиная деление со старших степеней числителя и знаменателя, выделим целую часть и получим остаток, представляющий правильную дробь. Величина, обратная остатку, является неправильной дробью и допускает выделение целой части с множителем s. Продолжая этот процесс, приведем исходное выражение к виду
.
Соответствующая схема представлена на рис. 24.6, а.

Рис 24.6
Наличие полюса при s = 0 у входного сопротивления RС-цепи позволяет выделить на начальном этапе слагаемое вида 1/sС1. Для этого деление числителя на знаменатель осуществляется, начиная с младших степеней. Продолжение этого процесса по отношению к величине, обратной остатку, даст следующий член дроби, не содержащий s. В результате последовательного применения указанного приема получим цепную дробь
,
которая приводит к схеме, изображенной на рис. 24.6, б.
Другие варианты цепных схем RС-цепей можно получить, рассматривая выражение для операторной проводимости цепи. Если проводимость цепи при s = 0 отлична от нуля, то деление полиномов числителя и знаменателя, начатое с младших членов, позволяет выделить проводимость, включенную параллельно остальной части схемы. На дальнейших этапах выделяем последовательно включенные емкости и параллельно включенные проводимости и получаем
,
что соответствует схеме рис. 24.6, в.
Если YRC(s) имеет полюс в бесконечности (степень ее числителя выше степени знаменателя), то деление осуществляется, начиная со старших степеней. В результате получим дробь
,
приводящую к схеме рис. 24.6, г.
RL-цепи. Четыре варианта реализации цепей этого класса на основе разложения в цепную дробь получаются аналогично. Результаты приведены в табл. 24.1.
Разложение в цепные дроби в 1-м и 4-м вариантах осуществляется делением, начиная со старших степеней полиномов числителя и знаменателя, во 2-м и 3-м вариантах начиная с младших степеней.
Таблица 24.1
|
Характеристики сопротивления ZRL(s) |
Выражение функции цепи |
Схема |
||
|
s = 0 |
s = ¥ |
|||
|
1 |
- |
Полюс |
|
|
|
2 |
Нуль |
- |
|
|
|
3 |
Ненулевое значение |
- |
|
|
|
4 |
- |
Конечное значение |
|
|
в зависимости от характера поведения при s = 0 и s ® ¥, каждое конкретное выражение функции двухэлементной цепи допускает два варианта реализации в виде цепной дроби.
В результате применения обеих рассмотренных канонических реализаций разложения на сумму простейших дробей и представления в виде цепной дроби для каждой двухэлементной LС-, RС- или RL-цепи можно получить четыре канонические схемы. Первая из них отвечает разложению входного сопротивления на сумму простейших дробей (для RL-цепи разложению отношения ZRL(s)/s). Вторая получается в результате разложения входной проводимости на сумму простейших дробей (для RС-цепи осуществляется разложение функции YRC(s)/s). Две другие канонические схемы получим, раскладывая Z(s) или Y(s) в цепные дроби. Наличие полюса входной функции при s = ¥ позволяет начинать деление со старших степеней полиномов числителя и знаменателя, при наличии полюса s = 0 деление полиномов осуществляется, начиная с младших степеней. При отсутствии полюсов и нулей s = 0 или s = ¥ на начальном этапе деления из входной функции выделяют целую часть, не содержащую множителя s. Если 0 < F(0) < F(¥), то деление осуществляется, начиная с младших степеней полиномов; если же F(0) > F(¥) > 0, процесс разложения в цепную дробь производится делением, начиная со старших степеней s.
Метод разложения в цепную дробь иногда оказывается применимым и к реализации RLC-цепей. Но это возможно лишь при условии, что на каждом этапе разложения остаток от выделения очередного слагаемого представляет положительную вещественную функцию. При реализации рассмотренных выше двухэлементных цепей это условие выполняется автоматически и не нуждается в проверке.
Примеры реализации входных функций путем разложения в цепную дробь приведены в задачах 22.1 - 22.3.