22.4. ТОПОЛОГИЧЕСКИЕ МЕТОДЫ ФОРМИРОВАНИЯ ФУНКЦИЙ ЦЕПЕЙ

К плану данной лекции К плану следующей лекции К предыдущему вопросу

22.4. ТОПОЛОГИЧЕСКИЕ МЕТОДЫ ФОРМИРОВАНИЯ ФУНКЦИЙ ЦЕПЕЙ

До сих пор для формирования входных и передаточных функций цепей мы использовали алгебраические методы, основанные на преобразованиях, описывающих цепь узловых или контурных уравнений, а также уравнений Кирхгофа и вытекающих из них правил преобразования сопротивлений и проводимостей параллельных или последовательных ветвей. Недостатком такого подхода помимо большого объема промежуточных алгебраических выкладок является и то, что часть членов, входящих в контурные или узловые уравнения, в процессе исключения сокращаются, и алгебраические операции, связанные с сокращением этих членов, являются избыточными. 

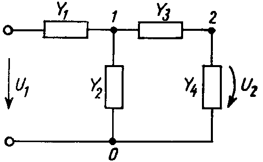
Рис. 22.8

Например, если для определения передаточной функции цепи  , изображенной на рис. 22.8, используются узловые уравнения

      ,

то любой способ исключения из системы напряжения  — будь то по правилу Крамера или методом редукции Гаусса — сводится к вычитанию произведений

  ,  

в ходе которого сокращается член, содержащий Y32. В рассматриваемом простом случае это может показаться несущественным, однако для более сложных цепей объем подобных избыточных преобразований значительно больше.

Существуют более экономичные методы формирования определителей, через которые выражаются функции цепи. К ним относятся топологические методы, восходящие еще к Кирхгофу и Максвеллу. Они позволяют записывать выражения входных и передаточных функций непосредственно по виду схемы цепи, используя лишь информацию о способе соединения ветвей (топологические характеристики цепи) и о составе элементов.

Вычисление узлового определителя. Из рассмотренного выше примера (см. рис. 22.8) следует, что главный определитель системы узловых уравнений DY пассивной цепи равен сумме произведений проводимостей ветвей всех деревьев, образующих данную цепь:

 

Действительно, для цепи с тремя узлами и произвольным числом ветвей при ее описании узловыми уравнениями матрица узловых проводимостей имеет вид

 

где Y10 — сумма проводимостей всех ветвей, соединяющих узлы с индексами 1 и 0; Y20 и Y12 — аналогичные суммы для соответствующих пар узлов.

Определитель записанной матрицы после сокращения членов Y122 принимает вид

  .

Так как все деревья рассматриваемой цепи с тремя узлами, соединяющие все узлы, включают по две ветви, то каждое дерево состоит из пары ветвей, имеющих один общий узел  — 0, 1 или 2. Нетрудно убедиться, что структура полученного выражения охватывает все деревья цепи: к первой группе слагаемых относятся проводимости ветвей всех деревьев, имеющих общий узел 1, ко второй  — общий узел 0, и к третьей — все деревья с общим узлом 2.

Рис. 22.9

Отсюда видно, что выражение для DY цепи с тремя узлами включает слагаемые, равные произведению проводимостей всех деревьев рассматриваемой цепи.

Указанное правило вычисления определителя DY сохраняется и при переходе к более сложным структурам. Однако здесь число деревьев существенно возрастает. Так, для цепи с четырьмя узлами каждое дерево включает три ветви. При этом число групп 

 ветвей, соединяющих каждые два узла, возрастает до шести (что определяется числом сочетаний С24). Число же групп слагаемых с произведениями проводимостей ветвей YjYkYm в выражения для DY возрастает с 3 до 16. Можно показать, что общее число деревьев в цепи, включающей п узлов, в которой каждый узел соединен со всеми остальными, равно nn - 2.

Таким образом, выражение для определителя DY можно получить перебором деревьев данной цепи, суммируя произведения проводимостей ветвей всех неповторяющихся деревьев. Отсюда следует, что выражение DY не зависит от нумерации узлов. Отдельные слагаемые DY содержат проводимости различных ветвей — в нем не могут появиться слагаемые, содержащие вторую и более высокие степени проводимостей отдельных ветвей, а также слагаемые с числовыми безразмерными множителями. Появление таких слагаемых возможно лишь в цепях, включающих элементы с одинаковыми значениями проводимостей различных ветвей. Ветви, входящие в одно слагаемое, не могут образовывать контур.

Наиболее трудоемким элементом топологического метода формирования узлового определителя DY является отыскание всех деревьев цепи. Их общее число, очевидно, равно узловому определителю цепи рассматриваемой структуры, у которой проводимости всех ветвей равны единице. Так как матрица узловых проводимостей выражается через матрицу соединений цепи А как Yу=АYАt (— диагональная матрица проводимостей ветвей, см. п. 3.2), то DY =det (АYАt), а общее число деревьев цепи (при Y = l) равно DY = det (ААt).

Пример. Рассмотрим цепь с четырьмя узлами, граф которой изображен на рис. 22.9. При переборе ветвей цепи будем выбирать их номера последовательно, начиная с 1-го, так, чтобы их нумерация в отдельных деревьях возрастала как можно меньше, подобно тому, как это делается при определении передачи сигнального графа по формуле Мейсона. Каждое дерево содержит три ветви, поэтому полный набор деревьев, построенный по указанному правилу, будет содержать ветви с номерами 135, 136, 137, 145, 146, 147, 157, 167, 235, 236, 237, 245, 246, 247, 257, 267, 356, 357, 456, 457 и 567. В рассматриваемой цепи процесс перебора деревьев можно упростить, заменяя параллельно включенные ветви Y1 и Y2, а также Y3 и Y4 составными ветвями с суммарной проводимостью Y1 + Y2 и Y3 + Y4. Это позволяет записать более компактно выражение для узлового определителя:

    

Вычисление контурного определителя. Применение принципа дуальности приводит к аналогичному представлению для определителя матрицы контурных сопротивлений цепи в виде суммы произведений сопротивлений ветвей, входящих в дополнение каждого дерева:

  ,   

суммирование здесь ведется по всем деревьям рассматриваемой цепи.

Эта формула также позволяет получить выражение для DZ без составления и преобразования уравнений цепи — путем перебора ее деревьев. Анализ ее приводит к выводам, аналогичным сделанным выше при анализе DY — в состав слагаемых DZ не могут входить произведения одних и тех же сопротивлений. Совокупность ветвей, сопротивления которых входят в одно слагаемое DZ, не может образовывать сечение, данной цепи. Выражение DZ инвариантно относительно выбора контуров, а зависит лишь от топологии цепи и сопротивлений ветвей.

Сопоставление выражений DZ и DY приводит к выводу о существовании простой связи между ними

  .  

Поэтому, в частности, характеристическое уравнение цепи имеет одинаковый вид независимо от того, использовались ли при его выводе контурные или узловые уравнения.

Формирование передаточных и входных функций. Выражения безразмерных передаточных функций — коэффициента передачи по напряжению KU=U1/U2 и по току KI содержат в числителях слагаемые той же размерности, что и в знаменателе, который может быть представлен как DY, либо как DZ, либо в виде произведения одной из этих величин на произведение сопротивлений или проводимостей некоторого числа ветвей цепи. Пусть для определенности цепь, содержащая п +1 узел, описывается узловыми уравнениями через проводимость ветвей. Тогда каждое слагаемое числителя и знаменателя KU,I  выражается произведением п проводимостей ветвей. Это определяется тем, что при представлении передаточной функции через определители по правилу Крамера выражение напряжения k-го узла цепи Uk0, питаемой от единственного источника напряжения U1, включенного в ветвь с проводимостью Ym0, соединяющую нулевой узел с m-ым узлом цепи, представляется как отношение  , где D'Yk,— определитель, образованный из главного определителя DY заменой k-го столбца на столбец правых частей, включающий единственный отличный от нуля элемент Ym0. Эта величина входит в качестве слагаемого в выражение для собственной проводимости Ymm. Поэтому DY содержит те же комбинации проводимостей ветвей отдельных деревьев цепи, что и знаменатель. Однако он содержит не все эти комбинации, а лишь их часть. Поэтому в рассматриваемом случае, когда один из узлов ветви с внешним источником напряжения U1 совпадает с одним из узлов, между которыми определяется выходное напряжение U2, задача формирования передаточной функции KU=U2/U1 сводится к выбору части произведений проводимостей ветвей деревьев цепи из полного их набора, входящего в знаменатель.

В случае, если узлы входной ветви и крайние узлы пути, вдоль которого измеряется выходное напряжение, не совпадают, выходное напряжение можно выразить как разность двух узловых напряжений, каждое из которых формируется указанным выше образом. В этом случае процедура, описанная ниже, применяется к каждому из этих узловых напряжений.

При определении принадлежности к числителю отдельных слагаемых знаменателя KU производится их последовательный анализ. Комбинация проводимостей определенных ветвей YjYkYm..., входящая в DY, присутствует и в определителе числителя DY, если при размыкании всех остальных ветвей цепи, не входящих в эту комбинацию, напряжение, создаваемое входным источником, передается на выход цепи. Действительно, размыкание всех ветвей, не входящих в данный набор, эквивалентно тому, что их проводимости равны нулю, и DY содержит лишь одно ненулевое слагаемое YjYkYm. Если в этом режиме передача напряжения на выход цепи имеет место, что легко определить непосредственно по виду цепи, мысленно закорачивая ветви j, k, т... и размыкая все остальные, то эта же комбинация проводимостей входит и в состав числителя передаточной функции DYk'.

Аналогично анализируется включение в состав числителя членов знаменателя при описании цепи через сопротивления и определитель DZ. Те же соображения относительно безразмерных передаточных функций ведут к тому, что часть произведений сопротивлений комбинаций ветвей ZjZkZm из DZ входит и в числитель DZk'. Выделение этих комбинаций осуществляется путем размыкания ветвей j, k, т, входящих в данную комбинацию, и закорачивания всех остальных. Если в этом частном режиме существует передача со входа на выход цепи, то эта комбинация входит в DZk'.

При гибридном описании ветвей, когда часть их описывается сопротивлениями Z, а часть — проводимостями Y, принадлежность слагаемого знаменателя к числителю проверяют посредством анализа условий передачи сигнала со входа на выход при размыкании Z-ветвей и закорачивании Y-ветвей данной комбинации с закорачиванием всех остальных Z-ветвей и размыканием всех остальных Y-ветвей.

Пример. Пусть в цепи, граф которой изображен на рис. 22.9, источник входного напряжения действует в ветви 5 (источник ЭДС е включен последовательно с Y5, а выходное напряжение представляет собой напряжение на ветви с проводимостью Y7. Легко установить, что при размыкании ветви 5 (Y5=0) выходное напряжение пропадает. То же происходит и при закорачивании ветви 7 (Y7 ¥). Поэтому при определении принадлежности слагаемых знаменателя к числителю рассмотрим лишь те из них, в которых присутствует Y5 и отсутствует Y7. Суммы проводимостей параллельных ветвей (Y1 + Y2) и (Y3 + Y4), входящие в полученное выше выражение DY, рассматриваются как составные ветви. Легко установить далее, анализируя структуру цепи, что передача напряжения на выход нарушается при одновременном размыкании ветвей 1 и 2, а также 3 и 4. Поэтому в выражения числителя передаточной функции обязательно войдут суммы проводимостей обеих пар ветвей. С другой стороны, слагаемые, включающие Y6, в числитель не входят, так как замыкание этой ветви накоротко (Y= ¥) препятствует появлению сигнала на выходе. С учетом сказанного, в выражение числителя передаточной функции войдут лишь члены

    

и окончательное выражение передаточной функции рассматриваемой цепи имеет вид

    

   . 

Для частной проверки этого результата вычислим передачу KU для рассматриваемой цепи, проводимости всех ветвей которой равны единице. Подстановка численных значений Yk = 1, в полученное выражение 

Рис. 22.10

дает KU = 4/21. Этот же результат будем иметь при анализе резистивной цепи (рис. 22.10), в которой для упрощения каждая из параллельных ветвей (1, 2 и 3, 4) заменена одним элементом с R = 1/2.

Описанный принцип формирования передаточных и входных функций можно использовать и для нахождения размерных функций цепи — сопротивлений и проводимостей. Если входная величина представляет ток, а выходная — напряжение на одной из ветвей [F(s) = Z12(s)], то сначала определяем ток в этой ветви через безразмерный коэффициент передачи KI, а затем умножаем его на сопротивление выходной ветви. Аналогично, передаточная проводимость Y12 определяется умножением проводимости выходной ветви на безразмерный коэффициент передачи KU. Для определения входного сопротивления двухполюсника рассматривается два режима входной ветви. Определяется DY (или DZ) при действии во входной ветви источника ЭДС  — при закороченных входных зажимах. Затем указанная процедура формирования определителя DY' (или DZ') повторяется для цепи с разомкнутыми входными зажимами — в режиме источника входного тока. Входное сопротивление затем определяется как отношение

  .

Изложенные способы формирования входных и передаточных функций наиболее экономны из-за сокращения промежуточных алгебраических преобразований. Однако при их использовании следует тщательно соблюдать упорядоченную процедуру перебора деревьев, так как существует опасность пропусков или повторов отдельных комбинаций ветвей.

Конец 22-й лекции

Обратно к плану данной лекции
Перейти к задачам по теме данной лекции
Дальше к плану следующей лекции