22.3. СВОЙСТВА ВХОДНЫХ ФУНКЦИЙ RС- И RL-ЦЕПЕЙ К плану данной лекции К следующему вопросу К предыдущему вопросу

22.3. СВОЙСТВА ВХОДНЫХ ФУНКЦИЙ RС- И RL-ЦЕПЕЙ

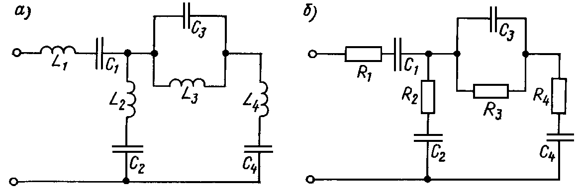
Для изучения свойств -цепей сопоставим аналогичные по структуре и численным значениям параметров - и -цепи. Изображенные на рис. 22.7, а,б цепи различаются тем, что все индуктивности первой из них заменены на резисторы с одинаковыми численными значениями параметров Ri [Ом] = Li [Гн].

Рис. 22.7

Сопротивления ветвей первой цепи описываются в общем случае формулами

, второй — .

Операторное входное сопротивление Zвх(s) каждой из цепей можно представить как отношение определителя матрицы контурных сопротивлений цепи Dn(s) к его минору Dn–1(s), образованному из Dn(s) вычеркиванием столбца и строки, соответствующих контуру, включающему источник ЭДС во входной ветви

.

При формировании обоих определителей в результате перемножения собственных и общих контурных сопротивлений-цепи, имеющих такую же структуру, как и сопротивления ветвей Zi(s), получим соотношение (22.4), которое можно представить в общем виде как ZLC(s) = sF '(s2). При записи аналогичного выражения входного сопротивления -цепи (см. рис. 22.7, б) каждый сомножитель Dn и Dn–1 можно получить из соответствующего сомножителя определителя -цепи путем деления на s и замены в оставшемся выражении s2 на s. Поэтому такой же принцип перехода позволяет получить и окончательный вид функции ZRC(s) на основе выражения (22.4) для -цепи, в котором надо в F ' сделать замену s2 на s и убрать сомножитель s в числителе. В результате придем к выражению

. (22.5)

Таким образом, входное сопротивление -цепи отличается от ZLC(s) видом сомножителей в скобках, содержащих s в первой степени в числителе и знаменателе. Это означает, что все его нули и полюсы расположены на вещественной оси, являются простыми и чередуются между собой: 0 £ s0 < s1 < s2 < s3 ...

Общее выражение для ZRC(s) показывает также, что степень его числителя не превышает степени знаменателя — при s ® ¥ это сопротивление не может неограниченно возрастать. В результате ZRC(s) имеет либо одинаковые степени полиномов числителя и знаменателя, либо степень числителя на единицу меньше. В начале координат (при s = 0) ZRC(s) может иметь полюс, но не нуль, а при s ® ¥  — нуль, но не полюс.

Поскольку в каждой паре следующих друг за другом полюсов и нулей sk, sk+1 полюс расположен ближе к началу координат, чем нуль (sk < sk+1), то отношение модулей двух соответствующих сомножителей числителя и знаменателя (jw + sk+1)/(jw + sk) с увеличением частоты убывает. Это определяет монотонно спадающий и непрерывный характер зависимости модуля входного сопротивлений -цепи от частоты ZRC(w): при s = jw имеем Z(w)/ w < 0.

Вычеты Ai в полюсах s = – s вещественны и положительны — по правилу вычисления вычета

.

Поскольку числитель и знаменатель имеют одинаковое число отрицательных сомножителей, то результат деления положительный.

Хотя выражение операторной входной проводимости YRC(s) -цепи имеет простые вещественные полюсы и нули, и его структура, в принципе, такая же, как и у ZRC(s), оно обладает несколько отличными свойствами. Во-первых, при s = 0 YRC(s) может иметь нуль, но не полюс, а при s = ¥ — полюс.  Общее выражение для проводимости такой цепи имеет вид

,

Вторым отличием является то, что все вычеты Ai в полюсах YRC(s) отрицательны: теперь для вычета в полюсе -si имеем

Числитель и знаменатель этой дроби содержат разное количество отрицательных скобок-сомножителей, и результат деления отрицателен. Функция YRC(s)/s имеет положительные вычеты, так как его структура совпадает со структурой ZRC(s).

Свойства входных функций RL-цепей легко установить, сопоставив их с двухэлементными -цепями. При переходе от LC-цепи к RL-цепи с одинаковой структурой операторные сопротивления ее ветвей пересчитываются по правилу

.

Поэтому для получения выражения ZRL(s) из ZLC(s) сомножители последнего, имеющие вид , следует заменить на s + s. При этом в числителе и знаменателе исключается одинаковое число сомножителей вида 1/s, а множитель s, присутствующий в числителе ZLC(s), сохраняется. В результате получаем следующее общее выражение для входного сопротивления

, (22.6)

Очевидно, что его структура тождественна выражению YRC(s), и поэтому свойства функций ZRL(s) и YRC(s) одинаковы — входное сопротивление RL-цепи имеет лишь вещественные, простые нули и полюсы, чередующиеся на отрицательной полуоси; степень числителя ZRL(s) не ниже степени знаменателя. В начале координат ZRL(s) может иметь нуль; наличие полюса исключается. При s = ¥ ZRL может иметь полюс, но не нуль. Оба значения: ZRL(0) и ZRL(¥)могут быть ненулевыми, конечными. Модуль входного сопротивления RL-цепи монотонно возрастает с увеличением частоты: ZRL/w > 0 . Вычеты в полюсах ZRL(s) вещественные, отрицательные. Вычеты выражения ZRL(s)/s — положительные.

Нетрудно установить, что свойства входной проводимости RL-цепи тождественны свойствам входного сопротивления -цепи. В частности, YRL(s) имеет положительные вычеты.

Подведем итоги анализа свойств входных функций двухэлементных пассивных цепей. У всех трех классов цепей (,и RL) эти функции имеют простые нули полюсы, расположенные либо на мнимой оси (LС-цепи), либо на вещественной отрицательной полуоси. Нули и полюсы этих цепей чередуются. Вычеты в полюсах всегда вещественны. Для цепей без потерь вычеты в полюсах обеих входных функций (сопротивления и проводимости)  — положительны. Вычеты в полюсах ZRС(s) и YRL(s) положительны, вычеты в полюсах YRС(s) и ZRL(s) — отрицательны. Функции YRС(s)/s и ZRL(s)/s имеют положительные вычеты. 

Отсюда следует также, что наличие комплексных или кратных полюсов  характерно для RLС-цепей. Распределение их полюсов и нулей имеет нерегулярный характер, как и значения вычетов в этих полюсах. Частотная зависимость модуля входного сопротивления RLС-цепи на мнимой оси при s = jw может быть немонотонной.


Дальше
Обратно к
плану данной лекции