8.3. ЧАСТОТНЫЕ СВОЙСТВА КОЛЕБАТЕЛЬНЫХ КОНТУРОВ
Двухполюсные цепи, содержащие индуктивности и емкости, реактивные сопротивления которых имеют противоположные знаки, обладают специфическими частотными свойствами. При определенных частотах в таких цепях может наблюдаться полная компенсация реактивного сопротивления (X = 0), входное сопротивление принимает чисто активный характер, напряжение и ток на входе цепи совпадают по фазе (j = 0) в цепи наблюдается резонанс. В резонансных режимах токи и напряжения на отдельных участках цепи могут существенно превышать входные величины. Как будет показано далее, это позволяет выделять резонансные частоты из спектра колебаний сложной формы, однако в ряде случаев возникновение резонансного режима может вызвать и нежелательные последствия: перегрузку или повреждение элементов цепи при появлении больших токов и напряжений.
Для определения резонансных частот двухполюсной цепи используется равенство нулю ее эквивалентного реактивного сопротивления или проводимости X = 0, B = 0.
Решение этих уравнений относительно частоты приводит к определению резонансных частот w0. Для цепей, включающих элементы R, L, C, оба указанных условия эквивалентны, так как эквивалентные реактивные параметры двухполюсника связаны соотношением B = X/(R2 + X2). Для цепей без потерь, составленных только из индуктивностей и емкостей, при нулевом эквивалентном активном сопротивлении имеем B = 1/X, и оба условия дают различные значения резонансных частот. В таких цепях при условии X = 0 при резонансе обращается в нуль напряжение на входе цепи, а при B = 0 равен нулю входной ток двухполюсника. Существование таких режимов возможно, так как в цепи без потерь протекание токов в отдельных ветвях не сопровождается потерями энергии в цепи, на преодоление которых требовалось бы потребление активной мощности от источника.
Рассмотрим частотные свойства простейших цепей с последовательным или параллельным соединением индуктивности и емкости колебательных контуров.
Комплексное входное сопротивление последовательного колебательного контура (рис. 8.7) равно
, его полное сопротивление
.

Рис. 8.7
Частотная зависимость z(w) имеет минимум при условии X = wL – 1/wC = 0 на резонансной частоте ω0 = 1/ЦLC.
В режиме резонанса Z = R и, несмотря на присутствие реактивных элементов, ток в цепи совпадает по фазе с входным напряжением (j = 0).
Проанализируем частотные зависимости X(w) и z(w). При w ® 0 полное сопротивление цепи неограниченно возрастает за счет роста емкостного сопротивления 1/wC, при w ® ¥ неограниченно возрастает индуктивное сопротивление, и z ® ¥ (рис. 8.8).

Рис. 8.8
Частотные зависимости тока в цепи и напряжений на ее элементах выражаются формулами:




Вид их частотных характеристик (рис. 8.9) определяется характером частотной зависимости z(w). Зависимости I и U имеют максимум на резонансной частоте w0
![]()
При w ® 0 и w ® ¥ ток в цепи и напряжение на резисторе убывают до нуля.

Рис. 8.9
Напряжение UC при w = 0 равно входному напряжению U, так как конденсатор в этом режиме представляет разрыв в цепи. При w ® ¥ напряжение UC убывает за счет спада тока и сопротивления 1/wC. Зависимость UC(w) может иметь максимум в окрестности резонанса (рис. 8.9). При определенных соотношениях между параметрами контура возможен монотонный спад кривой UC(w).
Напряжение UL, равное нулю при w = 0, затем возрастает, либо достигая максимума в окрестности резонанса (рис. 8.9), либо монотонно приближаясь к напряжению U при w ® ¥, когда сопротивление wL неограниченно растет и индуктивность эквивалентна разрыву в цепи.
На резонансной частоте оба напряжения UC0 и UL0 равны и, полностью компенсируют друг друга (см. векторную диаграмму на рис. 8.7, б):

Величина w0L/R = 1/(w0CR) = ЦL/C/R = Q добротность контура, показывает, во сколько раз напряжения на реактивных элементах
UC0 и UL0 при резонансе превосходят напряжение источника
U. Эта величина определяет также и характер кривых
UC(w) и UL(w). Монотонный характер этих зависимостей наблюдается при
. Обратная величина
d = 1/Q это затухание контура.
Рассматривая UR в качестве выходного напряжения цепи, проанализируем характер зависимости UR(w) в окрестности резонансной частоты w0.
Рис. 8.10 |
Передаточная функция K(w) = UR/U0 = имеет при резонансе максимум, равный единице. Найдем значения частот w1 и w2, при которых значение K(w) уменьшается до 1 /Ц2 (рис. 8.10). При этих частотах значение подкоренного выражения, увеличивается вдвое по сравнению со своим значением при резонансе, равным R2. Это дает условия для определения частот w1 и w2:
|
Отсюда имеем:

Разность w2 – w1 — полоса пропускания цепи — определяет диапазон частот, в котором отличие сигнала на выходе цепи от своего максимального значения не превосходит Ц2. При использовании логарифмических единиц это соответствует 3 дБ. Для мощности P, являющейся квадратичной функцией напряжения, отношение P/Pmax на границах полосы пропускания при частотах w1 и w2 составляет 1/2.
Подобное понятие вводится не только для колебательного контура, но и для произвольной цепи, в которой в качестве полосы пропускания принимают диапазон частот, в котором активная мощность, выделяемая в нагрузке, составляет не менее половины от своего максимального значения, или напряжение на нагрузке Uн > Uн max/Ц2. Хотя понятие полосы пропускания является условным, оно отражает избирательный характер передачи сигнала от источника к нагрузке.
Используя полученные выражения для w1 и w2, для полосы пропускания контура найдем Dw = w2 – w1 = R/L. Отношение резонансной частоты w0 к Dw равно добротности контура: w0/Dw = L/(RЦLC) = ЦL/C/R = Q. Таким образом, у резонансного контура с более высокой добротностью, относительная ширина полосы пропускания Dw/w0 ýже. Это свойство колебательных контуров используют на практике для выделения сигнала данной частоты из совокупности различных частот.
Контур с параллельным соединением G, L, C (рис. 8.11) дуален последовательному контуру.
|
Рис. 8.11 |
Поэтому изучать его свойства будем с использованием аналогии, вытекающей из
принципа дуальности.
Так, частотная зависимость полной проводимости контура
|
У контура с высокой добротностью Q = ЦC/L/G этот спад имеет резкий характер, для идеального контура с G = 0 имеем z(w0) = ¥.
При питании параллельного контура от источника тока I = const частотные зависимости U, IG, IL и IC (обозначения в скобках на рис. 8.9) тождественны изображенным на рис. 8.9 кривым I, UR, UC и UL. При частотах, близких к резонансной, ток в параллельных ветвях L и C высокодобротного контура значительно превышают ток входной ветви I; отношение IL0/I = IC0/I = Q.
Анализ работы контура при питании от источника напряжения U приводит к элементарным результатам: IG = UG; IL = U/wL; IC = UwC. Зависимости токов в ветвях контура от частоты имеют очевидный характер. Для общего тока имеем в этом случае I = Uy. Эта зависимость подобна кривой z(w) (рис. 8.8).
Рассмотренные свойства последовательного и параллельного колебательных контуров показывают, что подобные двухполюсники удобно использовать для фильтрации сигналов — подавления или выделения определенных частот путем настройки контура на эту частоту в качестве резонансной. При высокой добротности полное сопротивление последовательного контура, малое при частотах, близких к резонансной, резко возрастает при удалении от нее. Сопротивление высокодобротного параллельного контура, наоборот, весьма велико при резонансной и близких к ней частотах, и резко падает при удалении от резонансной частоты. Это позволяет осуществить ограничение сигнала данной частоты путем включения параллельных LC-звеньев последовательно в цепь прохождения тока к нагрузке и последовательных LC-цепочек параллельно сопротивлению нагрузки (рис. 8.12, а).

Рис. 8.12
При соблюдении условий
в сопротивлении Rн ток частоты w0 будет отсутствовать.
Для решения противоположной задачи — выделения сигнала с частотой w0 из спектра частот — последовательные и параллельные контуры следует включить противоположным образом (рис. 8.12, б). Настройка обоих контуров на частоту w0 приводит к тому, что все сигналы, частота которых отличается от данной, будут ослабляться подобным фильтром.
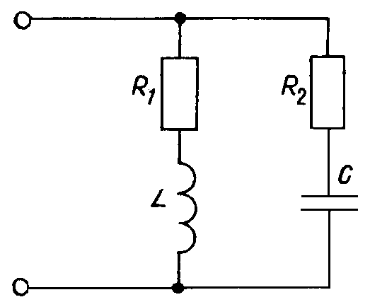
Параллельный колебательный контур с потерями (рис. 8.13).
Рис. 8.13 |
Оценим, насколько зависят частотные свойства идеального параллельного
LC-контура от потерь энергии в активных сопротивлениях элементов контура
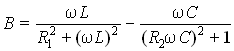
R1 и R2. Для определения резонансной частоты используем выражение комплексной проводимости контура
|
Его мнимая часть определяет реактивную проводимость
. Из условия
B = 0 найдем
.
Отсюда следует, что при больших значениях
R1 или R2, когда подкоренная дробь становится отрицательной, резонанс в цепи отсутствует.
Это характерно для цепей с резистивными
элементами, в которых наличие катушек и
конденсаторов не гарантирует
возникновения резонансного режима. В отличие от параллельного контура без потерь (R1 = R2 = 0), обладающего нулевой входной проводимостью на резонансной частоте, контур с потерями имеет ненулевую проводимость при резонансе, так как протекание тока в параллельных ветвях сопровождается потерями, которые должны покрываться источником во входной ветви.
В остальном частотная зависимость
близка к частотной характеристике проводимости контура без потерь
Наибольший практический интерес
рассматриваемая цепь представляет при R2 = 0,
поскольку активное сопротивление катушки
существенно превышает активное
сопротивление конденсатора. В этом случае
резонансная частота равна
,
а проводимость контура при резонансе