Тема 8. ЧАСТОТНЫЕ СВОЙСТВА ЦЕПЕЙ СИНУСОИДАЛЬНОГО ТОКА
(задачи без решения)
Перейти к задачам с решением
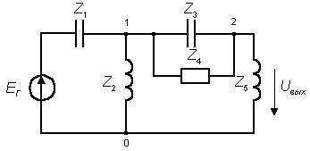
Задача 8.1. Для цепи (рис. П8.1) с числовыми данными Z1 = – j2, Z2 = j2, Z3 = – j2, Z4 = 2, Z5 = j2 (в Омах), рассчитать и построить логарифмические амплитудную и фазную частотные характеристики коэффициента передачи по напряжению KU(jw) =
, приняв за базисную частоту
w0, при которой заданы реактивные сопротивления элементов. По построенной ЛАХ определить полосу пропускания цепи.

Рис. П8.1
Показать решение задачи
Показать соответствующий раздел теоретического материала Лекции 8