КВ приемник мирового уровня –это очень
просто
ГЛАВА 29. Рекомендации по отладке и
настройке узлов приемника с преобразованием “вверх”
Как показывает практика выполнения подобных операций, одной
из наиболее трудных задач, встающих перед радиолюбителем-конструктором,
является комплектация домашней лаборатории необходимой контрольно-измерительной
аппаратурой. Поскольку при создании достаточно современной
радиотехнической системы, скажем, приемника с двойным преобразованием частоты,
обычным тестером не обойтись (даже в том случае, если у него имеется цифровой
индикатор). Поэтому это обстоятельство было в какой-то мере учтено при создании
конструкции данного приемника с преобразованием “вверх”. Его узлы и блоки были
разработаны таким образом, что они вполне допускают раздельную отладку и
настройку. Кроме того, как будет показано ниже, существует определенная
возможность использовать в качестве подручной измерительной аппаратуры при
настройке (как предлагаемого для самостоятельного повторения приемника, так и
иной аналогичной аппаратуры) узлов и систем, входящих в состав описываемой
конструкции как составная часть. Одной из таких систем и является
представленная выше УНИВЕРСАЛЬНАЯ ЦИФРОВАЯ ШКАЛА. Переключив режим ее работы в
положение “ЧАСТОТОМЕР”, мы можем полностью контролировать реальный диапазон
рабочих частот, например, нашего ГПД. Тем самым нетрудно осуществить
необходимую подстройку частоты. Что касается подачи на входной разъем приемника
испытательных сигналов, позволяющих осуществить процесс настройки селективных
цепей, то рекомендации по этому вопросу и даются ниже.
Вообще налаживание приемника принято начинать с визуальной
проверки монтажа и его “прозвонки” с помощью тестера.
Поскольку прежде всего следует убедиться в том, что
нет короткого замыкания. ВНИМАНИЕ! В начале отладки рекомендуется полностью
отсоединить по цепям питания все основные и вспомогательные узлы и блоки
радиоприемника. И начать с налаживания “чистого” блока питания, отсоединив от
него даже блок стабилизированных источников питания электронных узлов и систем
радиоприемника. Замерив с помощью тестера (см. рис. 28.11) соответствие
выходных напряжений на конденсаторах Cl, C2 и СЗ тем,
которые приведены в описании схемы, следует убедиться в том, что результат
измерений дал несколько более высокие значения, примерно :
+21, -21 и + 14 вольт. После этого подсоединяем к
конденсаторам активную нагрузку, в качестве которой рекомендуется взять мощные
(силовые) резисторы любого типа, например ВС-10, номиналы которых,
соответственно, равны: (+18 вольт) — 75 Ом, (-18 вольт) - 75 Ом, (+ 12 вольт) -
91-100 Ом. При этом значения напряжений на конденсаторах С1—СЗ должны
прийти в соответствие с указанными. Затем следует дать
поработать трансформаторам и выпрямителям с подключенной к ним вышеназванной
эквивалентной нагрузкой, примерно, в течение получаса. Убедившись, что силовые
трансформаторы и диодные мосты не перегреваются и что все в порядке, следует
осуществить отсоединение нагрузочных эквивалентов. И вместо них подсоединить
соответствующие входы блока стабилизированных источников питания (см. схему,
приведенную на рис. 28.10). БУДЕМ ПОМНИТЬ РАЗ И НАВСЕГДА, любые подключения и
перепайки при отладке системы (как описываемого радиоприемника, так и любой
другой) производятся только при полностью отключенном от сети шнуре питания!
Строгое соблюдение этого пункта гарантирует Вам жизнь и здоровье, а
конструируемой Вами аппаратуре — отсутствие ситуаций типа “фейерверк” или
“салют”!
Рекомендуется также производить раздельную отладку
стабилизированных источников питания. Итак, подсоединяем источник с входным
напряжением + 12 вольт. Его выходное, стабилизированное напряжение при этом
должно находиться в пределах от +6,8 до +8,3 вольта. С помощью подстроечного резистора R36 типа СП5-16ВА-0,25 (или подобного,
но герметизированного) производится точная регулировка выходного напряжения
узла до значения +7,5 вольта. Если схема смонтирована правильно, а номиналы
резисторов соответствуют указанным, то установление
выходного напряжения СН вопросов не вызывает. Теперь к выходу СН — (+7,5
вольта) подключаем активный эквивалент, состоящий из двух мощных резисторов
ВС-10, включенных параллельно. Их общее сопротивление при этом — 38 Ом.
Убедившись, что все в порядке, и что выходное напряжение СН регулируется и находится
в соответствующих пределах, с помощью осциллографа, например типа С1-68 или
другого, имеющего аналогичные характеристики, замеряют уровень пульсаций на
выходе СН. Если их амплитуда не превышает 1,5 милливольт, то все в порядке. А
если превышает, то следует несколько увеличить емкость С16. Аналогичным образом
производится отладка и стабилизированных источников на (+12,6 вольт) и на
(-12,6 вольт). Затем-начинаем подпаивать к соответствующим
СН выводы питания узлов и блоков приемника. Сначала рекомендуется подсоединить
СЕЛЕКТОР ДИАПАЗОНОВ (см. рис. 28.2). Подача питающих напряжений на пары входных
и выходных реле РЭС-49 осуществляется, как и показано на принципиальной схеме,
через переключатель 11П4Н (при этом задействована одна их имеющихся в
конструкции данного переключателя четырех секций).
Теперь следует осуществить “укладку” частот принимаемых
диапазонов, согласно, приведенному в самом начале описания конструкции,
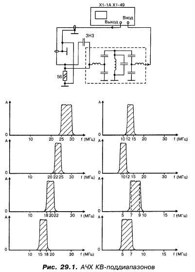
РАСПИСАНИЮ ПОДДИАПАЗОНОВ. Настройку этого узла удобно производить с помощью
измерителя АЧХ (амплитудно-частотной характеристики), например, типа XI-1 А, XI-49, XI-19, XI-53 и т.п. Будем помнить, что измеритель
частотной характеристики не обеспечивает измерение чувствительности
радиоприемника, но дает уникальную возможность осуществления быстрой отладки
АЧХ сложных резонансных систем, частным случаем которых и являются цепи
селектора диапазонов. Поскольку высокочастотный импеданс всех диапазонов
селектора равен 50 Ом, то при настройке его можно подключать к измерителю АЧХ
так, как представлено на рис. 29.1.

Здесь же приведен и примерный вид АЧХ для каждого диапазона.
После этого можно приступать к отладке гетеродинов. Сначала,
установив режимы по постоянному току, как показано на схеме, запускают кварцованный гетеродин G2, принципиальная схема которого
приведена на рис. 28.7. Для этого, прежде всего, коротким куском серебреного
провода закорачивают верхний и нижний концы катушки
индуктивности ЗГ. И убеждаются в соответствии режима транзистора VT1 описанию.
При этом его коллекторный ток должен быть равен 4,5 миллиампер. Ток стока VT2
равен, примерно, 4 миллиампера. Ток коллектора VT3 лежит в пределах 2,2—2,5
миллиампер. Проверив правильность монтажа и выставив
указанные токи, необходимо снять закоротку с катушки
и начать отладку частотной характеристики G2. В этом случае, поскольку рабочая
частота G2 равна 54,045 МГц, можно использовать нашу универсальную цифровую
шкалу, которая должна при этом работать в режиме “частотомер”.
Кроме того, очень желательно было бы проконтролировать
степень синусоидальности выходного сигнала. Для чего, собранную и отлаженную по
постоянному току печатную плату G2 проверить на высокочастотном осциллографе,
имеющем рабочую полосу частот до 100 МГц. Убедившись, что G2 выдает спектрально
чистый сигнал, регулируют сердечник индуктивности L2 по максимуму амплитуды
выходного сигнала, кoторая
должна находиться в пределах 1,6—1,8 вольта. Установив таковую амплитуду,
фиксируют сердечник индуктивности. После этого приступают к настройке ГПД.
Прежде всего, для этого настраивают высокостабильный преобразователь напряжения
для варикапов, собранный на основании принципиальной электрической схемы,
представленной на рис. 29.2.

Как показал опыт работы с подобными схемами, процесс отладки
связан с двумя моментами. Первое — подбор оптимального потенциала на базе
транзистора VT1. Для этого достаточно включить параллельно резистору R3 еще
один резистор, номинал которого обычно находится в пределах 12—16 килоом. И, регулируя положение ползунка резистора R5,
добиться оптимального по форме и амплитуде сигнала в точке “А” (рис. 16.4). Для
ориентира — частота генерации низкочастотного ЗГ преобразователя — порядка 8—9
кГц. Амплитуда сигнала в этой точке должна быть на уровне 0,35—0,5 вольт.
Подбором номинала конденсатора Сп,
устанавливают максимальную амплитуду переменного напряжения на вторичной
обмотке Tpl. Затем проверяют работу СН, входящего в
состав принципиальной схемы преобразователя. Выставив с помощью многооборотного
подстроечного резистора R19 (типа СП5-3-0,5) выходное
напряжение (+30 вольт), проверяют с помощью осциллографа уровень пульсации
этого напряжения. У правильно настроенной схемы эта величина не превышает 150
микровольт! Убедившись в высоком качестве работы предложенного преобразователя
напряжения, соединяют его выход с узлом, содержащим многооборотный переменный резистор
типа ППМЛ— 1 И- 20 К и вспомогательные резисторы,
определяющие пределы изменения величины подаваемого на варикапы постоянного
потенциала в каждом из поддиапазонов. Принципиальная
(полная) электрическая схема этого узла приведена на рис. 29.2.
Укладку диапазонов ГПД можно произвести, использовав
для этого собственную универсальную шкалу приемника в режиме “ЧАСТОТОМЕР”/ Но
можно, если имеется такая возможность, использовать для настройки стандартный
цифровой многоразрядный частотомер заводского изготовления.
В качестве такого частотомера подойдут 43-57, 43-64 и пр. Поскольку в этом
случае будет возможно оценить величину “выбега” ГПД. Так именуется параметр,
который характеризует количественную оценку стабильности ГПД. В предлагаемой
схеме ГПД “выбег” не превышает 100— 120Гц. Затем приступают к настройке
широкополосного УВЧ и преобразователя первой промежуточной частоты. Для этого,
отсоединив конденсатор С4 (см. рис. 28.3), подают на
него сигнал с выхода измерителя АЧХ. А вход измерителя АЧХ соединяют с конденсатором
С17 (рис. 28.3), который для этого отсоединяется от общей точки ШПТЛ Тр2. На приведенном рис. 29.3 показаны АЧХ
широкополосного УВЧ и фильтра-пробки на частоту 55,5 МГц.

Добившись соответствия реальных характеристик, примерный вид
которых представлен на рис. 29.1, восстанавливают соединение конденсатора С17
рис. 28.3. с общей точкой ШПТЛ. Выходной разъем ГПД соединяют с входом ШПТЛ ТрЗ. Но теперь вместо измерителя АЧХ необходим ГЕНЕРАТОР
СТАНДАРТНЫХ СИГНАЛОВ (ГСС). В качестве такового вполне возможно использовать
ГСС заводского изготовления, например, Г4-102А. Хотя существует мнение, что
генераторы стандартных сигналов класса Г4-102А не вполне пригодны, например,
для измерения динамического диапазона входных сигналов высококачественных
приемников. Как из-за высокого (относительно) уровня, так называемых, боковых
шумов, так и по причине интермодуляционных искажений, вызванных нелинейностью
выходных цепей генераторов, примененных в подобных
ГСС. К сожалению, форма выходного сигнала Г4-102А действительно не является
пределом мечтаний. Но дорогие, имеющие очень высокое качество характеристик,
измерительные генераторы стандартных сигналов, достаточно дефицитны. И имеются
только в хорошо оснащенных специализированных лабораториях. Поэтому выбор
невелик — или все же применить (явно неоптимальный) ГСС класса Г4-102, или
построить собственный, упрощенный, имеющий только несколько фиксированных, но
“вылизанных” частот генерации. Качество такого ГСС
может быть сделано достаточно высоким, но вот повозиться придется немало. В
первом случае поступают следующим образом. Припаивают на место конденсатор С4 (см. рис. 28.3), но закорачивают
электроды р—i—п-диода. Далее подают с выхода ГСС частоту сигнала,
соответствующую границам выбранного диапазона частот, путем установки
переключателя 11П4Н приемника в соответствующее положение. Амплитуду
высокочастотного сигнала с выхода ГСС при этом устанавливают равной 100
микровольт Тем самым проверяют работу первого
смесителя, собранного по схеме кольцевого балансного на диодах Шоттки. Предварительно настраивают частотную характеристику
ДИПЛЕКСОРА С19, С20, L4, L5, R9 на частоту пропускания, равную 55,5 МГц. При
нормально работающем первом смесителе, очень несложно, перестраивая по частоте
(разумеется в пределах выбранного поддиапазона)
ГСС, поймать синусоидальный сигнал, частота которого равна 55,5 МГц.
Можно, даже “на глаз”, оценить такие его характеристики, как
степень синусоидальности, а также ЧИСТОТУ. То есть убедиться, насколько этот
сигнал четкий, НЕЗАШУМЛЕННЫЙ. Кроме того, убеждаемся, что если не перестраивать
ГПД, но перестраивать ГСС, то существует ТОЛЬКО ОДНО значение частоты входного
сигнала, при котором наблюдается отклик на выходе ДИПЛЕКСОРА. Кстати, понижая
аттенюатором ГСС уровень входного сигнала приемника от 100 микровольт до 5
микровольт, можно получить некоторое предварительное представление об уровне
достигнутой чувствительности. Но только весьма предварительное,
поскольку общий коэффициент усиления всего вышеуказанного тракта, пока еще
невелик. Поэтому приступают к отладке УПЧ1, цепи
которого выполняют роль ОСНОВНОГО СЕЛЕКТОРА СИГНАЛОВ первой ПЧ. Лучше всего, в
данном случае, прибегнуть снова к использованию измерителя АЧХ. Сигнал с его
выхода подается на конденсатор С1 (см. рис. 28.4). А
на вход измерителя АЧХ поступает сигнал с конденсатора С15, который для этого
отсоединяется от средней точки Ш ПТЛ Тр 1 Как показано на рис. 29.4.

Максимально растянув полосу качания, можно посмотреть на
экране измерителя АЧХ полосу пропускания ФП2П-4-1-В (или подобного ему)
кварцевого фильтра. Как с вывода 3 этого фильтра, так и на выходе резонансного
усилителя, собранного на двухзатворном МДП-транзисторе КП306А. Путем подстройки сердечников
катушек индуктивности, добиваются максимума усиления тракта. Затем, соединив вход
схемы, представленной на рис. 28.4. с выходом схемы рис. 28.3, конденсатором С1 (см. рис. 28.4), с вывода С15 можно уже достаточно
убедительно оценить достигнутый уровень входной чувствительности приемника. С
учетом суммарного коэффициента передачи электронных цепей тракта, при подаче на
вход приемника ВЧ-сигнала с амплитудой 5 микровольт,
в измеряемой точке уровень сигнала будет составлять величину порядка 30
милливольт. Такой сигнал достаточен для анализа его качественных и
количественных характеристик. Поэтому аттенюатором ГСС понижаем уровень
входного сигнала до 1 МИКРОВОЛЬТА, а затем производим замеры, сущность которых
понятна из приведенного ниже рис. 29.5.

Имеется возможность оценить максимальную чувствительность
приемника при заданном соотношении сигнал/шум. Теперь, по уже изложенной ранее
методике, настраивают преобразователь второй промежуточной частоты. Настроив
соответствующий ДИПЛЕКСОР на частоту, равную 1,455 МГц, приступаем к отладке и
настройке схемы УПЧ2, разорвав для этого его цепь
АРУ-2 (см. рис. 28.6). Прежде всего, отладим режимы работы двухзатворных
полевых транзисторов VT1—VT3 по постоянному току Это
очень ответственный момент. Поскольку двухзатворные
транзисторы КП306А имеют нормированный квадратичный участок переходной
характеристики по напряжению первого затвора (что означает ослабление
комбинационных составляющих третьего порядка не менее 80 дБ.). Кроме того,
транзисторы КП306, можно сказать, “идеальны” для построения на их основе
высококачественных резонансных малошумящих усилителей с высоким входным
импедансом. Изображенные на рис. 28.6 резисторные цепи обеспечивают,
соответствующее работе на квадратичном участке характеристик, смещение по
второму затвору. Но, установив режимы по постоянному току транзисторов VT1—
VT3, прежде чем вое- | становить цепь АРУ-2, следует,
подав сигнал на первый затвор VT1 от ГСС (частота 1,455 МГц), замерить величину
коэффициента усиления этой части тракта УПЧ2. И проверить, как его шумовые, так
и линейные характеристики. Шумовые достаточно Просто
определяются, когда уровень входного сигнала от ГСС составляет 2—5 микровольт.
Поступаем при этом в соответствии с рис. 28.2. Линейные характеристики можно
также достаточно точно установить, плавно увеличивая входной сигнал ГСС от
уровня 5—10 микровольт. Поскольку при разомкнутой цепи АРУ-2, общий коэффициент
усиления трех каскадов составляет величину порядка 8000—10000 раз (66—80 дБ),
то входной сигнал порядка 50 микровольт обеспечивает на выходе УПЧ2 амплитуду около 0,5 вольта!
Продолжая процесс плавного контролируемого увеличения
амплитуды входного сигнала, отмечают момент, когда на выходе схемы произойдет
нарушение синусоидальности формы сигнала. После этого, приняв коэффициент
запаса равным 0,8, умножаем на него то значение амплитуды входного сигнала, при
котором проявилась вышеуказанная нелинейность. При правильно установленных
режимах МДП- транзисторов, по постоянному току, это
происходит при уровнях входного сигнала, равных 150—200 микровольт.
Теперь можно замкнуть Цепь АРУ-2. Ранее уже было дано
описание принципа ее работы. Следует заметить, что эта цепь имеет очень высокие
характеристики и обеспечивает значительную глубину АРУ-2. В частности,
замеренная автором глубина АРУ при замкнутой цепи обратной связи, при изменении
входного сигнала от 10 микровольт до 35 милливольт, вызывала увеличение
соответствующего выходного сигнала УПЧ2 не более, чем
в три раза, т.е. соответствовала глубине АРУ, равной: 66 дБ/6 дБ. Таким
образом, тракт УПЧ2 отрабатывает весьма значительные
изменения амплитуды поступающих на его вход сигналов, достойно справляясь со
своей задачей.
Но ему не под силу исправить ситуацию в том случае, если уже
во входных цепях радиоприемника, из-за воздействия очень мощной, близко
расположенной радиостанции, или какой-либо индустриальной установки,
генерирующей помехи, и прочее, величина сигнала оказывается такой, что
перегружает даже УВЧ и первый смеситель! Это вполне реальная ситуация. Вот
именно для ее предотвращения и введена в состав приемника цепь АРУ-1. Ранее
принцип работы АРУ-1 был полностью описан. Рекомендации по конкретной методике
настройки этой цепи — следующие. Отсоединить конденсатор С18 от стока VT1 (рис.
28.4). И далее заняться отладкой системы так, как это изображено на рис. 29.6.
Как следует из рисунка, отладка цепей АРУ-1 может быть произведена путем подачи
сигнала от ГСС на С18. Уровень сигнала ГСС устанавливается равным 50
милливольтам. Частота — 55,5 МГц. С учетом коэффициентов передачи цепей,
которые в данном случае исключаются (УВЧ, СМ-1, ДИПЛЕКСОР), уровень сигнала от
ГСС, равный 50 милливольтам, будет эквивалентен входному сигналу приемника,
равному 2 милливольтам.
Таким образом, на вход балансного детектора, через С19
подается ВЧ-сигнал, амплитуда которого равна 150—200
милливольт. Как видно из рис.
29.6 есть два случая. Первый — когда мы подаем сигнал в точку А. В этом случае
выходная частота ГСС — 55,5 МГц. Но предельная частота генерации Г4-105
составляет всего 50 МГц. Поэтому сигнал требуемой частоты подать невозможно. В
этом случае можно подать сигнал в точку Б. То есть
прямо на вход балансного детектора через СЮ, предварительно отсоединенный от
стока VT2.
Но поскольку при этом оказался исключенным резонансный
усилитель, то для компенсации его роли и потребовалось увеличить амплитуду
сигнала с выхода ГСС до 150—200 милливольт. Это очень значительный по величине
сигнал, который используется ТОЛЬКО при отладке. Зато теперь появилась
возможность выбрать частоту сигнала, фактически, любую из спектра принимаемого
приемником диапазона. Для примера, выберем эту частоту (которую мы подаем на
вход балансного детектора), равной 25 МГц. Это
приведет к появлению на выходе балансного ВЧ-детектора
постоянного потенциала U. Он и будет являться тем дифференциальным (разностным)
сигналом, который подается на входы инструментального усилителя. Как уже
говорилось ранее, его коэффициент усиления по постоянному току можно легко
регулировать посредством вращения ползунка резистора R15 (см. рис. 28.8).
Пределы регулирования составляют of
10 до 100. С учетом того, что U равно 35—50 милливольт (при подаче на вход ВЧ-сигнала 150—200 милливольт), отрегулируем и зафиксируем
величину К = 20. Теперь на вход ИТУН1
будет подано управляющее напряжение ОТРИЦАТЕЛЬНОЙ полярности. При этом его
абсолютное значение составит около 1 вольта. Это и будет максимальным уровнем
входного сигнала для ИТУН1. При таком сигнале ток
через светодиод оптрона ЗОР124А должен быть номинальным и равным, примерно, 8
миллиампер. При этом освещенность фоторезистора оптрона будет максимальной, а
режим светодиода не превысит допустимых техническими условиями пределов.
Сопротивление фоторезистора составит величину не более 100—150 Ом.
Много это, или мало? Определим, какой сквозной ток должен
проходить через диод КА509Б для того, чтобы его высокочастотная проводимость
была максимальной. Согласно техническим условиям, его номинальный ток равен 10
миллиамперам. Вот именно эта величина и выбирается в качестве исходной, причем величина сквозного тока контролируется
обыкновенным миллиамперметром. Для обеспечения такого тока, на вход ИТУН2 с помощью резисторов R1 и R2 подается ПОСТОЯННОЕ
ПОЛОЖИТЕЛЬНОЕ напряжение, равное 1 вольту. Сопротивление “темного”
фоторезистора имеет величину несколько сотен тысяч ом.
Поэтому никакого шунтирующего действия на цепь Rl—R2 не
оказывает (см. рис. 29.6).

Совсем другое дело, когда сопротивление “светлого”
фоторезистора снижается до предельной величины 100— 150 Ом. В этом случае ток
через диод КА509Б становится меньше, чем 0,4 миллиампера. Это эквивалентно
УМЕНЬШЕНИЮ высокочастотной проводимости аттенюаторного
диода в сотни раз! Для того, чтобы убедиться в этом,
приведена для рассмотрения цепь, представленная на рис. 29.7.

Здесь у радиолюбителя-конструктора, помимо прочего, имеется
широкая возможность для самостоятельного изучения линейных свойств узлов Zl, R, A1 и U1, охваченных цепью АРУ-1. В целом, настройку
ВЧ тракта можно считать на этом законченной.
“Спец”: Ну вот, “теория” осталась
далеко позади! На очереди — практика!
“Аматор”: Уважаемый Спец! Вам не
кажется, что поза, в Которой застыл наш Незнайкин, несколько сродни роденовскому
Мыслителю?
“С”: Дружище Незнайкин! Какие-то
проблемы?
“Незнайкин”: А разве это не
проблема, превратить такое количество принципиальных электрических схем в нечто
материальное, осязаемое, а главное, функционирующее?
“С”: Нет, это не проблема. Это просто интересная и
творческая техническая задача! И мы сейчас приступаем именно к этому этапу.
“А”: Но монтаж будет выполнен с использованием печатных
плат?
“С”: Поскольку у нас теперь сплошной плюрализм, то здесь
двух мнений быть просто не может! Да, исключительно с применением печатного
монтажа!
“Н”: Но многослойных плат, надеюсь, не будет?
“С”: С сожалением должен сказать, что нет! Но мы вполне и
успешно обойдемся стеклотекстолитом с двухсторонней фольгировкой!
“А”: Какая толщина фольгированного
стеклотекстолита для нас оптимальна?
“С”: Исходите из ОДНОГО миллиметра. А вот здесь я прилагаю
чертежи печатных плат нашего радиоприемника.