КВ приемник мирового уровня –это очень
просто
ГЛАВА 27. Универсальная цифровая шкала
“Спец”: Ну,... “я буду начинать,
прошу теперь мне не мешать”!
“Аматор”: Схема частотомера мне
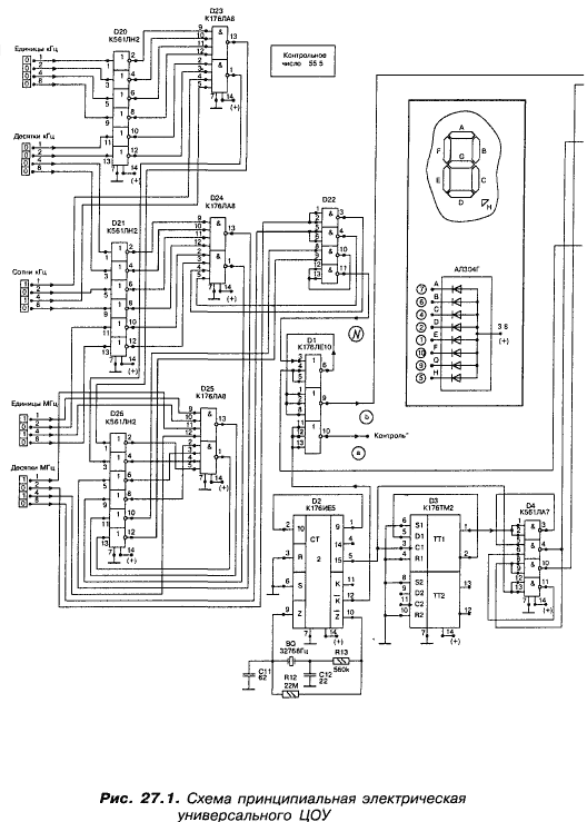
нравится. Но боюсь, без “прогулки по схеме” нам не обойтись (рис. 27.1)!

“Спец”: А кто возражает?
Ну, а поскольку начинать следует всегда с самого начала, то
начнем мы нашу “прогулку” по схеме с самого входного разъема. Мы знаем, что на
этот разъем, посредством соответствующего по длине и красоте кабеля, подается
сигнал от ГПД, например. Это будет просто необходимо сделать, поскольку знать
частотные характеристики гетеродина крайне важно.
“Незнайкин”: Итак, сигнал
поступает на вход широкополосного УВЧ, собранного по рассмотренной ранее схеме.
Затем усиленный сигнал подается на вход микросхемы D7...
“А”: Я только никак не возьму в толк... Ведь К193ИЕЗ —
цифровая схема! А сигнал на нее поступает синусоидальный! Значит
ей предварительный формирователь импульсов не требуется?
“С”: А я ведь не зря говорил, что это совершенно особая
микросхема! Как раз она превосходно работает при подаче на ее вход
СИНУСОИДАЛЬНОГО сигнала! Да и входной ее импеданс таков, что она отлично
согласуется с вышеуказанным усилителем.
“А”: А как с согласованием напряжения питания?
“С”: Это напряжение для К193ИЕЗ равно +5,2 вольта. Так что
совместимость с сериями: 133; 533; 555; 1533 — полная. Таким образом, даже при
частоте входного сигнала 85,5 МГц (а это для нашего случая максимальная
частота), выходной сигнал микросхемы равен 8,5 МГц. Так что по входной частоте
имеется ТРЕХКРАТНЫЙ резерв!
“А”: Забавно, что такой же частотный резерв, относительно
максимальной входной частоты 8,55 МГц, имеет второй счетчик К133ИЕ2!
“Н”: На выходе которого
максимальная частота равна 855 кГц. Ну, а какой запас по частоте будет у
третьего счетчика на К176ИЕ2?
“С”: А вот для этой схемы запас по частоте порядка ДВУХ!
“А”: Это все хорошо и даже отлично, но ... серию К176
придется запитывать отдельно, поскольку ее напряжение
питания несколько ОТЛИЧАЕТСЯ по величине!
“С”: Безусловно, но разве ты не помнишь слова пилота Дэвида Боумена, которые он передал на Землю с борта “Дискавери”, когда подлетал к Сатурну?
“Н”: Я помню! Боумен сказал: “Я
преодолел уже более МИЛЛИАРДА километров, а потому последние СТО — меня не
остановят!...”
“С”: Браво, Незнайкин! Роман
“Космическая Одиссея 2001 года” ты знаешь отлично! И хотя мы создаем не “ЭАЛ -
9000”, а просто высококачественный радиоприемник, небольшое усложнение схемы ни
в коем случае не должно приводить нас в состояние шока!
“А”: Тем более, когда это действительно оправдано и ЛЕГКО
реализуемо. Да, в этом случае разумно будет запитать микросхемы D1 и D2 от
такого вот узелка, как показано на рис. 27.2.

“Н”: Всего-навсего четыре компонента?
“С”: Я искренно рад, что вы преодолели барьер количественной
боязни! Это немаловажный фактор. Поскольку от значительного количества
компонентов в современной электронике даже с переходом на БИС и СБИС уйти все
равно не удалось! Но вы не задаете вопрос о том, как поведет себя микросхема
К176ИЕ2, если на ее счетный вход будут поступать “чужие” логические уровни!?
“А”: И то правда... А как же быть?
“С”: Во-первых, лучше всего применить согласователь
уровней. Дело в том, что уровни ТТЛ и ТТЛШ такие: логическая “1” — не менее 2,4
вольта, а логический “О” — не выше +0,8 вольта. Это при стандартном напряжении
питания +5 вольт!
“А”: То ли дело КМОП! Там все проще гораздо: логическая “1” равна напряжению питания, а логический “О”
соответствует потенциалу “земли”! А мы встретились с необходимостью обеспечить
НОРМАЛЬНУЮ работу К176ИЕ2 на достаточно высокой для него частоте — 855 кГц в
ТЯЖЕЛЕЙШЕМ из режимов — при несогласованных логических уровнях! А если счетчик
станет сбоить?
“С”: Почему “если”? Наверняка именно так и произойдет!
Поэтому предлагаю поступить следующим образом — ставим логический
преобразователь! Вот его схема (рис. 27.3). Один из вариантов, вернее сказать.

Но у нас вопрос решен еще проще. Со-гласователь
уровней выполнен на транзисторе VT2. С его коллектора
сигнал подается на инвертор, в качестве которого используется часть микросхемы
D5. С ее выхода импульсы подаюдся на D9. А вот далее
счетные импульсы поступают на вход ПЯТИРАЗРЯДНОГО счетчика, собранного на
микросхемах DIG—D14. В то же время, системный генератор, собранный на
микросхеме D2 — вырабатывает секундные импульсы, поступающие на вход
D-триггера, выполненного на D3 (К561ТМ2).
“Н”: А что такое D-триггер?
“С”: Вообще триггер — это логическое устройство, способное
хранить ОДИН БИТ данных! Наименование этой единицы информации (один бит),
происходит от слов “binary digit”
— ДВОИЧНЫЙ РАЗРЯД. К триггерам принято относить ВСЕ устройства, которые имеют
ДВА устойчивых состояния. Различают RS-триггеры, названные так по названию их
входов управления: R (reset-сброс) и S (set-установка). А также Т-триггеры (toggle — переключатель), выполняющие только одну функцию —
деление частоты некоторой тактовой последовательности, подаваемой на вход “С” в
ДВА РАЗА!
“А”: Я читал, что в природе есть еще J-K-триггеры. У них нет
неопределенности в таблице состояний, когда, зная, каковы входные сигналы,
НЕВОЗМОЖНО ОДНОЗНАЧНО определить выходные.
“С”: Верно! Но наиболее часто (вот как в нашем случае),
применяются триггеры с ЕДИНСТВЕННЫМ входом данных D (data).
Так называемые D-триггеры. Для такого триггера
требуется ВСЕГО четыре внешних вывода: вход D, тактовый вход
С и два выхода: Q и HE-Q. Сигналы на этих выходах ВСЕГДА в противофазе
относительно друг-друга. Так вот, микросхема К176ТМ2
(К561ТМ2) содержит ДВА РАЗДЕЛЬНЫХ D-триггера!
“Н”: А что ИМС К561ТМ2 делает в нашем частотомере?
“С”: Работать тебе, Незнайкин, в
будущем, не иначе, как в контрразведке! Больно профессиональные вопросы
задаешь! Она, видишь ли, участвует в реализации очень важной технической задачи
— один из ее D-триггеров (с помощью еще трех микросхем) формирует
последовательность синхронизированных служебных импульсов. Которые в нужные
моменты в течение КАЖДОГО счетного интервала подаются на входы “HE-R”
пятиразрядного счетчика, а также на входы “С” пятиразрядного преобразователя
кодов, собранного на микросхемах D15—D19.
“Н”: А что означает понятие СЧЕТНЫЙ ИНТЕРВАЛ?
“А”: Великий комбинатор говорил, помнится, что тех, кто не
читает газет, нужно морально убивать на месте! Так что, Незнайкин,
запомни следующее. СЧЕТНЫЙ ИНТЕРВАЛ — это период времени, за который происходит
подсчет числа поступающих импульсов, с их запоминанием и выдачей окончательного
числа подсчитанных импульсов на соответствующие разряды цифрового индикатора.
“С”: Все так, только я еще бы упомянул о том, что в нашем
частотомере, а равно и в будущей схеме ЦОУ, счетный интервал равен в точности
ОДНОЙ секунде!
“А”: Ну, а если взять более длительный счетный интервал,
скажем, ДВЕ секунды, то при поиске станций, когда регулятор настройки находится
в движении, это вызовет большое неудобство! И потом — ОДНА секунда — это как
раз достаточное время, чтобы осознать, какая частота “идет” через тракты
приемника!
“С”: Действительно, для большинства практических применений
— это оптимум! Хотя в профессиональных, точных электронно-счетных частотомерах
используют счетный интервал порядка ДЕСЯТИ секунд и более!
“А”: Если нужно индицировать частоту с точностью СЕМЬ-ВОСЕМЬ
знакомест?
“С”: Именно так! Заметим, кстати, что пока идет подсчет
количества импульсов в каждом ПОСЛЕДУЮЩЕМ счетном интервале, на цифровом
индикаторе сохраняется результат ПРЕДЫДУЩЕГО ПОДСЧЕТА. Сам момент ОБНОВЛЕНИЯ
показания на индикаторе продолжается НЕ БОЛЕЕ нескольких
десятков микросекунд! И глаз оператора его не замечает. И если предыдущее и
последующее показания РАВНЫ, а это характерно, например, при подсчете частоты кварцованных генераторов, то на индикаторе “застынут” одни
и те же показания!
“А”: Но если мы имеем дело с ГПД, то
даже не прикасаясь к рукоятке настройки, мы увидим “дрейф” последнего разряда.
Никакого “бульканья” не будет, просто каждую секунду последняя цифра станет
немного “гулять”. Туда-сюда, туда-сюда.
“Н”: Это как пелось в каком-то шлягере: “... а мне
курортников возить, по морю Черному ходить: туда-сюда,
туда-сюда, туда-сюда...”?
“А”: Потом расслабишься, Незнайкин!
Еще рановато... Итак, подсчитанные за один счетный интервал импульсы, в коде
1—2—4—8 поступают на соответствующие входы ИМС К176ИД2...
“С”: А далее, преобразованные в семисегментный
позиционный код, подаются на СЕМИСЕГМБИТНЫЕ же цифровые индикаторы АЛ304Г.
“А”: Или подобные?
“С”: Или подобные!... Но я полагаю,
что вы с Незнайкином уже достаточно подготовлены для
того, чтобы приступить к практическому изготовлению частотомера. А потому —
желаю успеха в этом деле!
“А”: Спасибо за пожелание... И все же на душе осталось
легкое облачко...
“С”: “Я тучи разгоню руками”! Не является ли причиной этого
тот бесспорный факт, что частотомер — это еще не ЦОУ?
“А”: Вы правы, маэстро! Я подумал и о том, не применить ли
нам в будущем ЦОУ, для общего уменьшения количества корпусов, микросхемы более
высокого уровня' интеграции?
“С”: Которые взяли бы на себя
функцию вычитания в каждом счетном интервале из общего количества поступающих
импульсов именно того их числа, которое соответствует промежуточной частоте?
“А”: А что, разве подобные схемы не выпускаются?
“С”: Перед тем, как дать вам принципиальную электрическую
схему частотомера, я специально обращался в отделы маркетингов нескольких
электронных предприятий. Но даже “кузница микросхем” — объединение “Квазар” —
ничем не смогло мне помочь!
“Н”: А заграница?...
“А”: Во время ближайшего ланча с президентом американской или японской
полупроводниковой фирмы, дорогой Незнайкин, будь
добр, не забудь спросить о том, не могут ли они оказать нам соответствующую
помощь в части комплектации...
“Н”: Можешь быть спокоен!...
“С”: Как говорил Козьма Прутков-инженер: “Если хочешь ехать
в такси, а судьба предлагает автобус, то выбирай автобус, ибо он следует по
расписанию”. Поэтому дружненько взбодрились,
собрались с духом и подумали о том, что же конкретно нам нужно сделать, чтобы
можно было трансформировать частотомер в ЦОУ!
“А”: Прежде всего, в каждом счетном интервале вычитать
значение промежуточной частоты.
“С”: А какие
для этого существуют пути?
“А”: После того, как вы, Спец, расскажете об этом, мы тоже
сможем принять участие в дискуссии по данному вопросу!...
“С”: В таком случае, я приступаю. Мы знаем, что ЦОУ и только
ЦОУ способны обеспечить высокую точность измерения частоты принимаемого
сигнала, возможность бесшумной настройки на желаемую частоту даже в момент
“молчания” нужной нам радиостанции. Мы упоминали о том, что непосредственное
измерение частоты принимаемого сигнала затруднено тем, что он может быть мал по
уровню или вообще отсутствовать. Почему и прибегают к косвенным методам
измерения, основанным на использовании частоты гетеродина — f
.
“А”: Для чего при индицировании частоты сигнала f. и вводится поправка на промежуточную частоту fn.
“С”: А поскольку у нас частота гетеродина ВЫШЕ частоты
принимаемого сигнала, то можем записать:
fС =f ГЕТ
- f ПР
“Н”: Мы уже говорили об этом!
“С”: Но мы еще не говорили о способах введения поправки на f ПР ! А их, между
прочим, есть несколько! Эти способы основаны на следующем:
а) применяются два счетчика частоты;
б) применяется один счетчик частоты
и дополнительный дешифратор на f ПР
в) используется один реверсивный
счетчик частоты;
г) применяется счетчик частоты с
предварительной установкой.
Но и это не все! Применение СПЕЦИАЛИЗИРОВАННОГО
МИКРОПРОЦЕССОРА обеспечивающего не схемным, а программным путем выполнение
ЛЮБОЙ из перечисленных операций плюс еще целый ряд возможностей! Вот,
действительно, современный подход!
“А”: А мы будем заниматься микропроцессорами?
“С”: Ими занимаются во всем мире. Но применение
микропроцессоров в радиотехнических разработках требует предварительного опыта
применения ОБЫЧНОЙ цифровой техники. Запомните это и торопитесь медленно!
“Н”: Но выбор и так не маленький! Так на каком
же из четырех способов мы остановимся?
“С”: На втором! ЦОУ с одним счетчиком частоты и
дополнительным дешифратором на f обеспечивает
выполнение нужной нам операции с МИНИМАЛЬНЫМ "ПРЕОБРАЗОВАНИЕМ топологии
схемы частотомера. Сущность метода, напомним, заключается в том, что за время
измерения счетчик подсчитывает количество импульсов, начиная с нулевого
состояния, до тех пор, пока не пройдет число импульсов, равное f ПР. Затем, счетчик сбрасывается в НУЛЬ, а
подсчет продолжается. Вместо ДВУХ счетчиков здесь используется ТОЛЬКО ОДИН. Который за ПЕРИОД ОДНОГО счетного интервала ОБНУЛЯЕТСЯ ДВАЖДЫ!
А теперь внимательно присмотритесь к схеме частотомера. .
В ней есть немало скрытых резервов!
“А”: Например, мы не использовали возможность предустановки ИМС К176ИЕ2 по входам S1-S4?
“С”: Да хотя бы! Но... можно решить задачу еще изящнее! Что
мы сейчас и попробуем сделать! Возвратимся к рассмотрению нашего старого
доброго счетчика К176ИЕ2. Так какой сигнал на входе “HE-R” нужен для обнуления
счетчика, Незнайкин?
“Н”: На “HE-R” для этого нужно подать логическую “1”!
“С”: Отлично! А сейчас нам предстоит подумать о том, откуда
взять нужный нам сигнал и КАК его подать на вход “HE-R”, чтобы за КАЖДЫЙ
счетный интервал счетчик ОБНУЛЯЛСЯ бы ДВАЖДЫ!? Кроме того, наша первая
промежуточная частота 55,5 МГц. Но ведь входную частоту ГПД мы УЖЕ ПОДЕЛИЛИ В
1000 раз!
“А”: Что и обеспечило нам возможность применения КМОП ИМС в
основном счетчике! Но ... было бы несправедливым не разделить теперь на 1000 и
значение промежуточной частоты!
“Н”: То есть поправка на промежуточную частоту берется уже
не 55,5 МГц, а 55,5 кГц! Верно?
“С”: А то... Именно эти 55,5 кГц и должны вычитаться в
КАЖДОМ счетном интервале! А теперь даю вам домашнее задание к нашей следующей
встрече — зарисовать фрагмент нашего частотомера, а именно двоично-десятичный
пятиразрядный счетчик с указанием того, какое логическое состояние БУДЕТ ИМЕТЬ
МЕСТО на КАЖДОМ из его ДВАДЦАТИ ВЫХОДОВ, в момент поступления на счетный вход
“СР” ИМС D10 СЧЕТНОГО ИМПУЛЬСА № 55500?!