КВ приемник мирового уровня –это очень просто
ГЛАВА 15 От теории — к практике
“Аматор”: Привет, дружище! Слушай, какую мировую проблему ты решаешь? Я этим так настойчиво интересуюсь потому, что очень уж ты сконцентрирован на какой-то идее, судя по твоему сосредоточенному взгляду...
“Незнайкин”: Да, это так. Я просто подумал о том, что к моменту возвращения Спеца (а его командировка, насколько я понял, окончится недели через две), мы с тобой должны быть в полной готовности взяться за изготовление и монтаж “большого” приемника с преобразованием “вверх”. Так ведь?
“А”: Ну и в чем проблема?
“Н”: Да в том, что мне совсем не хочется опозориться. Между тем сколько нибудь солидного опыта в отладке аппаратуры у меня, как ты догадываешься, пет. Так вот, поскольку сейчас у меня каникулы, а на улице мороз, то ... я морально готов посвятить это время повышению своего технического уровня
“А”: И думаешь — гадаешь как это сделать с наибольшим эффектом? Могу подсказать. Поверь, что не существует лучшего способа для этого, чем самостоятельно собрать две-три схемки. Но главное — отладить их.
“Н”: Я тоже пришел к этому выводу. Вот тут я прихватил несколько старых журналов “Радио”. Порекомендуй, какую из схем простых приемников мне выбрать для самостоятельного повторения?
“А”: Я тебя понял. Ладно, предъявляй, что ты там притащил. Так-так... Но я, дружище, вижу здесь, в основном, схемы “времен очаковских и покоренья Крыма”. Вот знаменитый в 60-х годах “прямичок” Румянцева. А вот схема “Туриста”. Ну, а это что? Ну конечно, это же схема достопамятной “Спидолы”!.. Послушай, Незнайкин, ты давно смотрел фильм “Чапаев”?
“Н”: Недавно, поскольку его довольно часто крутят. А что, ты собрался рассказать какой-то новый анекдот о Фурманове?
“А”: Не угадал. Я имел в виду классические слова Василия Ивановича. А именно “наплевать и забыть”! Это я о том солидном грузе, который ты, несмотря на неблагоприятные погодные условия, все же доставил ко мне. И на основе которого собирался стремительно повысить свой технический уровень!
“Н”: А почему бы и нет?
“А”: Да потому, что большинство схемных решений радиоприемников тех далеких 60-х и 70-х годов, устарели безнадежно и представляют интерес, .прежде всего, для любителей истории техники.
“Н”: По той причине, что они не содержат микросхем?
“А”: Вовсе нет! Учти на будущее, Незнайкин, дело отнюдь не в микросхемах. И даже не в их отсутствии в составе старых приемников, как ты совершенно верно заметил. Но уж, коль скоро мы упомянули об истории техники, то полезно знать — применение микросхем в составе бытовых радиоприемников промышленного изготовления, зачастую не только не повышало качества изделия, но и значительно его ухудшало! Яркий пример тому — “всеволновый” приемник середины семидесятых — “Украина-210”.
“Н”: Уж не собираешься ли ты утверждать, что можно, используя микросхемы, собрать морально устаревший аппарат, а вот на основе использования транзисторов создать вполне современную вещь?
“А”: Представь себе — это в значительной степени именно так и есть.
“Н”: Но ведь это, я надеюсь, не исключает возможности создания современной аппаратуры на современной микросхемной базе?
“А”: Безусловно! Однако запомни, что, прежде всего НОВАЯ СХЕМО-ТЕХНИКА базируется на новых, прогрессивных технических идеях и подходах. Реализация которых уже САМА ПО СЕБЕ должна давать как очевидные, так и не очевидные преимущества. Вот почему, если хочешь знать, перед отъездом Спеца, у нас состоялся разговор. В котором, между прочим, была затронута и тема нашей сегодняшней беседы.
“Н”: И что предложил Спец?
“А”: А он настоятельно порекомендовал тебе для самостоятельной сборки и отладки следующую принципиальную схему. Это, как видишь, супергетеродинный приемник. Притом КОРОТКОВОЛНОВЫЙ. Двухдиапазонный. Его главное преимущество в том, что он обладает высокой чувствительностью, достаточно прост в отладке, обеспечивает высокое качество приема. А также надежен и неприхотлив.
“Н”: Это его очевидные преимущества? Или ты их относишь к не очень очевидным?
“А”: Конечно очевидные. Хотя, если они тебе сейчас таковыми и не кажутся, ты с этим согласишься позднее, когда мы приступим к детальному рассмотрению и анализу его принципиальной схемы. Ну а что касается “ не очень очевидных” преимуществ, в их наличии ты убедишься чуть позже...
“Н”: А может, прежде чем приступить к анализу принципиальной электрической схемы этого “не во всем очевидного чуда”, рассмотрим его структурную схему?
“А”: Рад констатировать, что школа Спеца не прошла для тебя даром! Поэтому давай изобразим структурную схему экспериментально-учебного радиоприемника, который Спец очень рекомендует тебе собрать и отладить (рис. 15.1). И заметь, ДО ТОГО, как мы возьмемся за постройку “БОЛЬШОГО СУПЕРА” с преобразованием “вверх”.

“Н”: Если ты ничего не имеешь против, я попробую прокомментировать эту структурную схему самостоятельно.
“А”: Готов слушать тебя с искренним и неподдельным интересом. Итак?...
“Н”: Ну, я полагаю, что Z1 — это преселектор. Но мне не совсем понятно, почему в его составе не указан элемент перестройки по частоте? Ну там конденсатор переменной емкости или какая-нибудь хитрая переменная индуктивность, как это делалось в свое время в старых автомобильных приемниках?
“А”: Да потому, что никакой элемент перестройки по частоте здесь совершенно не нужен! Z1 — это диапазонный полосовой фильтр. Его ширина полосы порядка 3 МГц. Он сразу перекрывает несколько коротковолновых радиовещательных поддиапазонов. А именно: 19, 20, 22 и 25 метров.
“Н”: Но ты говорил о ДВУХДИАПАЗОННОМ КВ-супере?
“А”: Здесь, на структурной схеме, второй диапазон не указан. Но на принципиальной схеме, как ты убедишься, он присутствует. И перекрывает диапазоны 31—41 метр.
“Н”: Дальше на структурной схеме идет усилитель А1. Это, как я понимаю, усилитель высокой частоты. Он что, не резонансный?
“А”: Ты снова прав. Это малошумящий широкополосный усилитель ВЧ, обладающий очень хорошей линейностью. Никаких элементов настройки, перестройки и прочее, как видишь, не содержит.
“Н”: Дальше идет U1. Это, как я понимаю, преобразователь частоты входного сигнала в промежуточную частоту. Ну, a G1 — это гетеродин. Но мне не понятна роль U3. Что это за схема?
“A”: U3 — это очень любопытный узел. Но о нем чуть позже. А пока не отвлекайся. Что ты можешь сказать по поводу А2 и U2?
“Н”: Я склонен думать, что А2 — усилитель промежуточной частоты, a U2 — амплитудный детектор. Разве нет? Кстати, какая в данном случае, выбрана промежуточная частота?
“А”: Для увеличения селективности по зеркальному каналу, Спец порекомендовал использовать в качестве первой промежуточной, частоту 5,5 МГц. Как ты еще убедишься, при таком значении первой ПЧ, избирательность по зеркальному каналу в десятки раз выше, чем у традиционных схем.
“Н“: А зачем нужен кварцованный гетеродин G2?
”А”: Да только затем, чтобы понизить значение промежуточной частоты с 5,5 до 0,5 МГц. Дело в том, что коэффициент усиления А2 невелик. А2 усиливает входной сигнал, примерно в 30—40 раз по напряжению.
“Н”: Но с выхода преобразователя частоты U2 сигнал второй ПЧ поступает на A3. Это, очевидно, усилитель второй промежуточной частоты?
“А”: Твоя проницательность достойна Коломбо! Так вот, как раз этот усилитель имеет высокий коэффициент усиления. В максимуме он достигает 3— 4 тысяч. Ну а в минимуме — всего 20—30 раз!
“Н”: Все было так хорошо и понятно. Раньше!... Но только не теперь. Что, о высокочтимый Аматор, имеешь ты в виду, говоря о максимальном и минимальном усилении? Разница между которыми столь велика, сколь и непонятна для меня.
“А”: Ну, раз уж ты полностью заговорил на диалектах Востока, значит, пора приходить к тебе на помощь. Но ты обратил внимание, что на структурной схеме прямоугольники A3 и U3 охвачены ПЕТЛЕЙ ОБРАТНОЙ СВЯЗИ? Обозначенной аббревиатурой АРУ? Что в переводе означает — АВТОМАТИЧЕСКОЙ РЕГУЛИРОВКОЙ УСИЛЕНИЯ ?
“Н”: Да, вижу. Но совершенно не представляю, в чем заключается принцип работы этой самой АРУ!
“А”: А между тем АРУ — это замечательная штука! Поскольку (ранее Спец уже рассказывал об этом) из-за “капризов” в атмосфере, происходит “замирание” сигнала в точке приема — “ФЕДДИНГ”. Это явление выражается в том, что амплитуда сигнала, развиваемая далекой радиостанцией в антенне приемника, на протяжении считанных десятков секунд, может измениться в сотни раз!
“Н”: Ох и ничего себе! Ну и как быть?
“А”: Поскольку воздействовать на атмосферу мы не можем (да и не очень хотим), этот вопрос достаточно успешно решается на схемотехническом' уровне. Вот для этого и служит АРУ! Конкретное решение цепи АРУ для нашего случая мы и рассмотрим ниже. А пока продолжим знакомство со структурной схемой.
“Н”: Ладно, потерпим... Ну, дальше следует A3. Это, как я понимаю, усилитель низкой частоты — УНЧ. Ну и, естественно, динамик BF1... Да, так что Вы там, Штирлиц, говорили насчет того, что “время пока терпит”? Это я насчет того, непонятного для моего разумения, прямоугольника U3.
“А”: Твое, потрясающее всякое воображение, долготерпение, будет вознаграждено! Прямо сейчас! Скажи Незнайкин, тебе никогда не приходилось, слушая, где-нибудь на природе, интересную передачу в диапазоне коротких волн, трясти до совершенного исступления приемник, чтобы оживить его, внезапно умолкнувшего?
“Н”: У моего приятеля случилась осенью подобная история. При том, что батарейки, как он утверждал, были свежайшие... Кстати, виновником испорченного настроения моего друга оказался коротковолновый сувенирный приемник “Олимпик-402”. После этого он очень не советовал мне приобретать подобный “Сувенир”.
“А”: Поверь моему слову — это очень дельный совет. Я знаю “Олимпик-402”. Это довольно неплохой по своим параметрам приемник. Но у него есть принципиальный недостаток. В результате эксплуатации, через самое непродолжительное время, у этого приемника выходит из строя конденсатор переменной емкости. Пластины ротора процарапывают тончайшую тефлоновую изоляцию и происходит короткое замыкание пластин при вращении регулятора настройки. Кроме того, из-за конструктивной недоработки, сбивается ось, что вообще приводит к серьезной неисправности приемника.
“Н”: А что, так трудно взять, да и заменить конденсатор?
“А”: Замена конденсатора, в общем, проблемы не решает. Поскольку, во-первых, требует новой настройки в радиомастерской всех высокочастотных узлов приемника. А, во-вторых, вскоре будет то же самое. И это вообще бич отечественных переносных радиоприемников. Но не в меньшей степени это касается и подобной дешевой аппаратуры китайского, румынского и польского производства.
“Н”: Можно подумать, что в том приемнике, который я собираюсь строить, эта проблема не возникнет...
“А”: Совершенно верно! В том-то все и дело, что у тебя подобная проблема не возникнет никогда! Чтобы так и случилось, в состав структурной схемы и введен прямоугольник U3! Видишь, на нем еще написано — U2/U1?
“Н”: Не томи душу. Я и так весь внимание!
“А”: Так вот, в рассматриваемом приемнике НИКАКИХ конденсаторов переменной емкости нет. А в качестве элемента настройки на станцию применяются ВАР И КАПЫ — специализированные полупроводниковые диоды, емкость которых варьируется в достаточно широких пределах посредством изменения величины электрического потенциала, подаваемого между анодом и катодом этих диодов в обратном направлении. Для этого в настоящее время этот потенциал приходится менять в пределах от 4 до 30 вольт. Иногда немного выше. Но эти 30 вольт нужно еще получить!
“Н”: А что, это так невыразимо сложно?
“А”: Непросто. Поскольку требования к стабильности этого потенциала очень высоки. Это и понятно. Ведь любое самопроизвольное изменение величины напряжения (потенциала), подаваемого на ВАРИКАП, немедленно приведет к соответствующему изменению его емкости. А это, в свою очередь, вызовет несанкционированное изменение частоты настройки. Станция “уйдет”...
“Н”: Понятно. А каким переменным резистором лучше всего воспользоваться для осуществления регулировки подачи на ВАРИКАПЫ управляющего напряжения?
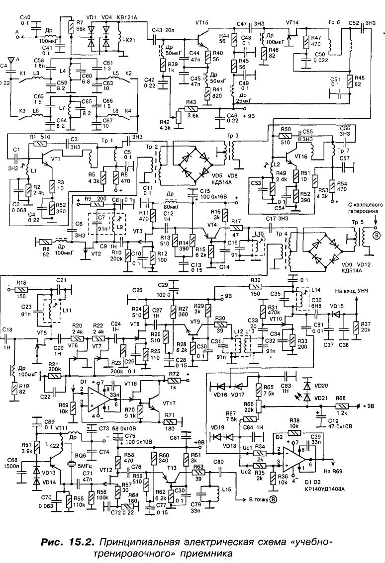
“А”: Только не таким, с помощью которого мы обычно регулируем “громкость” и “тембр”. Существуют специальные, высоконадежные, износостойкие переменные резисторы. Причем, МНОГООБОРОТНЫЕ. Из отечественных можно порекомендовать СПЗ-44. А еще лучше — ППМЛ, что означает, прецизионные, переменные многооборотные, линейные. Вот для обеспечения запросов такого элемента настройки и необходим U3. Который вырабатывает высокостабильное напряжение для запитки ВАРИ КАПОВ. Вот теперь и наступил тот торжественный момент, когда я разворачиваю перед тобой, заранее вычерченную, принципиальную электрическую схему учебно-тренировочного КВ-приемника (рис. 15.2)...

“Н”: Ничего себе! Хорош же твой “учебно-тренировочный”!...
“А”: Отставить разговорчики! Незнайкин, дорогой. Ты только что шагнул в третье тысячелетие! Как, впрочем, и все остальное человечество. Так что — привыкай! Техника (даже ее исходный учебный уровень) усложняется. Хотя, строго между нами, ничего особо сложного в этой схеме нет. Наоборот — она проста и логична. Да ты скоро в этом и сам убедишься. Так что — выше голову!
“Н”: Считай, что ты меня убедил. А теперь, будь любезен, подробненько так и со вкусом, опиши назначение элементов.
“А”: Придется, Незнайкин, придется... Итак, только вообрази себе, что сигнал интересующей тебя дальней радиостанции, который, как известно, распространяется в виде электромагнитной волны, навел на входе антенны приемника соответствующее высокочастотное напряжение Uc. При этом можешь смело считать, что оно не превышает, например, 50 микровольт. Естественно, что у тебя, в зависимости от выбранного диапазона, подключен или полосовой фильтр “1”, или полосовой фильтр “2”. Но ты что- то хочешь спросить?
“Н”: Да, поскольку вижу, что контакты К1 и К2 — находятся не на самом переключателе диапазонов, а входят в состав реле. Для чего Спец принял именно такое решение? Это ведь усложняет схему?
“А”: Ты действительно так полагаешь? Если да, то напрасно. Дело в том, что именно входная цепь всегда являлась “ахиллесовой пятой”, практически, всех бытовых приемников. Ни в одном совдеповском приемнике так называмого “высшего класса” (а что уже говорить об обычных, массовых) этот вопрос за десятки лет производства так и не был решен удовлетворительно. Дело в том, что переключатель диапазонов должен выполнять сложнейшую задачу. И вопрос не в том, что он должен обеспечивать коммутирование целой группы различных цепей. А в том, КАК он это делает!
“Н”: Понятное дело как. Переключатель обеспечивает плотное соприкосновение контактов между собой...
“А”: А я и не знал... Лучше послушай. В упоминаемой уже “Спидоле”, контурные катушки (гетеродинные и диапазонные) коммутировались посредством посеребренных внешних контактов. И пока приемник был новый, все было в порядке. Но по мере эксплуатации, серебро на контактах покрывалось тончайшей пленкой окисла, чернело. Переходное контактное сопротивление цепей при этом возрастало. Кроме того, становилось непостоянным во времени. Сигнал, реальная величина которого составляла десятки микровольт, часто был не в состоянии преодолеть такой контакт.
“Н”: Но ведь это означает полную потерю чувствительности, разве нет?
“А”: Во всяком случае, значительное ее ухудшение. И резкое возрастание уровня треска и помех.
“Н”: Но я видел и герметизированные барабанные переключатели?
“А”: Совершенно верно, таковые имеются. Применяя их, от вышеназванных неприятностей можно избавиться. Но далеко не от всех. Поскольку барабанный переключатель (или даже клавишный) — это конструкционный узел, расположение которого не терпит произвола. Он должен размещаться так, чтобы оператору, работающему с приемником, было удобно пользоваться переключателем диапазонов.
“Н”: Иначе говоря, должен быть расположен ФУНКЦИОНАЛЬНО?
“А”: Тебе удалось ухватить всю философскую глубину этой проблемы! А теперь прикинь, что входные высокочастотные цепи должны быть расположены так, чтобы находиться как можно ДАЛЬШЕ от рук оператора. Так наводки меньше. Но в этом случае, чтобы дотянуть сигнальный провод до переключателя и вернуть назад, приходится значительно увеличивать длину проводов входных и гетеродинных цепей. При этом резко падает их добротность, значительно возрастает уровень помех и наводок, затрудняется настройка цепей.
“Н” Ну и какой же ты можешь предложить выход из всего этого?
“А”: Только один — осуществлять высококачественную ВЧ-коммутацию на месте. Вот почему в схеме приемника и применены для этого специальные герконовые реле. Это очень качественный и надежный радиотехнический компонент. Итак, поскольку ответ на свой вопрос ты теперь знаешь, пошли дальше. Полосовой фильтр не только формирует 3-х мегагерцевую полосу пропускания, но еще и усиливает входной сигнал. Поэтому, приняв уровень сигнала на его выходе, равным 150 микровольт, мы не слишком погрешим против истины.
“Н”: Далее у нас идет широкополосный усилитель А1. Но я не понимаю его принципиальную схему. Не встречал такой.
“А”: Тебя, очевидно, смущает наличие трансформатора Tpl? Действительно, трансформатором этот элемент можно назвать с большой долей условности. В современной схемотехнике он известен больше под названием ШПТЛ — широкополосная трансформаторная линия. Должен тебе заметить, что само построение каскада УВЧ, в коллекторную цепь которого включен этот ШПТЛ, обладает рядом замечательных свойств.
“Н”: Ну и что же это за свойства, которых, как я понял, нет у привычных взору радиолюбителей каскадов?
“А”: Прежде всего, УВЧ на основе ШПТЛ является высоко линейным. Ты еще оценишь, насколько это важно для построения высококачественного приемного устройства. И означает, что даже при достаточно большой амплитуде сигнала ВЧ на входе, выходной сигнал не содержит в себе гармоник. Иными словами, синусоидальный характер выходного сигнала гарантируется.
“Н”: И это все?
“А”: Вовсе нет! Высокая линейность сохраняется в широкой полосе частот. Ну вот, для примера, подобный усилитель может без всякого завала АЧХ работать с сигналами от сотен килогерц до многих десятков мегагерц!
“Н”: А что это за хитрая цепь, собранная, как я понимаю, Toke на ШПТЛ. А именно, Тр2 и ТрЗ? А также на странно включенных диодах VD5—VD8?
“А”: Вот именно так, дорогой Незнайкин, выглядит смеситель. Это, давай напомню, нелинейное устройство, преобразующее частоту входного сигнала в некоторую иную частоту. При этом “всадник”, то есть интересующий нас низкочастотный МОДУЛИРУЮЩИЙ сигнал, никаких искажений претерпевать не должен.
“Н”: Можно ли это уподобить тому, что “всадник” (он же низкочастотный сигнал) просто “меняет коня”?
“А”: Хорошая аналогия. Но присмотрись, на этот смеситель (преобразователь частоты), поступает также и сигнал ГПД — генератора плавного диапазона. В результате перемешивания сигналов, соответственно, имеющих значения входной и гетеродинной частот, получается их разностная частота. То есть первая промежуточная — ПЧ1. Со вторичной обмотки ШПТЛ Тр2 сигнал ПЧ1, равный 5,5 МГц, через конденсатор С6 подается на вход резонансного усилителя, собранного на транзисторе VT2 и включенного по схеме с общим затвором. С его выхода, через конденсатор С9 он подается на вход КАСКОДНОГО усилителя на транзисторах VT3 и VT4.
“Н”: А почему нельзя было обойтись каскадом попроще?
“А”: Потому что КАСКОДНЫЙ усилитель обладает очевидными преимуществами. Во-первых, его входной ИМПЕДАНС (т.е. комплексное высокочастотное сопротивление, учитывающее как активную, так и реактивную проводимости), достаточно велик.
“Н”: Достаточно для чего?..
“А”: Ну хотя бы для того, чтобы не шунтировать резонансный контур С7—L9, настроенный, как ты, безусловно, догадался, на ПЧ1, т.е. 5,5 МГц. Этот каскад хорош и тем, что не склонен к самовозбуждению. То есть от него можно добиться высокого коэффициента усиления по напряжению. Наконец, такой каскад отличается легкостью в настройке.
“Н”: Объясни пожалуйста, что ты имеешь в виду?
“А”: Охотно. Настраивая узел, содержащий в себе несколько резонансных контуров, обычно сталкиваются с явлением, когда “все зависит от всего”. Любой элемент, таким образом, влияет на формирование АЧХ. Причем на ВСЮ, хотя на различные ее участки в различной степени! Но в КАСКОДНОЙ схеме это влияние, практически, ликвидируется. Вот почему такие усилители являются наиболее предпочтительными для построения на их основе резонансных высокочастотных усилителей.
“Н”: Я так понимаю, что УПЧ смело можно зачислять по высокочастотному ведомству?
”А”: И без угрызений совести! Ну, а что касается величины сигнала, то на выходе УВЧ полагаем его амплитуду достигшей 1,2 милливольт. Первый смеситель, осуществив “пересадку” сигнала с высокой на первую ПЧ, понизил его уровень до 400 микровольт.
“Н”: Зачем?...
“А”: Ты хочешь знать, зачем? Да просто потому, что коэффициент передачи сигнала диодных смесителей меньше единицы. Но зато у них масса других, очень полезных свойств. Которые с лихвой компенсируют ослабление ими сигнала. Например, исключительно малый коэффициент искажений. Высокая устойчивость к мощным внеполосным помехам, большой динамический диапазон, малые шумы.
Так что ты можешь с легким сердцем остановиться именно на этом типе смесителей. Ну и ведь, недавно рассмотренный, КАСКОДНЫЙ усилитель первой ПЧ тоже свое дело делает. Так что можешь считать, что на вход ВТОРОГО смесителя, собранного на ШПТЛ Тр4 и Тр5, а также диодах VD9—VD12, поступает сигнал с амплитудой около 20 милливольт.
“Н”: Снова сделаем поправку на особенности кольцевых смесителей и найдем, что на исток транзистора VT5 через конденсатор С18 поступает сигнал второй ПЧ, имеющий амплитуду около 7 милливольт. А вот дальше я не могу понять. Что это за узел?
“А”: Ты имеешь в виду участок принципиальной электрической схемы приемника, выполненной на транзисторах Т6, Т7 и резисторах R20 и R22?
“Н”: Ну конечно! Но послушай, уважаемый Аматор! Не вы ли со Спецом так настойчиво утверждали, что любой усилительный прибор, неважно, электронная лампа или транзистор, для того, чтобы проявить свои замечательные свойства, давшие так много для прогресса человечества, нуждается (я имею здесь в виду, конечно же, прибор) в обязательной подаче на его электроды различных уровней ПОСТОЯННОГО НАПРЯЖЕНИЯ ?
“А”: Иными словами, что электроника немыслима без питающих напряжений? Расслабься, Незнайкин. И, поверь моему слову, не стоит бежать к окулисту по поводу того, что ты не видишь, как подается напряжение на транзисторы VT6 и VT7. Ты не видишь именно того, чего здесь и нет! Действительно, эти транзисторы НЕ ПОДКЛЮЧЕНЫ к источнику постоянного напряжения. А между тем, в отличие от электронных ламп и биполярных транзисторов, полевые транзисторы вполне допускают режим работы БЕЗ подачи на их электроды постоянного потенциала. Вот как, например, в нашем случае.
“Н”: Но, судя по тому, что на затворы этих транзисторов подается сигнал АРУ, они еще и управляются?
“А”: Да, и это несмотря на отсутствие источника электропитания. Поскольку в этом режиме они являются не усилительными приборами, а неким подобием переменного резистора. Проводимость полевых транзисторов может в широких пределах регулироваться путем подачи различного потенциала постоянного напряжения за их затворы. Пределы регулировки очень широки, от десятков ом до сотен килоом! Кроме того, если амплитуда входного сигнала (вот как в . нашем случае) сравнительно невелика, то область исток—сток полевого транзистора обладает, при определенном потенциале на затворе, ОДИНАКОВОЙ величиной проводимости для разнополярных сигналов.
“Н”: Вот это да! Но тогда вся эта цепь представляет из себя...
“А”: ...Аттенюатор, дружище, причем двойной! Обладающий превосходной регулировочной характеристикой. В самом деле, представь себе, что в исходном состоянии на затворы подан ПОЛОЖИТЕЛЬНЫЙ потенциал. В этом случае проводимость областей исток— сток полевых транзисторов VT6 и VT7 — минимальна. Иными словами, они находятся в режиме отсечки тока, т.е. ПОЛНОСТЬЮ заперты. Что это означает, как думаешь?
“Н”: Очевидно, то, что их сопротивление очень велико. Поэтому, так как последовательное сопротивление резисторов R20 и R22 меньше 5 килоом, а входное сопротивление VT8 измеряется в сотнях килоом, то ВСЯ (практически) амплитуда сигнала ПЧ2 подается на вход уже знакомой нам КАСКОДНОЙ схемы УПЧ2, собранной на VT8 и VT9. Но если положительный потенциал на затворах полевых транзисторов будет небольшим, то проводимости их каналов резко упадут. И их сопротивление может стать даже меньше, чем сопротивление соответствующих резисторов R20 и R22.
“А”: Отлично, Незнайкин! В этом случае образуется двойной Г-образный делитель напряжения. Поэтому, даже если на С20 будет присутствовать сигнал с амплитудой 100 милливольт, то на затвор VT8 поступит ну разве что сотая доля его амплитуды.
“Н”: Но кто же тот “неизвестный” кто управляет величиной постоянного напряжения на затворах VT6 и VT7?
“А”: Немного терпения. Итак, сигнал, имеющий амплитуду 7 милливольт, воздействовал на затвор полевого транзистора VT8. КАСКОДНЫ И усилитель повышает амплитуду этого сигнала на выходе до величины 350 милливольт. Каскад на транзисторе VT10 еще усилит амплитуду сигнала ПЧ2. И мы не слишком погрешим против истины, если примем амплитуду сигнала на входе АД (амплитудного детектора) равной 1,2 вольта.
“Н”: Это все при том условии, что на входе приемника амплитуда ВЧ-сигнала составляет не более 50 микровольт?
“А”: Верно излагаешь. Но, я надеюсь, ты обратил внимание на то обстоятельство, что на выходе детектора сигнал как бы разделился?
“Н”: А то!... И одна из дорог у меня не вызывает никаких сомнений. Это та, которая ведет на вход усилителя низкой частоты. А вот что касается цепи, которая начинается конденсатором С81...
“А”: Поверь, друг, что “эта дорога ведет к храму”! Вот смотри, модулированный сигнал ПЧ2 поступает на вход электронной цепи, обладающей целым набором нужных нам свойств. Реализуется эта цепь на диодах VD16— VD19, представляющих собой, балансируемую с помощью подстроенного резистора R66 схему “моста”. Выходы этой цепи подсоединены к микросхеме, представляющей собой ДИФФЕРЕНЦИАЛЬНЫЙ УСИЛИТЕЛЬ постоянного тока. Свойства этого усилителя очень интересны. Я вот тут обозначил постоянные напряжения, снимаемые с диагоналей моста, как UC1 и UC2 Так вот, дифференциальный усилитель (ДУ) воплощает в жизнь следующую формулу:
Uвых= К(UС2-UС1).
Здесь К — коэффициент усиления по постоянному току.
“Н”: Если я тебя верно понял, то при взаимном равенстве друг другу величин сигналов на входах, напряжения на выходе дифференциального усилителя не будет никакого? Но тогда зачем он нужен?..
“А”: А ты присмотрись повнимательней! Что происходит? Если оба входных напряжения равны между собой, его выходное напряжение, которое и вправду равно нулю, поступает на вход интересной цепи, которая называется ИТУН — источник тока, управляемый напряжением. Поскольку в данном случае потенциал на входе ИТУН равен нулю, то в выходной его цепи, нагрузкой которой является резистор R72, ТОК равен нулю. Что при этом будет?
“Н”: При этом падения напряжения на R72 никакого нет. А значит, весь положительный потенциал, равный напряжению питания, приложен к затворам полевых транзисторов аттенюатора ПЧ2, принцип действия которого мы уже рассмотрели.
“А”: То есть при этом (повторение — мать учения) аттенюатор НИКАКОГО ослабляющего действия на уровень входного сигнала ПЧ2 не оказывает. А вот теперь предположи, что сигнал на входе приемника из-за всяких там атмосферных дел, будет возрастать.
“Н”: Тогда, соответственно, возрастут сигналы и на выходе УВЧ, и на выходе УПЧ 1 , и на выходе УПЧ2. А поскольку УПЧ2 обладает значительным усилением, то ему, очевидно, достанется больше всех!?..
“А”: А про наши бедные уши ты подумал? Ведь при росте амплитуды сигнала с антенного входа всего на один порядок, на входе детектора сигнал должен был бы достичь уровня 12 вольт, а то и больше! Вообрази на секунду, какие нелинейные искажения создаст подобный сигнал на выходе усилителя мощности звуковой частоты (УМЗЧ)! И каково придется слушателю?
“Н”: Но ведь у нас предусмотрен этот случай?
“А”: Ну, а как же? Ведь вся эта возня с АРУ затеяна именно для того, чтобы подобная ситуация оставалась только плодом нашего буйного воображения. В самом деле, возросший уровень сигнала промежуточной частоты немедленно нарушит баланс моста. При этом на выходе ДУ появится положительный потенциал, который приведет к генерации соответствующего тока в нагрузке ИТУН.
“Н”: А это будет причиной падения напряжения на резисторе R72...
“А”: ...И немедленного уменьшения, запирающего полевые транзисторы аттенюатора, потенциала на их затворах. Что приведет к уменьшению амплитуды сигнала непосредственно на входе УПЧ2. А это ЭКВИВАЛ ЕНТНО самому радикальному понижению коэффициента усиления (передачи) всего тракта ПЧ2.
“Н”: Вот и нет никакой перегрузки на выходе. И ничего не напрягает чрезмерно наши уши!
“А”: Ну разве что какая-либо нежелательная информация, которую ты “подцепил” на антенну своего учебно-экспериментального... Но даже она прозвучит, с точки зрения акустики, с минимальными нелинейными искажениями...
“Н”: Единственное утешение. Но мне кажется, что вся эта схема будет отрабатывать свой хлеб ПРИ ЛЮБОЙ, даже достаточно малой величине сигнала с выхода ПЧ2. Разве нет?
“А”: Все в наших руках, как сказал однажды какой-то пират, направляя свой бриг во время шторма прямо на скалы... Во-первых, мы вполне можем так отбалансировать диодный мост, что создадим некоторый запас запирающего напряжения. Тогда, для того, чтобы привести цепь ИТУН в действие, нужно, чтобы амплитуда несущей сигнала на выходе УПЧ2 в определенный момент стала выше порога. То есть мы можем реализовать ЗАДЕРЖАННУЮ АРУ. Во-вторых, потенциал, который приложен к затворам VT6 и VT7 — заведомо несколько превышает порог запирания. Тем самым и в этом случае у нас имеется определенный запас регулирования. Так что представленная схема1, будучи весьма эффективной, дает полную свободу для творческого выбора порога срабатывания системы АРУ.
“Н”: А вот такие УПЧ, охваченные АРУ, как-то количественно характеризуются?
“А”: Еще бы! Говорят о таком параметре, как ГЛУБИНА АРУ. Должен заметить, что рассмотренная нами схема, в этом отношении выглядит весьма достойным образом. Ее глубина АРУ, как утверждает Спец, достигает 66 дБ/6 дБ. И даже несколько выше.
“Н”: А что это означает, если от шибко технического термина ДЕЦИБЕЛ перейти к общедоступным “разам”?
“А”: Вообще недурственно тебе было бы приобщиться к пользующимся заслуженным почетом, уважением и международной популярностью, официальным техническим терминам. Но если уж ты так настаиваешь (только по старой дружбе), спешу сообщить, о чем сие соотношение говорит... Так вот, при изменении сигнала на входе второй ПЧ в 3000 раз (имеется в виду его возрастание от некоторой минимальной рабочей величины), сигнал на выходе УПЧ2, возрастет только в 3 раза! Но ведь ты понимаешь, что реально сигнал может возрасти не более, чем в 500 раз. Поэтому выходной сигнал на выходе УПЧ, практически, не изменится!
“Н”: Вот это здорово! Но мы “оставили за бортом” еще несколько моментов “А”: Помню-помню. Как же, узел U3? Вот он, долгожданный, на рис. 15.3

Кстати, заметим, что, хотя мы решили ограничиться только двумя диапазонами, забывать об их коммутации все равно нельзя. А нам следует переключать не только герконовые реле, но о многооборотный резистор ППМЛ (R25). Так что я привожу полную схему коммутации для “учебно-тренировочного” (рис. 15.4). Теперь возвращаемся к узлу U3.

“Н”: Такой сложный?... Что же ты молчишь? И почему у тебя такой меланхолически-философский вид? Ты устал от разъяснений?
“А”: Я просто, как говорят, слегка “задумался о высоком”... И виной тому — твои навязчивые мысли о сложности! Якобы присутствующей на предложенной тебе схеме. Между тем, дорогой Незнайкин, можешь поверить моему скромному опыту. Тем более, что он опирается на значительно больший опыт Спеца. Так вот, этот опыт говорит — бояться следует не столько схем “средней” сложности, сколько схем “ПРОСТЫХ”! Порой именно “простые” схемы скрывают в себе настоящие сложности! Но об этом мы поговорим в следующий раз.