Тема 24. ПЕРЕХОДНЫЕ ПРОЦЕССЫ В ЦЕПЯХ С РАСПРЕДЕЛЕННЫМИ ПАРАМЕТРАМИ
(задачи без решения)
Перейти к задачам с решением
Задача 24.1. Можно ли выбрать значение сопротивления нагрузки линии
R таким, чтобы для волны, отраженной от конца линии (см. п. 26.3 теоретической части), выполнялись равенства: а)
, б)
, в)
, г)
, д)
, е)
. Изменится ли ответ для отраженных волн в момент их возникновения, если параллельно или последовательно с нагрузочным резистором включена индуктивность?
Показать соответствующий раздел теоретического материала Лекции 26
Показать решение задачи
Задача 24.2. Линия замкнута на цепь с последовательно соединенными элементами
RC. Можно ли подобрать значение R таким, чтобы в конце линии в момент его достижения падающими волнами выполнялись равенства: а)
, б)
, в)
, г)
, д)
, е)
?
Показать соответствующий раздел теоретического материала Лекции 26
Показать решение задачи
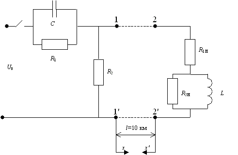
Задача 24.3. На вход линии без потерь длиной l = 10 км с волновым сопротивлением Z = 75 Ом подается импульс напряжения от генератора через четырехполюсник (рис. П24.1). Рассчитать и построить распределение напряжения и тока вдоль линии для момента времени, когда отраженная от нагрузки волна достигнет середины линии. Скорость распространения волны равна v = 2 · 105 км/с.

Рис. П24.1
Показать соответствующий раздел теоретического материала Лекции 26
Показать решение задачи