26.3.
, ( t = 0 x = 0). . , , R U0 (. 26.2), .

. 26.2
t = 0 uj = U0 ij = uj/Z, v . 0 < t < l/v . t1 = l/v, , uy, iy = uy/Z, . l/v < t < 2l/v , . t = t2 = 2l/v, . . , , - , .
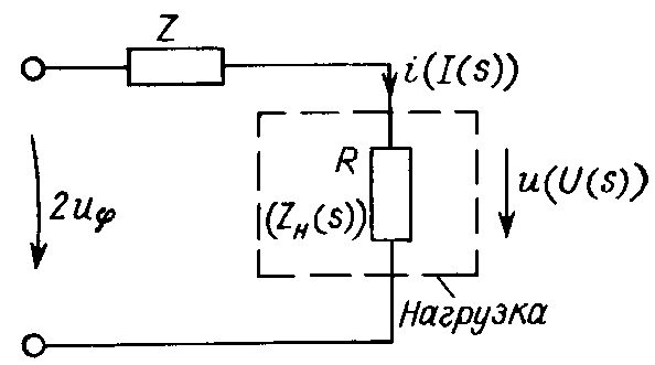
, , , (. . 26.1). , .
R (. . 26.2). u i : u = uj + uy; i = ij + iy. : u = Ri; uj = ijZ; uy = iyZ, u = uj + uy = R(uj/Z uy /Z). uy(1 + R/Z) = uj(R/Z 1)

qu = (R Z)/(R + Z) . 0 < R < ¥ qu 1 1 . . (R = Z) qu = 0, . (. 26.2) t = t1 = l/v . , , .
,
![]()
u i, , uj u, uj uy, :
![]()
, u i (. 26.3), , Z, , ( ).

. 26.3
, u uj. , : i £ 2ij.
, . R qu qi . 26.3 R = R.
Z1 , Z2, - (. 26.4, ) R = R1 + R2/(R2 + Z2), , Z2.

. 26.4
1 (. 26.4, ). uj2 ij2, .
, . 26.4, , (Z1 Z2). , Z2 < Z1 R2 = ¥, qu = 0 R1 + Z2 = Z1, . . R1 = Z1 Z2. , , Z2 > Z1, R2 R1 = 0. qu = 0 R2Z2 /(R2 + Z2) = Z1, R2 = Z1Z2 /(Z2 Z1), .
, . :

Z(s) . Z(s) , , , . 26.4. uj(t) Uj(s). Uy(s) = Uj(s)qu(s) uy(t) .
(. . 26.3) :
![]()
(, ).
, R
C.
,

(. 26.5, ), R = ¥ qu = (1 sZC)/(1 + sZC). uj = U0 Uj(s) = U0/s; Uj(s) = U0(1 st)/[s(1 + st)], t = ZC. , uy(t) = U0(1 2e-t/t).

. 26.5
. t = 0, 11'. uy(x', t), , x' , t t x'/v, x'/v . , eax'.

. 26.5, , , . , 2ij , . t ® ¥ 2uj, . , , , .
u i .26.5, . : u = 2uj(1 et/t), uj = U0, t = ZC, i = C duC/dt = 2ujet/t/Z. , , : u = uj + uy; i = ij + iy.
23.3.