Тема 10. РАСЧЕТ ЦЕПЕЙ ПРИ ДЕЙСТВИИ НЕСИНУСОИДАЛЬНОГО СИГНАЛА ЧАСТОТНЫМ МЕТОДОМ (задачи без решения)
Перейти к задачам с решением
Задача 10.1. На входе цепи действует периодическая последовательность треугольных импульсов напряжения (один из которых изображен на рис. П10.1, а).

Рис. П10.1, a
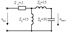
Сопротивления элементов для первой гармоники указаны на схеме цепи в омах (рис.П10.1, б).

Рис. П10.1, б
Разложить входное напряжение в ряд Фурье и изобразить его амплитудный спектр. Ограничиваясь при расчете гармониками, амплитуда которых превышает 5% от амплитуды максимальной гармоники, рассчитать и построить спектр выходного напряжения и график его мгновенного значения. Определить действующие значения входного и выходного напряжений. Оценить влияние отброшенных гармоник на действующее значение входного напряжения.
Показать соответствующий раздел теоретического материала Лекции 11
Показать решение задачи
Задача 10.2. Непериодический сигнал, состоящий из двух прямоугольных импульсов напряжения противоположной полярности ± U0 и одинаковой длительности T0 (рис.П10.2,а) подается на вход цепи (рис.П10.2, б), параметры которой L/T0 = 0,1 Ом и R = 5 Ом.

Рис. П10.2, a

Рис. П10.2, б
Показать соответствующий раздел теоретического материала Лекции 11
Показать решение задачи