29.3. УРАВНЕНИЯ СОСТОЯНИЯ НЕЛИНЕЙНЫХ ЦЕПЕЙ
Дифференциальные уравнения, описывающие динамические процессы в нелинейных цепях, имеют более широкое применение, чем в линейных цепях, так как они используются не только для расчетов переходных, но и периодических процессов. В связи с этим возникает необходимость выяснить, можно ли описывать нелинейные цепи с помощью переменных состояния, а также определить способы формирования уравнений состояния.
Переменные состояния. Напомним, что в линейной цепи переменные состояния iL и uC однозначно определяют токи и напряжения всех остальных ветвей. Нетрудно установить, что в нелинейной цепи с неоднозначными (немонотонными) характеристиками элементов такой однозначности может не быть. Рассмотрим в качестве примера простую цепь, состоящую из конденсатора с параллельно включенным нелинейным резистором (рис. 29.3, а). Пусть нелинейный элемент имеет характеристику uн(iн), управляемую током (рис. 29.3, б). Уравнение цепи J0 = C duC/dt + iн содержит две переменные: uC и ток нелинейного резистора iн. Напряжение uC нельзя принять за переменную состояния, так как оно не определяет однозначно ток iн. Так как при заряде конденсатора наблюдается скачок тока iн и его производная diн/dt в момент скачка бесконечна, то использование переменной iн в качестве переменной состояния также невозможно. Таким образом, динамические процессы в цепях с контурами из конденсаторов и управляемых током нелинейных резисторов нельзя описывать переменными состояния. Согласно принципу дуальности, аналогично в цепях, включающих сечения из катушек индуктивности и управляемых напряжением резисторов, также нельзя пользоваться уравнениями состояния. Простейшая такая цепь это последовательное соединение катушки и резистора с N-образной характеристикой (например, туннельного диода). Для такой цепи характерны скачки напряжения при динамических процессах.

Рис. 29.3
В связи с этим в дальнейшем будем рассматривать нелинейные цепи, в которых нет перечисленных особых контуров и сечений, и для их описания цепи можно использовать полную совокупность напряжений uC (зарядов qC) на конденсаторах и токов iL (потокосцеплений ΨL) катушек цепи, через которые все остальные переменные выражаются однозначно.
Формирование уравнений состояния. В цепях, не имеющих отмеченных особенностей, в качестве переменных состояния могут выступать либо переменные uC, iL, либо входящие в уравнения цепи под знаком производных заряды нелинейных конденсаторов qC и потокосцепления нелинейных индуктивностей ΨL. Выбор типа переменной — uC или qC и iL или ΨL — для каждого элемента не имеет принципиального значения и обычно диктуется соображениями простоты записи уравнений, что определяется, в первую очередь, видом используемой аппроксимации характеристик. Например, при задании характеристики нелинейной катушки в форме i(Ψ) удобнее пользоваться в качестве переменной состояния потокосцеплением Ψ, и наоборот, если характеристика представлена в форме Ψ(i), разрешенной относительно тока, в качестве переменной состояния следует взять этот ток.
При использовании переменных uC и iL связи между токами и напряжениями на динамических элементах записываются в виде:
;
.
где CД — дифференциальная емкость; LД = dY/di — дифференциальная индуктивность.
Уравнения Кирхгофа, являющиеся исходными для уравнений состояния нелинейной цепи, формируются так же, как в линейных цепях: используются главные сечения и главные контуры нормального дерева, включающего все конденсаторы и ни одной катушки (последние относятся к дополнению дерева).
Каждое из полученных уравнений первого и второго законов Кирхгофа закона содержит не более одной производной от переменной состояния по времени. Система включает также напряжения резистивных ветвей дерева и токи резистивных связей, которые необходимо выразить через переменные состояния. Для этого используют уравнения первого закона для главных сечений резистивных ветвей дерева и второго закона для главных контуров резистивных связей. Эти нелинейные, в общем случае, уравнения не содержат производных и служат основой для исключения избыточных переменных. Однако этот этап, как правило, требует решения нелинейной системы с помощью рассмотренных выше методов расчета нелинейных резистивных цепей (см. гл. 28).
Рис. 29.4 |
В качестве простейшего примера рассмотрим формирование уравнений состояния для цепи с одним конденсатором (рис. 29.4). Согласно сказанному выше, эта цепь описывается уравнениями состояния лишь в случае, если оба нелинейных резистора управляются напряжением и имеют характеристики i1(u1) и i2(u2). |
Выбор нормального дерева здесь однозначен, и уравнение первого закона Кирхгофа для главного сечения, включающего конденсатор и нелинейные резисторы, записывают в виде:
dq/dt = CД duC/dt = i1- i2.
Для главных контуров резистивных связей получим по второму закону:
u2 = uC; u1 = e0 - uC.
Линейность этих уравнений позволяет исключить избыточные переменные i1 и i2 и свести систему к одному уравнению относительно переменной состояния uC:
.
Здесь использовано то же символическое изображении функциональной зависимости i°(u), что и в п. 28. 2.
Рассмотрим далее формирование уравнений состояния нелинейного колебательного контура, находящегося под действием источника ЭДС (рис. 29.5). Так как резистивный элемент контура включен последовательно (образует сечение) с индуктивностью, уравнения состояния можно составить лишь в случае, если характеристика резистора управляется током и имеет вид uR(i). Пусть характеристики элементов заданы в виде i(Ψ) — для катушки, q(uC) — для конденсатора. Примем в качестве переменных состояния Ψ и uC. Выбор нормального дерева здесь однозначен: оно включает элементы e0, C и резистор.
|
Рис. 29.5 |
Для главного сечения, включающего емкость, запишем dq/dt = CД duC/dt = i(Ψ). Главный контур дает единственное уравнение второго закона Кирхгофа dΨ/dt = e0 – uR(i) – uC. Перепишем оба уравнения в нормальной форме:
Таким образом, нам и в этом случае удалось правые части уравнений состояния f1 и f2 представить в виде, разрешенном относительно переменных состояния. |
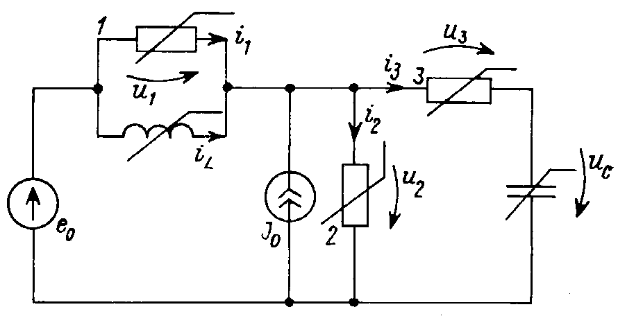
Однако, такая возможность существует не всегда. Покажем это на примере более сложной цепи, включающей нелинейные катушку и конденсатор и три резистивных элемента (рис. 29.6). Описать цепь с помощью переменных состояния iL (или Ψ) и uC (или q) можно при отсутствии особых контуров и сечений. Наличие контуров, включающих источник ЭДС, конденсатор и замыкающиеся через резисторы 1, 2; 2, 3 или 1, 3, показывает, что в цепи, описываемой уравнениями состояния, лишь один из резисторов может иметь характеристику, управляемую током. Так как элементы L, J0 и все три резистора образуют сечение, то для искомого описания цепи необходимо, чтобы хотя бы один резистор управлялся током. Таким образом, рассматриваемая цепь допускает описание с помощью уравнений состояния лишь в случаях, когда один из резисторов цепи управляется током, а остальные два — напряжением. Рассмотрим вариант, в котором характеристики резисторов заданы в виде i1(u1), u2(i2), i3(u3).
.
Рис. 29.6
При выборе в качестве ветвей дерева элементов e0, R2 и C (такой выбор не является однозначным) запишем для главных сечений по первому закону Кирхгофа:
;
.
Применив второй закон Кирхгофа к главным контурам, получим
;
;
.
В этой системе избыточными переменными являются токи и напряжения всех резистивных элементов i1, i2, i3, u1, u2, u3. Для их выражения через переменные состояния имеем три алгебраических уравнения составленной системы и три связи между переменными резистивных ветвей, выражающие их характеристики. Однако из-за их нелинейного характера исключить все избыточные переменные в этом случае не удается. Три линейных уравнения системы позволяют произвести исключение трех переменных, например, напряжений u1, u3 и тока i2, для которых имеем:
;
;
.
Это позволяет записать уравнения состояния цепи в нормальной форме:

правые части которых содержат избыточные переменные — ток i3 и напряжение u2. Они выражаются через вольтамперные характеристики резисторов, которые после исключения переменных u1, u3 и i2 принимают вид:
;
;
.
Их нелинейный характер и отсутствие явного представления для u2 не позволяют исключить эту переменную из правых частей уравнений состояния в общем случае. Поэтому задача расчета цепи сводится к интегрированию системы:
;
;
.
Последнее нелинейное уравнение однозначно определяет напряжение u2 и используется через его выражения через uC и iL. Однако, если эту процедуру можно реализовать лишь численно, то при интегрировании уравнений состояния ее приходится выполнять на каждом шаге при каждом вычислении правых частей дифференциальных уравнений. Это увеличивает трудоемкость решения нелинейной системы по сравнению с интегрированием линейных уравнений состояния.