28.2. УЗЛОВЫЕ УРАВНЕНИЯ НЕЛИНЕЙНЫХ РЕЗИСТИВНЫХ ЦЕПЕЙ
Использование в качестве базиса системы узловых напряжений, которые вводятся так же, как в линейной цепи, позволяет упростить процедуру формирования уравнений нелинейной цепи за счет сокращения числа переменных уже на этапе записи уравнений. Естественно, что такой подход применим лишь к цепям, включающим резисторы с характеристиками, управляемыми напряжением; он требует функционального представления всех характеристик в форме i(u). Разумеется, в нелинейной цепи мы не можем использовать понятия собственных и общих проводимостей, а узловые уравнения выражают лишь баланс токов в узлах и являются нелинейными. Таким образом, процедура формирования узловых уравнений нелинейной цепи сводится к следующему:
1) выбирают систему нумерации узлов (0, 1, 2...) и вводят соответствующие узловые напряжения
u10, u20,...;
2) составляют уравнения первого закона Кирхгофа
для всех узлов цепи, кроме опорного;
3) токи ветвей в записанных уравнениях выражают через узловые напряжения.
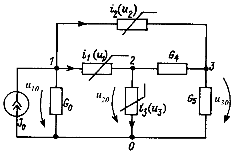
Проиллюстрируем сказанное на примере цепи, включающей три линейных и три нелинейных резистора, управляемых напряжением (рис. 28.3).

Рис. 28.3
Уравнения баланса токов в узлах 1 – 3 имеют вид:
i0 + i1 + i2 = J0; – i1 + i3 + i4 = 0; – i2 – i4 + i5 = 0.
Для напряжений на нелинейных ветвях имеем u1 = u10 – u20; u2 = u10 – u30; u3 = u20. Токи в линейных резистивных ветвях представляются через узловые напряжения следующим образом: i0 = G0u10; i4 = G4(u20 – u30); i5 = G5u30. Подстановка этих выражений в уравнения первого закона Кирхгофа приводит к узловым уравнениям.
Чтобы избежать неправильного понимания, используем в системе особое обозначение функциональной зависимости. Запись
обозначает функциональную зависимость тока
i1 от разности u10 – u20, выражаемую заданной характеристикой элемента
i1(u1). Например, если
,
то
:
,
,
.
Если в системе имеются уравнения, в которые отдельные узловые напряжения входят линейно, то последние можно исключить. Так, напряжение u30 входит линейно во второе уравнение, и его можно исключить и привести систему к двум уравнениям относительно u10 и u20.
Аналогично, нелинейную резистивную цепь, включающую лишь элементы, управляемые током, с характеристиками u(i), можно анализировать с помощью нелинейных контурных уравнений с неизвестными контурными токами.