18.3. ПРИМЕНЕНИЕ ДИСКРЕТНЫХ РЕЗИСТИВНЫХ СХЕМ ДЛЯ РАСЧЕТА ПЕРЕХОДНЫХ ПРОЦЕССОВ К плану данной лекции К плану следующей лекции К предыдущему вопросу

18.3. ПРИМЕНЕНИЕ ДИСКРЕТНЫХ РЕЗИСТИВНЫХ СХЕМ ДЛЯ РАСЧЕТА ПЕРЕХОДНЫХ ПРОЦЕССОВ

Как было установлено выше (п. 18.1), применение неявных схем численного интегрирования требует на каждом шаге интегрирования решения систем алгебраических уравнений относительно значений переменных состояния xk+1, достигаемых к концу рассматриваемого шага. Эта задача может быть решена как чисто математическими средствами, так и на основе применения известных методов расчета — методов узловых напряжений, контурных токов и других — к некоторой резистивной цепи, эквивалентирующей соотношения между переменными при переходном процессе.

Для использования второго пути дадим схемную интерпретацию алгебраических связей между токами и напряжениями на динамических элементах цепи — конденсаторе и катушке. Эти связи базируются на схемах неявных методов численного интегрирования, применяемых к дифференциальным соотношениям, выражающим компонентные уравнения этих элементов.

Рис. 18.2

Так, применение неявного метода Эйлера к соотношению du/dt = (1/C)i, выражающему связь тока и напряжения в конденсаторе (рис. 18.2, а), приводит на k-м шаге интегрирования к разностному соотношению uk+1 – uk = (h/C)ik+1 или

.

Первое слагаемое в правой части, выражающее пропорциональность между слагаемым тока и напряжением в конце рассматриваемого шага, может трактоваться как резистивный элемент с проводимостью G = C/h. Второе слагаемое, выражаемое через уже известное значение напряжения uk в конце предыдущего промежутка, моделируется в схеме замещения источником тока J = (C/h)uk. Оба слагаемых для тока алгебраически суммируются — в схеме замещения будем иметь параллельное соединение проводимости G и источника J. Знак “минус” в выражении для тока источника учитывается его направлением в схеме замещения, противоположным принятому положительному направлению тока (рис. 18.2, б).

Так же можно получить резистивную схему замещения конденсатора, отвечающую интегрированию с помощью метода трапеций. В этом случае дифференциальная связь между током и напряжением аппроксимируется разностным соотношением uk+1 – uk = (h/2C)(ik + ik+1), из которого для искомого тока ik+1 найдем выражение

Оба слагаемых правой части имеют тот же смысл, что и в схеме метода Эйлера, поэтому и метод трапеций приводит к схеме замещения, изображенной на рис. 18.2, в.

Аналогично получаются схемы замещения для катушки (рис. 18.3, а).

Рис. 18.3

Разностная аппроксимация соотношения di/dt = (1/L)u, базирующаяся на неявном методе Эйлера, имеет вид ik+1 – ik = (h/L)uk+1, откуда получим

Соответствующая схема приведена на рис. 18.3, б. Из формулы метода трапеций получим связь ik+1+1 – ik = (h/2L)(uk + uk+1), из которой следует

.

Этому соотношению отвечает схема, изображенная на рис. 18.3, в.

Рассматриваемый метод расчета переходного процесса применяют следующим образом. Сначала в соответствии с используемым методом неявного интегрирования все катушки и конденсаторы анализируемой цепи заменяют их дискретными моделями. Полученная в результате цепь является чисто резистивной. Далее осуществляется ее пошаговый расчет с использованием любого метода анализа резистивных цепей. На первом шаге в качестве ik и uk используют начальные значения, заданные для переменных состояния. На каждом последующем шаге параметры источников тока, входящих в схемы замещения динамических элементов, пересчитывают согласно соотношениям, соответствующим принятому методу интегрирования. При этом в качестве ik и uk берут значения, полученные на предыдущем шаге. Поэтому метод и носит название метода дискретных резистивных схем. Для расчета искомых значений ik+1 и uk+1 можно использовать любой метод анализа линейных резистивных цепей. 

Таким образом, применение дискретных резистивных схем, составляемых непосредственно по схеме анализируемой цепи, не требует составления уравнений состояния. Большой объем вычислений при многократном пересчете параметров источников и применение однотипной процедуры расчета резистивной цепи ориентируют этот метод на применение вычислительной техники.

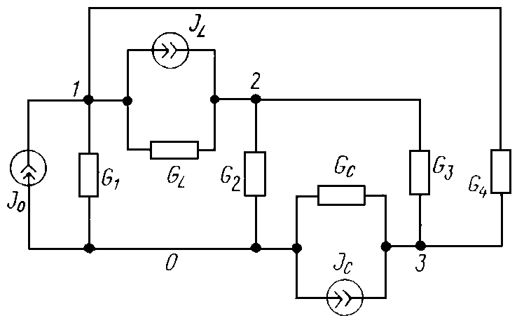
Пример. Дискретная резистивная схема, отвечающая цепи, изображенной на рис. 16.4, показана на рис. 18.4.

Рис. 18.4

При использовании неявного метода Эйлера имеем: GL = h/L; JL = iLkGC = C/h; JC = CuCk/h. Для расчета используем метод узловых напряжений. При указанной на рис. 18.4 нумерации узлов получаем:

; ; ;

; ; ;

; ; .

Расчет заключается в решении системы узловых уравнений на каждом шаге процесса, по результатам которого находят значения и , которые используют в качестве исходных данных для расчета на следующем шаге. В начале расчета (k = 0) в качестве iL0 и uC0 применяют начальные условия iL(0) и uC(0).

Конец 18-й лекции

Обратно к плану данной лекции
Перейти к задаче по теме данной лекции
Дальше к плану следующей лекции