16.3. ФОРМИРОВАНИЕ УРАВНЕНИЙ СОСТОЯНИЯ С ПОМОЩЬЮ ЭКВИВАЛЕНТНЫХ ИСТОЧНИКОВ
Система уравнений состояния представляет собой совокупность производных по времени от переменных состояния рассматриваемой цепи, выраженных как функции переменных состояния. Отдельные уравнения системы можно записать в следующей форме:
;
.
Отсюда следует, что для формирования уравнений состояния необходимо выразить напряжения на катушках и токи конденсаторов через переменные состояния, т. е. получить зависимости uL(iL, uC) и iC(iL, uC).
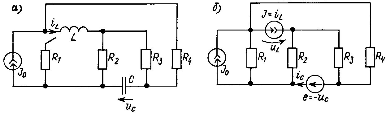
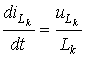
При нахождении этих зависимостей в цепи без особых контуров и сечений будем рассматривать переменные состояния как заданные величины. Это равносильно замене индуктивностей цепи на независимые источники тока J = iL, а емкостей на источники ЭДС e = – uC. Направление действия вводимых эквивалентных источников, указываемое на их изображениях стрелками, соответствует принятым положительным направлениям токов в элементах исходной цепи (рис. 16.3).

Рис. 16.3
В результате такой замены получают чисто резистивную цепь, в которой для нахождения искомых напряжений uL и токов iC можно применять все известные методы и принципы расчета резистивных цепей (методы контурных токов и узловых напряжений, принцип наложения и др.).
Используем эквивалентные источники для составления уравнений состояния цепи, изображенной на рис. 16.4, а.

Рис. 16.4
При замене динамических элементов эквивалентными источниками получаем резистивную цепь, изображенную на рис. 16.4, б. Направления источников соответствуют исходно принятым направлениям отсчета токов iL и напряжений uC, указанным на рис. 16.4, а. В этом же направлении отсчитывают напряжения uL и токи iC. В рассматриваемой схеме надо выразить напряжение uL и ток конденсатора iC через параметры ее элементов. Простая структура цепи позволяет воспользоваться принципом наложения, при котором, напомним, воздействие отдельных источников на всю цепь анализируют при исключении остальных источников:

Анализ отдельных частных режимов работы этой цепи приводит к очень простым результатам. Так, при действии источника
J = iL резисторы R2 и
R3 соединены параллельно, так же, как и пара
R1, R4, а между собой эти две пары резисторов включены последовательно. При действии только ЭДС
e = – uC имеем последовательно включенные
R2 и R3 и параллельно с ними последовательное соединение
R1 и R4. Ток источника
разветвляется между параллельно включенными R1 и
R4, а R2 и R3 в этом частном режиме закорочены. Для приведения полученной системы к нормальному виду уравнений состояния достаточно разделить оба уравнения на
L и C.