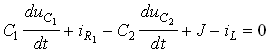
16.2. ФОРМИРОВАНИЕ УРАВНЕНИЙ СОСТОЯНИЯ НА ОСНОВЕ УРАВНЕНИИ КИРХГОФА
Как уже указывалось, составление уравнений состояния базируется на использовании уравнений Кирхгофа и компонентных уравнений рассматриваемой цепи. В первоначальном виде эти уравнения содержат избыточные переменные токи и напряжения резистивных элементов. Для получения нормальной формы уравнений необходимо, чтобы в каждое из них входил только один член с производной от переменной состояния. Это означает, что контуры, для которых составляют уравнения Кирхгофа, должны содержать не более одной катушки, а сечения только один конденсатор. Для этого дерево цепи выбирают таким образом, чтобы оно включало в себя все конденсаторы и источники ЭДС и не содержало ни одной катушки и источника тока. Такое дерево называется нормальным деревом. Нетрудно понять, что в цепи, не содержащей Ce-контуров и LJ-сечений, всегда можно выбрать нормальное дерево. Однако выбор этот не является однозначным, так как помимо перечисленных элементов в него могут входить и резистивные элементы. На конкретный способ их включения в состав дерева никаких ограничений не накладывается.
Уравнения первого закона Кирхгофа, составленные для главных сечений нормального дерева, включают не более одной производной от uC, так как в каждом таком сечении имеется не более одного конденсатора. Аналогично уравнения второго закона Кирхгофа, составленные для главных контуров нормального дерева, содержат не более одной производной, так как главный контур включает не более одной катушки. Часть составленных уравнений не будет содержать членов с производными это уравнения для резистивных ветвей дерева и резистивных связей. Они используются для исключения напряжений резистивных ветвей дерева uR и токов резистивных связей iR, после которого вся система приводится к нормальной форме дифференциальных уравнений к уравнениям состояния.
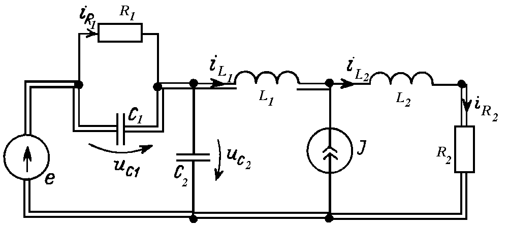
Пример. Составим уравнения состояния для схемы, приведенной на рис. 16.1.

Рис. 16.1
Нормальное дерево должно включать конденсаторы C1 и C2, источник e0; выбор остальных резистивных ветвей дерева произволен. Включим в дерево ветви R0, R4 и R6. Заметим, что при формировании уравнений состояния удобнее все элементы цепи рассматривать как отдельные ветви. Выбранные направления токов в ветвях и ветви дерева отмечены на схеме. Записываем уравнения:
|
первого закона Кирхгофа для главных сечений дерева |
второго закона Кирхгофа для главных контуров |
||||
|
|
||||
|
|
||||
|
|
||||
|
|
||||
|
Полученная система содержит девять неизвестных, из которых лишь три (
,
и iL) являются переменными состояния. Для исключения токов и напряжений резистивных ветвей
следует использовать уравнения системы (3) – (7) и (9), не содержащие производных.
Громоздкость этой процедуры, которую мы не будем
выполнять, свидетельствует о невысокой
эффективности метода, базирующегося непосредственно
на записи уравнений Кирхгофа. Как и при
решении других задач расчета цепей, объем
промежуточных вычислений можно сократить,
применяя методы более высокого уровня,
такие как методы узловых напряжений или
контурных токов.
Изложенная процедура несколько видоизменяется для цепей, содержащих особенности в виде LJ-сечений и Ce-контуров: наличие LJ-сечений требует включения в дерево одной из катушек каждого такого сечения, и соответственно каждый Ce-контур требует включения одного из конденсаторов этого контура в дополнение дерева.
При указанном выборе дерева цепи уравнения первого закона Кирхгофа, составленные для главных сечений, включающих катушки и источники тока особого сечения, являются алгебраическими и используются для исключения токов катушек дерева. Аналогично и алгебраические уравнения главных контуров особого Ce-контура служат для исключения напряжений конденсаторов, включенных в дополнение дерева. Указанные избыточные переменные исключаются из остальных уравнений наряду с напряжениями резистивных ветвей дерева и токами резистивных связей, что приводит к нормальной системе дифференциальных уравнений относительно напряжений конденсаторов ветвей дерева и токов катушек, относящихся к связям. В результате получаем систему уравнений состояния, число которых меньше общего числа LC-элементов цепи на количество особых контуров и сечений.
Пример. Цепь, изображенная на рис. 16.2, включает два конденсатора, входящие в контур eC1C2, и две катушки, образующие сечение с источником тока J.

Рис. 16.2
Включим в дерево элементы цепи e,
C1, L1 и R2, а R1,
C2, J и L2 отнесем к связям. Такой выбор приводит к системе двух уравнений состояния относительно
и
, а переменные
и
подлежат исключению
из системы, составленной для главных
сечений и контуров.
При выбранном дереве и указанных на рис. 16.2 направлениях отсчета токов и напряжений для главных сечений и контуров получим на основе уравнений Кирхгофа систему шести уравнений с неизвестными
,
,
,
,
,
:
|
|
|
|
|
|
|
|
|
Алгебраические уравнения системы используются для исключения из первого и последнего уравнений избыточных переменных
,
,
и
. В результате приходим к двум уравнениям:
;
.
Характерным для уравнений состояния цепей с Ce-контурами и LJ-сечениями является присутствие в правых частях уравнений производных по времени от ЭДС и токов независимых источников.