13.8. ФИЛЬТРЫ ДРУГИХ ТИПОВ. МЕТОД ПРЕОБРАЗОВАНИЯ ЧАСТОТЫ
Мы подробно рассматривали
свойства, схемы и методы расчета фильтров нижних частот,
практически не касаясь вопросов расчета
других типов фильтров. Это связано с
аналогией их свойств. Так, схемы фильтров верхних частот должны обладать частотными свойствами, противоположными свойствам схем ФНЧ. Переход от одного типа фильтра к другому можно осуществить с помощью преобразования частотной переменной
jw, которое переводит область нижних частот переменной
w' в область верхних частот w, и наоборот. При одинаковой частоте среза обоих фильтров, равной
wc, такое преобразование осуществляется с помощью функции
jw =
/jw', или w = –
/w'.
В результате индуктивности исходного фильтра-прототипа L' преобразуются в емкости
C = 1/
L' и наоборот, емкости
C' переходят в индуктивности L = 1/
L'. Резистивные элементы
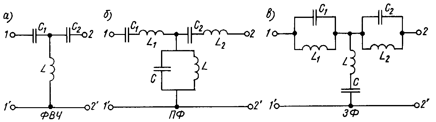
схемы сохраняются. Такое преобразование прототипа 3-го порядка (рис. 13.7) приводит к схеме ФВЧ, изображенной на рис. 13.16, а.
Тем же преобразованием определяют и
пересчет частотных характеристик фильтра.
Это позволяет все данные, полученные для
фильтров-прототипов нижних частот,
использовать для анализа фильтров нижних
частот.

Рис. 13.16
Переход от ФНЧ к полосовому фильтру (ПФ) производится с помощью преобразования частоты
jw' = jwa + b/jw
или w' = aw – b/w. Выбор параметров
a и b позволяет обеспечить желаемую полосу пропускания искомого полосового фильтра, ограниченную частотами среза
wс1 и
wс2.
Например, если частоте среза фильтра-прототипа
w'с отвечает значение wс2,
а частоте w' = 0
значение w = w0
=
,
то для определения постоянных a и b получим
уравнения: w'с = awс2 – b/wс2,
0 = aw0 – b/w0,
откуда a =w'с/(Dw),
b = aw20, где Dw
= wс1 –
wс2
ширина полосы пропускания
полосового фильтра. Это позволяет записать
функцию преобразования в виде w' =
w'с(w-w20)/(Dw).
Частоте среза wс1при
этом отвечает отрицательное значение –w'с фильтра-прототипа.
Веденное частотное преобразование переводит каждую индуктивность фильтра-прототипа
L' в последовательно соединенные индуктивность L = L'(w'с/Dw) и емкость C = Dw/(w'сwс1wс2L'), и соответственно
каждую емкость фильтра-прототипа C' в параллельное соединение емкости
C = C'(w'с/Dw)
и индуктивности L = Dw/(w'сwс1wс2C').
С помощью замены переменных w'
® w осуществляется и пересчет частотных характеристик. В результате Т-образное звено ФНЧ-прототипа (рис. 13.7) преобразуется в звено 6-го порядка, изображенное на рис. 13.16, б.

Рис. 13.17
Аналогично осуществляется переход от НЧ-прототипа к заграждающему фильтру. Здесь используем преобразование частоты w' = w Dw/(
– w2),
где Dw = wз2 – wз1
ширина полосы задерживания;
= wз1wз2.
Так как это преобразование дуально по отношению к преобразованию перехода к полосовому фильтру, то и преобразование элементов прототипа подчиняется принципу дуальности: индуктивности прототипа
L' переходят в параллельные колебательные контуры, а емкости
в последовательные LC-контуры. Результат такого преобразования НЧ-прототипа приводит к схеме звена заграждающего фильтра ЗФ рис. 13.16, в.
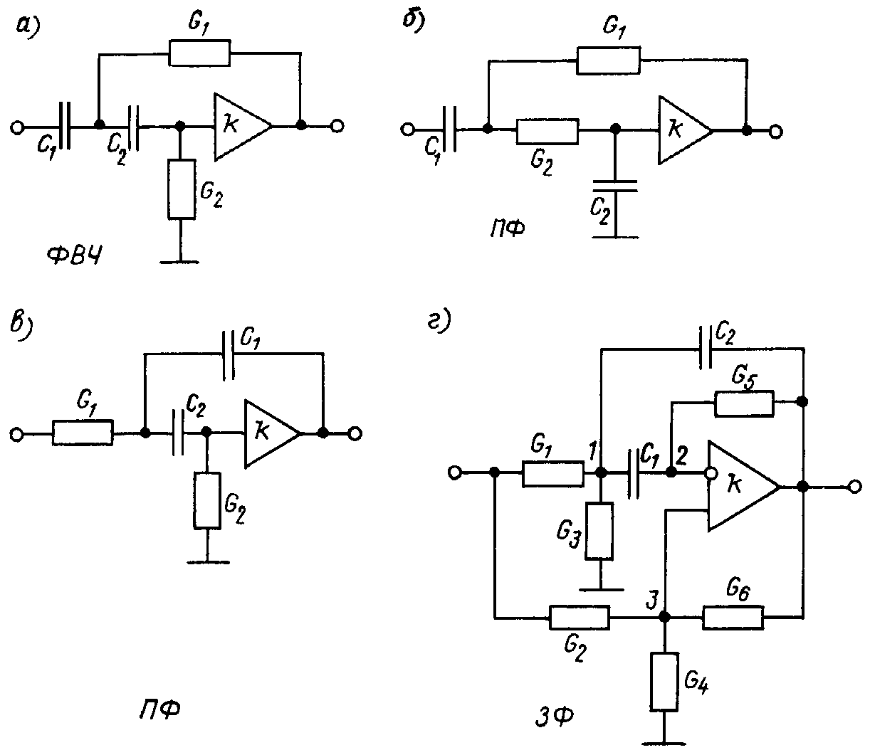
Переход от НЧ-прототипа активного звена (рис. 13.15) к ФВЧ, осуществляемый взаимной заменой резисторов и конденсаторов, приводит к схеме рис. 13.17, а. Для реализации полосового звена (ПФ) в схеме фильтра-прототипа НЧ должна быть выполнена взаимная перестановка резистора и конденсатора (рис. 13.17, б,в).
Активное звено заграждающего фильтра 2-го порядка должно иметь более сложную структуру и соответственно большее число элементов, чем рассмотренные схемы, так как ее передаточная функция в общем виде

содержит в числителе члены, имеющие различный характер частотной зависимости. Одна из распространенных схем звена 2-го порядка заграждающего фильтра ЗФ изображена на рис. 13.17, г. Подбор параметров пассивной части звена позволяет обеспечить необходимый характер его передаточной функции.