Существует два вида входа вольтметра:
-
открытый – вольтметр реагирует на весь сигнал U(t) (и постоянную и переменную составляющую);
-
закрытый - вольтметр реагирует только на переменную составляющую сигнала


Градуировка электронных вольтметров.
№
п/п |
Тип
преобразователя |
Вольтметр реагирует на значение напряжения сигнала произвольной формы |
Наиболее часто встречающаяся градуировка |
Градуировочный коэффициент |
1 |
Среднеквадратических значений |
Среднеквадратическое |
В среднеквадратических
значениях гармонического
(синусоидального) сигнала
|
1 |
2 |
Средневыпрямленных значений |
Средневыпрямленное |
 |
3 |
пиковый |
Пиковое |
 |
4 |
В пиковых значениях |
1 |
UV1 = Cгр1 ×
U; 2. UV2 = Cгр2 ×
Uср; 3. UV3 = Cгр3 ×
Um 4. UV4 = Cгр4 ×
Um
Для того, чтобы определить что же показывает вольтметр необходимо знать:
- вид градуировки;
- вид входа;
- тип преобразователя;
Методическая погрешность
при измерении напряжения вольтметром
Эквивалентная схема

Zi – внутреннее сопротивление источника сигнала;
Zv – входное сопротивление вольтметра.
У идеального вольтметра Zv ®
¥
В этом случае показание вольтметра равно ЭДС источника.
Реальный вольтметр показывает падение напряжения на сопротивлении Zv

отсюда можно найти методическую погрешность измерения напряжения:
D
E = U
v -
E
методическая погрешность может быть как положительной так и отрицательной, т.к. Zi может носить индуктивный характер, а Zv – емкостной, то на высокой частоте возможен резонанс и тогда Uv > Е.
относительная погрешность:

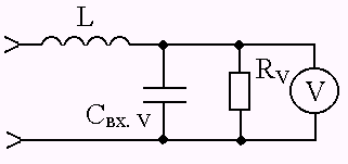
Входные параметры вольтметра.
Рассмотрим эквивалентную схему входной цепи вольтметра.

Свх – емкость входной цепи;
R
v – резистивная составляющая входного сопротивления;
L
вх – индуктивность входной цепи.
Входное сопротивление вольтметра указывают без учета емкости проводников.
Цель пробника на вольтметре: уменьшение Свх
У рядовых вольтметров Свх=20-100пФ, с пробником- единицы пФ
При Свх=20 пФ на частоте 50 МГц емкостная составляющая входного сопротивления вольтметра составит

Отсюда видно, что реактивные элементы входной цепи могут вносить очень большую методическую погрешность измерения.