12.2.
КАК НАСТРОИТЬ АНТЕННУ
Среди антенн, в том числе и
заводского изготовления, практически нет не требующих уточняющей настройки
"по месту". Настоящий раздел посвящен радиолюбительским приборам, с
помощью которых можно настроить антенну на диапазон рабочих частот и
согласовать ее с приемо-передающей аппаратурой.
Виноградов Ю. КСВ-метр с
согласующим устройством. Радио, 1996, 11, с. XIV-XV.
На рис. 12.39 приведена
принципиальная схема прибора, включающего в себя КСВ-метр, с помощью которого
можно настроить Си-Би антенну, и согласующее устройство, позволяющее привести
сопротивление настроенной антенны к Ra = 50 Ом.
Элементы КСВ-метра: Т1 -
трансформатор антенного тока, намотанный на ферритовом кольце М50ВЧ2-24 12х5х4
мм. Его обмотка I - продетый в кольцо

проводник с антенным током,
обмотка II - 20 витков провода в пластиковой изоляции, ее наматывают равномерно
по всему кольцу. Конденсаторы С1 и С2 - типа КПК-МН, SA1 - любой тумблер, РА1 -
микроамперметр на 100 мкА, например, М4248.
Элементы согласующего устройства:
катушка L1 - 12 витков ПЭВ-2 0,8, внутренний диаметр - 6, длина - 18 мм.
Конденсатор С7 - типа КПК-МН, С8 -любой керамический или слюдяной, рабочее
напряжение не менее 50 В (для передатчиков мощностью не более 10 вт).
Переключатель SA2 - ПГ2-5-12П1НВ.
Устройство монтируют,
минимизируя паразитные индуктивности и емкости ВЧ проводников.
Для настройки КСВ-метра его
выход отключают от согласующего контура (в т. А) и соединяют с 50-омным
резистором (два параллельно включенных резистора МЛТ-2 100 Ом), а ко входу
подключают Си-Би радиостанцию, работающую на передачу. В режиме измерения
прямой волны - в указанном на рис. 12.39 положении SA1 - прибор должен показать
70...100 мкА. (Это для передатчика мощностью 4 Вт. Если он мощнее , то
"100" на шкале РА1 выставляют иначе: подбором резистора, шунтирующего
РА1 при закороченном резисторе R5.)
Переключив SA1 в другое
положение (контроль отраженной волны), регулировкой С2 добиваются нулевых
показаний РА1.
Затем вход и выход
КСВ-метра меняют местами (КСВ-метр симметричен) и эту процедуру повторяют,
устанавливая в "нулевое" положение С1.
На этом настройку КСВ-метра
заканчивают, его выход подключают к седьмому витку катушки L1.
КСВ антенного тракта
определяют по формуле: КСВ=(А1+А2)/(А1-А2), где А1 - показания РА1 в режиме
измерения прямой волны, а А2 - обратной. Хотя вернее было бы говорить здесь не
о КСВ, как таковом, а о величине и характере антенного импеданса, приведенного
к антенному разъему станции, о его отличии от активного Ra = 50 Ом.
Антенный тракт будет
настроен, если изменениями длины вибратора, противовесов, иногда - длины
фидера, индуктивности удлиняющей катушки (если она есть) и др. будет получен
минимально возможный КСВ.
Некоторая неточность настройки
антенны может быть компенсирована расстройкой контура L1C7C8. Это можно сделать
конденсатором С7 или изменением индуктивности контура - например, введением в
L1 небольшого карбонильного сердечника.
Как показывает опыт
настройки и согласования Си-Би антенн самых разных конфигураций и размеров
(0,1...3L), под контролем и с помощью этого прибора нетрудно получить КСВ =
1... 1,2 в любом участке этого диапазона.
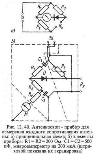
Ротхаммель К. Антенны.
"Бояныч",
С-П., 1998, с. 567-570. Антенноскоп предназначен для измерения входного
сопротивления антенно-фидерного тракта. Он представляет собой высокочастотный
мост, в одно плечо которого включают исследуемый двухполюсник, а в другое -
переменный безиндукционный резистор (рис. 12.40). Если сопротивление
двухполюсника активно и равно Rx, то мост будет полностью сбалансирован при R3
= Rx и величина Rx может быть считана со шкалы проградуированного в омах
резистора R3.
Номиналы резисторов R1=R2
(точность 1%) могут быть и другими, например, 150 или 240 Ом Нужную пару
подбирают из 10- или 20%-ных резисторов по цифровому омметру.
Элементы антенноскопа разме
щают в трех экранированных отсеках (экран показан штриховой). Все они должны
иметь минимальную емкость (собственную и по отношению к экра ну) и
индуктивность. Резистор R3=470 Ом устанавливают на опо рах-изоляторах. Его ось
вводят в удлинитель, изготовленный из доста точно прочного диэлектрика, напри
мер, стеклотекстолита, на конце кото рого крепят ручку-указатель.
Градуируют резистор R3 по
циф ровому омметру. На его шкале реко мендуется отметить точки "50" и
"75" - волновое сопротивление коаксиаль ных кабелей, с которыми
обычно имеют дело. Если измерения предпо лагают вести лишь в низкоомных цепях,
то сопротивление резистора R3 можно уменьшить до 100... 150 Ом. Это увеличит точность
отсчета.
Микроамперметр М - типа
М4248. Или какой-либо другой с током полного отклонения 50...200 мкА.
Антенноскоп питается от ВЧ
генератора мощностью ~ 0,2 Вт. Это может
быть генератор стандартных
сигналов, гетеродинный индикатор резонанса (ГИР) или радиостанция, работающая в
режиме пониженной мощности. Диапазон частот - до 150...250 МГц.
Если антенноскоп не удается
сбалансировать "под нуль", это значит, что в контролируемой цепи есть
реактивная составляющая, т.е. - антенна расстроена. В таком случае, изменяя
частоту ВЧ генератора, ищут ее действительный резонанс. Затем тем или иным
способом (удлинением-укорочением вибратора, противовесов и др.) антенну
приводят в диапазон рабочих частот. И лишь тогда измеряют ее входное
сопротивление. Если оно отличается от принятого в связной технике стандарта
(обычно - 50 Ом), его приводят к этому нормативу тем или иным согласующим
устройством - широкополосным трасформатором, П-контуром и др.
Настройку и согласование
антенны ведут, как правило, методом последовательных приближений: после
настройки и согласования уточняют настройку и согласование и так до точной
настройки антенны в диапазон с достижением равных и возможно меньших значений
КСВ на его краях.
Виноградов Ю. Проект
"Незабудка". Радио, 1997, 10, с. 6-7. Описанный здесь микромощный Си-Би передатчик
после перевода его в

режим непрерывного
излучения (рис. 12.41) может стать довольно удобным инструментом для сквозной
настройки антенно-фидерного тракта (а при желании - и ВЧ каскадов приемника) и
оценки "фигуры излучения" антенны - ее чувствительности к сигналам,
приходящим с разных направлений.
Частоту кварцевого
резонатора ZQ1 выбирают в середине диапазона рабочих частот. Важно, чтобы это
была частота основного его резонанса (на корпусе такого резонатора частота
будет указана в "кГц", на гармониковом - в "МГц").
Излучателем
микропередатчика, его "магнитной" антенной, является дроссель L1 -
30...50 витков провода ПЭВШО 0,25...0,4, намотанные виток к витку или с шагом
на пластине стеклотекстолита 40х10х2 мм. Если "дальнобойность"
передатчика окажется недостаточной, дроссель можно намотать на пластине
большего размера или подключить к коллектору транзистора VT1
15...30-сантиметровый отрезок монтажного провода.
Передатчик может работать и
с гармониковым кварцем. Но в этом случае дроссель потребуется заменить
настроенным на середину частотного диапазона колебательным контуром. Его
включают автотрасфороматорно (1/2...1/4 по виткам катушки) в коллекторную цепь
транзистора.
Для сохранения с
настраиваемой антенной лишь "эфирной" связи, микропередатчик нужно
отнести от нее не менее, чем на 10...15 длин волн.
1. Виноградов Ю.
Антенный аттенюатор.
Радио, 11, 1997, с. 80.
2. Рэд Э. Справочное
пособие по высокочастотной схемотехнике. - "Мир", М.,1990, с. 229.
При наладке
антенно-фидерного тракта нередко возникает необходимость внести в него
дозированное ослабление сигнала. Принципиальная схема высокочастотного
аттенюатора, которым можно выставить любое ослабление в пределах 1...47 дб с
шагом 1 дб, показана на рис. 12.42. Его входное и выходное сопротивление -
50 Ом, диапазон рабочих частот - О...30 МГц.


Аттенюатор монтируют на
полоске одностороннего фольгированного стеклотекстолита. Со стороны фольги устанавливают
в ряд шесть сдвоенных тумблеров типа П2Т-1-18. Резисторы отбирают с помощью
цифрового омметра. Монтаж навесной - выводы резисторов укорачивают до 3...4 мм
и подпаивают непосредственно к выводам тумблеров и к фольге.
Аттенюатор можно поместить
в металлическую коробку-экран или накрыть согнутой по месту жестяной накладкой.
Хотя металлические "щеки" тумблеров выполняют здесь и функции
межсекционных экранов, их, при необходимости, можно усилить, уложив между
тумблерами зигзагообразную полоску из жести.
Конечно, ослабление,
вносимое каждой Т-секцией (рис. 12.42, б), может быть и другим. Руководствуясь
таблицей 12.3 [2], можно выбрать нужные для этого резисторы. Но не следует
стремиться к большому ослаблению в одной секции - влияние паразитных емкостей
может повести к потере заявленной точности.
С. Румянцев.
Коаксиальный элемент нагрузки. Радио, 1983, 3, с. 17.
При настройке
радиопередающей аппаратуры вместо антенны используют, как правило, антенный
эквивалент - резистор, активное сопротивление
Таблица 12.3

которого равно активному
сопротивлению антенно-фидерного тракта -обычно 50 Ом, а реактивное сведено к
пренебрежимо малой величине.
Антенный эквивалент можно
изготовить самому, составив его из резисторов типа МЛТ-2 100 Ом. Например, в
виде трех последовательно включенных секций, каждая из которых состоит из шести
параллельно
включенных резисторов.
Общее сопротивления такого эквивалента составит Ra=R 3/6= 100 3/6 =50 Ом.
Рассеиваемая им мощность достигает номинальных 2 18=36 Вт лишь при принудительной
вентиляции - плотный монтаж и экранировка резисторов заметно ухудшают их
теплоотдачу.
Выполненный в виде
коаксиальной конструкции, антенный эквивалент может работать на частотах до 600
Мгц (КСВ <= 1,2).
В качестве антенного
эквивалента мощностью до 50 Вт, способного работать в полосе частот до 4 ГГц,
можно использовать резистор типа Р 1-3-50.
Для относительно низких
частот антенный эквивалент может быть выполнен планарно, например, на пластине
фольгированного стеклотекстолита. Другими в нем могут быть число секций, число
резистров в секции, сопротивление каждого резистора. Но при соблюдении
обязательного условия: проводящий слой резистора, входящего в эквивалент, не
должен иметь вид спирали. Такой резистор внесет в общее сопротивление
индуктивную составляющую и может ухудшить КСВ эквивалента до совершенно
неприемлемой величины.
В Си-Би в планарной технике
могут быть выполнены не только антенные эквиваленты, но и 600...800-омные
антенные нагрузки - те же "поглотители обратных лепестков" в антеннах
бегущей волны (см. рис. 12.2).
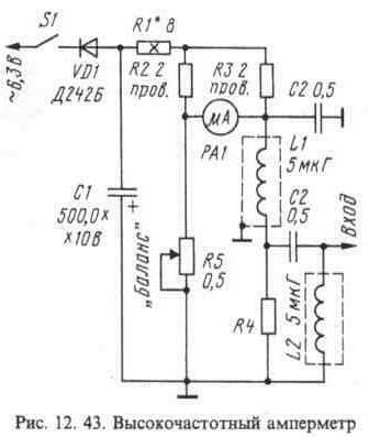
Мешковец А.
Высокочастотный амперметр. Радио, 1980, 5, с. 23. На рис. 12.43 приведена принципиальная схема
амперметра для измерения токов высокой частоты. В его основе мост, измеряющий
элемент которого -терморезистор R4 - изменяет свое сопротивление под действием
тока высокой частоты. Степень разбалансировки моста, показанная включенным в
его диагональ микроамперметром РА1, позволяет оценить величину этого тока.
Терморезистор R4
представляет собой железную проволоку диаметром 0,15 мм и длиной ~ 5 см,
натянутую по центру стеклянной трубки - так, как это делают в плавких
предохранителях.

Если измеряемый ток может
содержать постоянную составляющую, вход амперметра шунтируют дросселем L2.
РА1 - микроамперметр с
током полного отклонения 100 мкА и сопротивлением рамки 1 кОм. При
использовании другого прибора потребуется подобрать резистор R2.
Если последовательно с
амперметром (между ним и "землей") включить резистор сопротивлением
0,1 Ом с пренебрежимо малой реактивной составляющей, то его можно
проградуировать по осциллографу, имеющему достаточную полосу пропускания и
калиброванную шкалу.

Амперметр способен измерять токи до 1 А в полосе частот
2...30 Мгц.
Резонансные системы из
коаксиального кабеля.
Радио, 1981 5-6, с.25.
Высокодобротный контур,
подключенный к антенному входу радиоприемника, способен существенно ослабить
воздействие на него мощных радиостанций, работающих на близких частотах,
снизить и даже полностью устранить интермодуляционные помехи.
Такой контур можно изготовить
из двух отрезков коаксиального кабеля. Их включение и эквивалентная схема
такого преселектора показаны на рис. 12.44. Добротность Q контура, выполненного
из коаксиального кабеля типа РК-50-2-11, составит: на частоте 144 МГц -150, на
частоте 432 МГц - около 400.
Подстроечные конденсаторы
С1 и С2 - типа КПК-МН; их емкость на частоте 144 МГц - 5...25 пФ, на частоте
432 МГц - 2...7 пФ.
Суммарная длина кабеля,
имеющего сплошную полиэтиленовую изоляцию, должна быть:

Измерители напряженности поля. KB журнал, 1996, 3, с. 31.
Безразмерная, индикаторная оценка напряженности поля, создаваемого излучателем,
дает возможность настроить и согласовать ВЧ тракт передающего устройства,
выбрать лучшую линию передачи, выяснить способность антенны концентрировать
излучение в нужном направлении и многое другое.

Принципиальная схема
индикатора напряженности поля с диапазонной селекцией сигналов показана на рис.
12.45.
Катушки индуктивности
индикатора наматывают проводом ПЭВ-2 диаметром 0,2 мм на каркасах диаметром 5
мм, имеющих отверстия с резьбой под подстроенные сердечники из карбонильного
железа или высокочастотного феррита (n=100). Их данные для различных частотных
диапазонов приведены в таблице 12.4.
Транзистор VT1 - практически любой не слишком низкочастотный
n-р-n-транзистор. Если это будет кремниевый транзистор, например, КТ325,
КТ3102,
Таблица 12.4

КТ315 (буквы любые) и др.,
то сопротивление резистора R2 следует уменьшить до ~150 кОм. Чувствительность
индикатора увеличивается с увеличением ¦h21э¦ транзистора.
Диод VD1 - обязательно
германиевый - Д9Б, Д20 и др.
Дроссель L11 - типа Д0,1 и
др. индуктивностью 100...200 мкГн.
Антенна - штырь длиной 1 м.
Настройку индикатора на
середину каждого частотного диапазона (их может быть и меньше) производят в
режиме максимальной его чувствительности (движок R1 - в крайнем правом
положении, R6 - в верхнем).