11.8
НАСТРОЙКА АНТЕНН И ИЗМЕРЕНИЯ.
После постройки антенны
необходимо определить ее согласование с фидерной линией. В начале раздела
говорилось о том, что фидерная линия должна иметь минимальные потери. Надо
стремиться, чтобы вся мощность передатчика без потерь в фидерной линии
передавалась антенне. Степень согласования антенны и фидера выражается
коэффициентом стоячей волны -КСВ. Следует стремиться, чтобы КСВ на одном из
участков диапазона был равен 1. Практически в большинстве случаев КСВ= 1,01....1,5.
При КСВ = 1,5 потери составляют 5% мощности передатчика, а при КСВ = 2 - 10%.
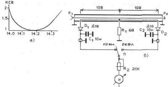
При снятии характеристики согласования в пределах одного диапазона она может
иметь вид рис.11.28,а. Для измерения КСВ, радиолюбители большей частью
пользуются самодельными измерительными приборами.
Один из таких приборов
несложно изготовить из отрезка коаксиального кабеля того же типа, что и
фидерная линия. С кабеля длиной 260 мм снимается верхняя изоляция. Под
экранирующей оплеткой продергивается провод с шелковой изоляцией ПЭЛШО 0,15 мм
на длине 216 мм с отводом от середины ( см. рис. 11.28,6.). Провод на всей
длине должен быть изолирован от экранной оплетки. Размер двух отрезков провода
по 108 мм должен быть строго выдержан. От этой длины и симметричности зависит
точность показания прибора и величина трансформируемого напряжения.
Гальваноментр может быть на ток 60-100 мкА. Разъемы Kl K2 - коаксиального типа.
Сопротивление резистора R1 подбирается при настройке прибора. Для проверки
прибора после изготовления необходимо создать эквивалент нагрузки. Например,
соединить параллельно 20 штук резисторов МЛТ 2 Вт сопротивлением по 1500 Ом.
Полученный эквивалент будет иметь сопротивление 75 Ом мощностью 40 Вт. Этого
вполне достаточно, чтобы кратковременно рассеять мощность 100 Вт. Подключить
эквивалент нагрузки к K2, а к Kl подключить передатчик и произвести измерение
КСВ. При правильно подобранном резисторе R1 получим КСВ, равный 1.Показания
прибора КСВ-метра следует подставить в формулу:

Рис. 11.28 КСВ- метр.

Предположим, что прибор
имеет шкалу с 10 делениями. Поставив переключатель в позицию "прямая"
и подав на вход измерителя КСВ некоторую мощность передатчика, потенциометром
R2 добиваются того, чтобы стрелка прибора остановилась на цифре 10. Затем
переключатель устанавливают в позицию "рефл." и смотрят показания
прибора (к примеру 2), тогда:
![]()
Для снятия характеристики
согласования по диапазону, измерения проводят на нескольких частотах этого
диапазона.
Настройку антенны по
отношению излучения вперед-назад рассмотрим на примере антенны "двойной
квадрат".Это можно осуществить с помощью самодельного резонансного
индикатора поля рис. 11.27,д. Прибор смонтирован в металлической коробке.
Устанавливается некоторое количество контурных катушек, по количеству диапазонов.
Конденсатор переменной емкости должен быть с воздушным диэлектриком на 100 -
150 пф. Статор и ротор должны быть изолированы от корпуса прибора. Галванометр
может быть на 100 - 200 мкА. Желательно с большой шкалой, чтобы было удобно
проводить отсчет показаний. Выбирается частота настройки. К примеру, 14150 кГц.
К антенне подводится мощность 50 - 100 Вт. Со стороны рефлектора на расстоянии
10 - 15 м и высоте 1,5 - 2 м устанавливают индикатор поля. Антенна прибора,
изготовленная из двух отрезов стального или латунного провода диаметром 3-4 мм
длиной по 1 м, должна располагаться горизонтально. Конденсатором С1 настраивают
контур на данную частоту по максимальному показанию индикатора прибора.
Чувствительность индикатора регулируют потенциометром R2, добиваясь
расположения стрелки в центре шкалы. С помощью деревянной штанги, на конце
которой имеется ключ, перемещают настроечную перемычку рефлектора 20- метрового
диапазона до тех пор, пока показания прибора станут минимальными. В этот период
передатчик поддерживается в настроенном состоянии. После окончания настройки
рефлектора потенциометром R2 показание прибора устанавливают близким к нулю.
Антенна поворачивается активной рамкой к индикатору поля. Показания индикатора
увеличатся. Разность показаний прибора будет величиной, указывающей на
отношение излучения вперед-назад. Так последовательно настраивают все
диапазоны. Настроенные рамки рефлектора влияют друг на друга, поэтому после
настройки последнего диапазона проверяют настройку предыдущих. Метод настройки
антенны "волновой канал", у которых в качестве рефлектора применен
полуволновый диполь, более сложен. Настройка отношения излучения вперед-назад
достигается изменением длины рефлектора и директора, если он имеется.