21. УСТОЙЧИВОСТЬ И ГЕНЕРАЦИЯ СИНУСОИДАЛЬНЫХ АВТОКОЛЕБАНИЙ (задачи без решения) К списку тем практических занятий

Тема 21. УСТОЙЧИВОСТЬ И ГЕНЕРАЦИЯ СИНУСОИДАЛЬНЫХ АВТОКОЛЕБАНИЙ
(задачи без решения)

Перейти к задачам с решением

Задача 21.1. Определить, являются ли устойчивыми цепи, описываемые следующими характеристическими уравнениями: а) 3λ+ 2λ + 1, б) 3λ- 2λ + 1, β) 3λ+2λ - 1, г) 2λ+ λ+ λ + 1, д) 2λ- λ+ λ + 1, е) 2λ+ λ+ 1.

Показать соответствующий раздел теоретического материала Лекции 23

Показать решение задачи

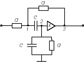
Задача 21.2. Определить область устойчивости цепи (рис. П21.1) по параметру k. Возможен ли в цепи режим автоколебаний? Если да, то, при каком значении k? Определить частоту автоколебаний w'.

Рис. П21.1

Показать соответствующий раздел теоретического материала Лекции 23

Показать решение задачи

Конец

Обратно к списку тем практических занятий
Обратно к плану соответствующей лекции