27.3. МАТЕМАТИЧЕСКИЕ МОДЕЛИ КОМПОНЕНТОВ ЭЛЕКТРОННЫХ ЦЕПЕЙ
Рассмотрим глобальные нелинейные модели таких элементов, как диоды, транзисторы и операционные усилители, позволяющие осуществлять анализ электронных цепей с этими элементами в динамических режимах при изменении в широких пределах токов и напряжений. Линеаризация параметров этих моделей в окрестности рабочей точки приводит к линейным моделям, используемым при анализе в малосигнальном режиме. Такие модели уже рассматривались ранее в п. 14.3.
Pис. 27.5 |
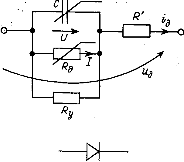
Диод. Схема замещения диода в режиме большого сигнала изображена на рис. 27.5. Она включает в себя нелинейное сопротивление Rд, характеристика которого описывается зависимостью
нелинейную дифференциальную емкость, включающую барьерную Сб |
и диффузионную составляющие Сд:
![]()
сопротивление утечки перехода Rу
1 МОм и объемное
сопротивление материала полупроводника и
контактов R'.
Входящие в нелинейные связи параметры имеют следующий смысл: Is — ток насыщения диода; (φт — температурный потенциал (φт == kT/q, где q =1,6·10-19 Кл — заряд электрона; k = 1,38·10-23 Дж/К — постоянная Больцмана, Т — абсолютная температура). При нормальной температуре (φт ~ 25мВ; m = l,0 – 2,5 — поправочный коэффициент, учитывающий отклонение характеристики диода от идеальной модели; Сб0 — барьерная емкость при нулевом смещении перехода; φ0 — контактная разность потенциалов, φ0 » 0,2 – 0,8 B; п = 1/2 – 1/3 — коэффициент качества перехода; t — постоянная времени, учитывающая граничную частоту работы диода, имеющую порядок мегагерц. Типичные значения тока насыщения Is составляют 10-6 – 10-12 А для кремниевых диодов и 10-2 – 10-8 — для германиевых; барьерная емкость Сб0 имеет значение нескольких пикофарад; порядок диффузионной емкости Сд — десятки или сотни пикофарад.
Параметры модели диода определяют измерениями на данном приборе. Для перехода к статической модели из схемы рис. 27.5 исключается конденсатор, и она становится чисто резистивной.
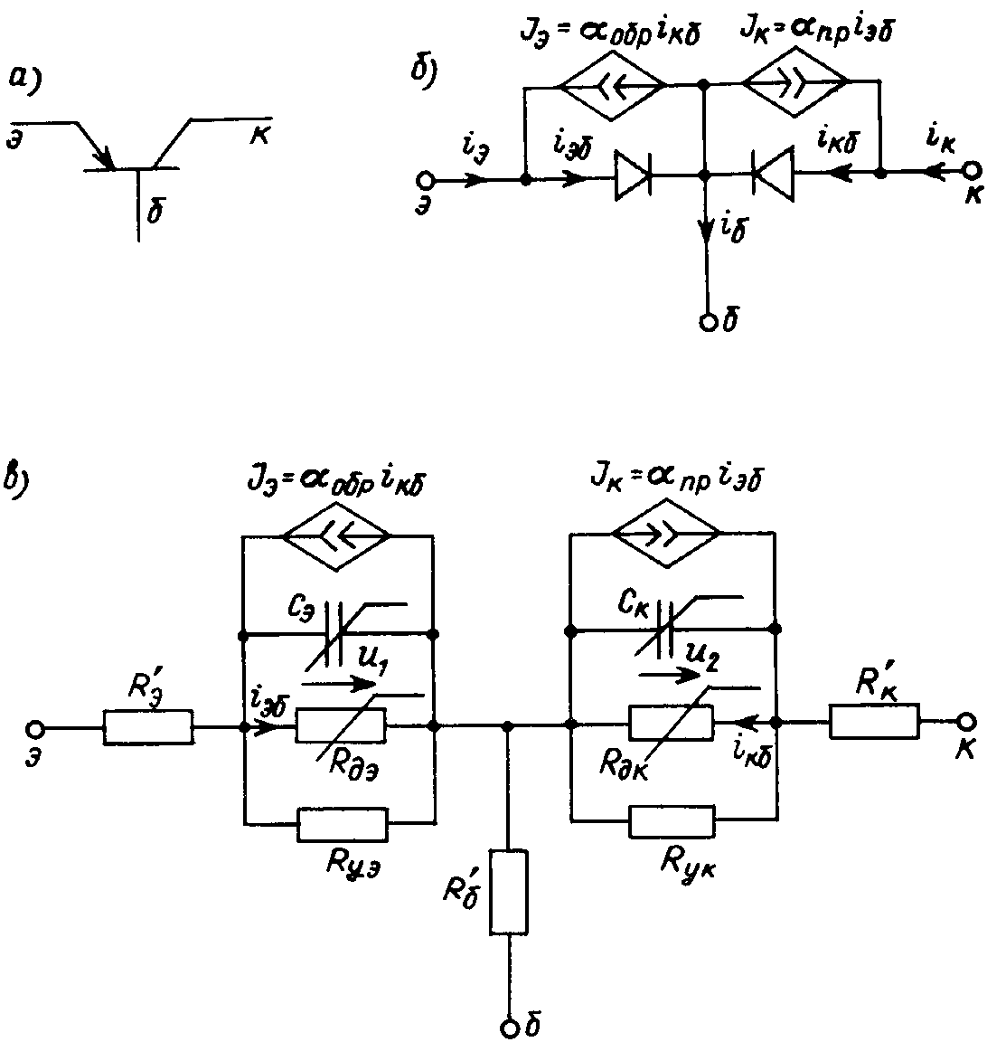
Биполярный транзистор. Нелинейная глобальная модель биполярного транзистора (рис. 27.6, а), имеющего два р-n-перехода, — модель Эберса-Молла — использует

Рис. 27.6
для каждого из переходов модель диода, рассмотренную выше, и дополнительно учитывает эффект передачи тока через базу в прямом и обратном направлениях с помощью двух управляемых источников. Для транзистора типа рпр рассматриваемая модель приведена на рис. 27.6, б. Для npn-транзистора все положительные направления диодов, источников и указанные направления токов заменяют на противоположные. Для рассматриваемой схемы имеем:
iэ = iэб - aобрiкб, iк = iкб - aпрiэб,
где aпр — коэффициент передачи тока в прямом направлении в схеме с общей базой, aпр » 0,99; aобр — коэффициент передачи тока в обратном направлении, aобр » 0,5.
При использовании для описания рn-переходов рассмотренной выше модели диода можно получить схему замещения рпр-транзистора, изображенную на рис. 27.6, в. Она содержит объемные сопротивления нейтральных областей R'э, R'к и R'б и сопротивления активных и пассивных областей базы, сопротивления утечки переходов Rу. э и Ry. к, нелинейные сопротивления Rд. э и Rд. к, вольтамперные характеристики которых определяются приведенной выше экспоненциальной зависимостью (27.1) для диода, и нелинейные емкости Сэ и Ск, которые аналогично описываются приведенными выше зависимостями для диода. Параметры, описывающие характеристики нелинейных элементов схемы замещения, различны для моделей обоих переходов. Их значения не приводятся в справочной литературе и поэтому их определяют серией измерений на данном приборе. Заметим, что рассмотренная модель Эберса-Молла включает 22 параметра, так что для их нахождения требуется значительный объем измерений.
При использовании транзистора в активной области, когда эмиттерный рn-переход смещен в прямом, а коллекторный переход — в обратном направлениях, можно пренебречь током iк. б и соответственно током управляемого источника Iэ. Если при этом транзистор работает в малосигнальном режиме, то можно осуществить линеаризацию характеристик нелинейных элементов в окрестности рабочей точки и прийти, по существу, к Т-образной схеме замещения с одним управляемым источником Iк.
Схема упрощается также при анализе на постоянном токе, когда после исключения емкостных элементов она становится чисто резистивной и приводится к схеме, изображенной на рис. 14.4, б.
Нелинейная
макромодель операционного усилителя. Построение макромодели
любого сложного устройства является
неоднозначным, так как оно существенно
зависит от физических факторов,
учитываемых при моделировании. Для
операционных усилителей к таковым
относятся, в первую очередь:
1) частотная
зависимость коэффициента усиления;
2)
ограничение амплитуды выходного
напряжения уровнем напряжения питания;
3)
ограничение скорости нарастания выходного
напряжения.
Перечисленные моменты учитывает простейшая макромодель усилителя, изображенная на рис. 27.7, а. Она содержит входной блок — входное сопротивление Rвх и нелинейный источник тока J= f(uвх), управляемый входным напряжением усилителя uвх. Характеристика нелинейного источника приведена на рис. 27.7, 6.

Рис. 27.7
Поскольку максимальный ток через конденсатор C1 не превышает значения Iт, то скорость нарастания напряжения на его зажимах не может превысить величины du1/dt = Im/C1. Звено, включающее параллельно соединенные элементы C1R1, моделирует ограниченную полосу пропускания операционного усилителя. Так как отношение выходного напряжения и1 на частоте w к его значению на нулевой частоте равно U1(jw)/U1(0)= 1/(1 + jwR1C1), то выбор параметров макромодели R1 и C1 определяется значением граничной частоты полосы пропускания wгр. При задании этой частоты по уровню ослабления 3 дБ имеем wгрR1C1 = l. При необходимости макромодель может учитывать и более сложный вид амплитудно-частотной характеристики усилителя путем каскадного подключения дополнительных RС-звеньев, аналогичных изображенному на рис. 27.7, позволяющих учесть другие полюсы передаточной функции усилителя K(jw).
Выходной блок помимо линейного выходного сопротивления Rвых содержит нелинейное сопротивление. Его характеристика имеет вид, изображенный на рис. 27.7, в. Это ведет к ограничению уровня выходного напряжения заданными пределами.