19.3. СВЯЗИ МЕЖДУ ТОКАМИ И НАПРЯЖЕНИЯМИ НА ОСНОВНЫХ ЭЛЕМЕНТАХ ЦЕПИ В ОПЕРАТОРНОЙ ФОРМЕ. ЭКВИВАЛЕНТНЫЕ ОПЕРАТОРНЫЕ СХЕМЫ
Рассмотрим переход от оригиналов к изображениям в соотношениях, связывающих токи напряжения элементов цепи. Для резистора u = Ri, и в силу линейности преобразования Лапласа такая же связь имеет место и для изображений
.
Связь тока и напряжения на катушке uL = L di/dt перепишем с использованием правила изображения производной
.
.
Аналогично выполняется переход к изображению связи между током и напряжением конденсатора iC = C duC/dt:
![]()
или
.
Из полученных выражений следует, что дифференциальные соотношения для оригиналов заменяются алгебраическими соотношениями для изображений, отражающим все исходные данные задачи, включая начальные условия. В этом и состоит суть операторного метода расчета переходных процессов: дифференциальные уравнения, описывающие переходный процесс, заменяются алгебраическими уравнениями для изображений.
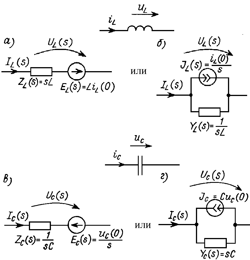
Полученные операторные связи допускают схемную интерпретацию. Выражение для напряжения на катушке позволяет получить схему, приведенную на рис. 19.4, а, в которой эквивалентом катушки является ее операторное сопротивление ZL(s) = sL, включенное последовательно с источником ЭДС EL(s) = LiL(0).

Рис. 19.4
Из выражения, разрешенного относительно тока IL(s), получаем схему с параллельным соединением операторной проводимости катушки YL(s) = 1/sL и источника тока JL(s) = iL(0)/s (рис. 19.4, б). Аналогичные схемы строятся и для конденсатора. Они включают либо последовательно соединенные операторное сопротивление конденсатора ZC(s) = 1/sC и источник ЭДС EC(s) = uC(0)/s (рис. 19.4, в), либо параллельно соединенные проводимость YC(s) = sC и источник тока JC(s) = CuC(0) (рис. 19.4, г).